Добавить проект
Прочитать правила
Платный доступ
Авторизация:
Информация


Чертежи » Рабочие проекты » Технология помещений » Просмотр раздела

Проекты технология помещений / раздел ТХ

ТХ ГП Лабораторный корпус кожно - венерологического диспансера 12 х 33 м в г. Нижневартовск РП ТХ ГП Лабораторный корпус кожно - венерологического диспансера 12 х 33 м в г. Нижневартовск | Год выпуска: 2005
Здание лабораторного корпуса- двухэтажное, с техническим подпольем и холодным чердаком. Высота этажей здания - 3.3 м, технического подполья- 2.5 м. / Состав: 2 комплекта чертежей + Спецификация
Дата: 31.5.11 05:12 | Поместил: Аноним | Размер: 1.14 MB | Скачали: 68 Платформа: AutoCad | Рб:
1
ТХ Производственно складской корпус РП ТХ Производственно складской корпус | Год выпуска: 2011
Чертежи всех этажей и необходимые разрезы, а также пояснительная записка (технологическая часть) со всеми расчетами и подбором техники.
Дата: 28.5.11 07:32 | Поместил: pangolin | Размер: 2.77 MB | Скачали: 138 Платформа: AutoCad | Рб:
3
ТХ Буфет на 28 посадочных мест г. Москва РП ТХ Буфет на 28 посадочных мест г. Москва | Год выпуска: 2011
Состав: 3 листа чертежи + спецификации
Дата: 22.4.11 10:03 | Поместил: Аноним | Размер: 711.16 KB | Скачали: 84 Платформа: AutoCad | Рб:
1
АС ГП ТХ НВК ВК НС ПОС Автозаправочная станция в г. Новотроицке РП АС ГП ТХ НВК ВК НС ПОС Автозаправочная станция в г. Новотроицке | Год выпуска: 2010
Стадия Р / Хранение топлива предусмотрено в подземных резервуарах, там же размещается приемный сливной колодец. Проект разработан для строительства в III климатическом районе. По степени надежности электроснабжения электроприемники объекта относятся к потре-бителям III категории. Расчетная нагрузка на объект – 17,6 кВт. Водоснабжение здания операторной проектируется от существующего водопровода ⌀500 мм. Горячее водоснабжение – от электроводонагревателя. Канализация - самотёком в существующую сеть канализации ⌀600 мм. Теплоснабжение здания операторной проектируется от масляных электрообогревателей, подключающихся к розеточной сети. Тепловая нагрузка составляет 8 кВт/час. Вентиляция помещения операторной – приточно-вытяжная с естественным побуждением. / Состав: комплекты документации + ПЗ + Спецификации
Дата: 20.1.11 10:59 | Поместил: Аноним | Размер: 17.74 MB | Скачали: 250 Платформа: AutoCad | Рб:
3
АС ТХ ОВ ВК НВК Пункт общественного питания 2 этажа с подвалом 24,7 х 14,5 м в Краснодарском крае РП АС ТХ ОВ ВК НВК Пункт общественного питания 2 этажа с подвалом 24,7 х 14,5 м в Краснодарском крае | Год выпуска: 2010
Проектируеиое здание представляет собой двухэтажное строение с подвалом, сложной формы в плане с комбинированным несущим остовом, стены из кирпича, каркас-монолитный железобетонный. / Состав: комплект АС - 24 листа чертежи, комплект ВК - 7 листов чертежи, комплект ОВ - 10 листов чертежи, комплект ТХ - 4 листа чертежи.
Дата: 7.12.10 09:55 | Поместил: obuhoff | Размер: 6.31 MB | Скачали: 110 Платформа: AutoCad | Рб:
3
АС ТХ ОВ ВК Магазин 1 этаж 10,8 х 12,6 м в Краснодарском крае РП АС ТХ ОВ ВК Магазин 1 этаж 10,8 х 12,6 м в Краснодарском крае | Год выпуска: 2009
Комплект АС без общих данных из 19 листов чертежи, без спецификаций на инженерные системы.
Дата: 7.12.10 06:21 | Поместил: obuhoff | Размер: 3.97 MB | Скачали: 229 Платформа: AutoCad | Рб:
1
ТХ Ремонтный бокс для грузовых автомобилей РП ТХ Ремонтный бокс для грузовых автомобилей
Ремонтный бокс на 2 места для грузовых автомобилей,чертежи марки ТХ
Дата: 21.8.10 19:41 | Поместил: Lo | Размер: 455.45 KB | Скачали: 119 Платформа: AutoCad | Рб:
1
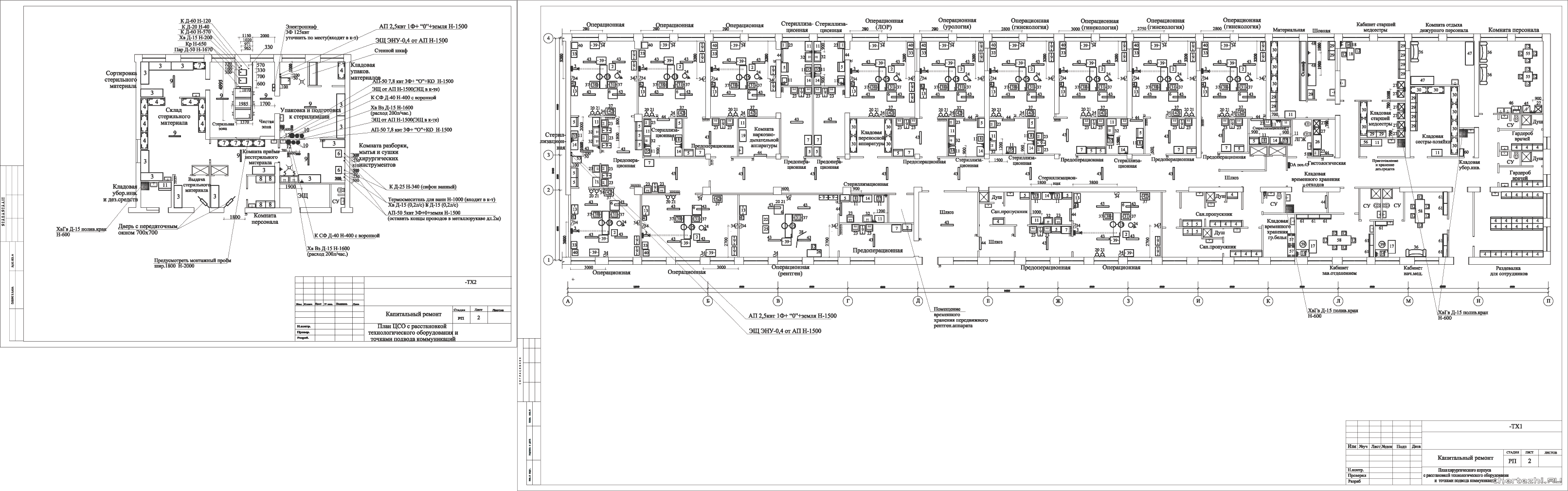
ТХ Хирургический блок и ЦСО РП ТХ Хирургический блок и ЦСО | Год выпуска: 2010
Технология хирургического блока и ЦСО Планы с расстановкой оборудования, спецификации
Дата: 16.8.10 07:29 | Поместил: YM1978 | Размер: 1.14 MB | Скачали: 108 Платформа: AutoCad | Рб:
1
АР ТХ Административный корпус на 150 сотрудников РП АР ТХ Административный корпус на 150 сотрудников | Год выпуска: 2010
Административный корпус включает в себя офисные помещения, а также конференц-зал для организаций научных конференций и симпозиумов, видеозал для проведения международных конференций с использованием современного телекоммуникационного оборудования, помещение электронной библиотеки. / Состав: 9 листов чертежи АР (фасады,разрезы, цветовые решения фасадов, планы этажей), комплект ТХ из 4 листов чертежи (схема расположения технологического оборудования).
Дата: 28.7.10 12:47 | Поместил: Salima | Размер: 975.89 KB | Скачали: 411 Платформа: AutoCad | Рб:
2
ТХ Комплексный капитальный ремонт школы в г. Санкт-Петербурга РП ТХ Комплексный капитальный ремонт школы в г. Санкт-Петербурга | Год выпуска: 2009
Здание общеобразовательной школы имеет П-образную форму. В ремонтируемом здании размещается общеобразовательная школа , в состав которой входят классы начальной, основной и старшей школы. В состав школы входят 27 классов (2:3:2), в том числе: классов начальной школы – 8, классов основной школы – 15, старших классов – 4. Общее количество учащихся в школе - 540 человек. Обучение осуществляется в одну смену, пять дней в неделю – начальная школа, шесть дней в неделю – основная и старшая школа. Для обеспечения питания учащихся в составе школы предусмотрена столовая на 132 места мощностью 3408 условных блюд, 1316 посетителей в сутки. 4 листа чертежи + ПЗ + спецификация оборудования.
Дата: 23.7.10 12:10 | Поместил: cyberfighter | Размер: 10.44 MB | Скачали: 202 Платформа: AutoCad | Рб:
2
Показать описание раздела:
Для обеспечения оптимальных условий труда и жизнедеятельности в зданиях/помещениях перед началом их строительства, реконструкции либо перепланировки разрабатывается проект ТХ.
Раздел проекта ТХ позволяет решить экономические и технологические задачи:
- обеспечить максимум полезного рабочего пространства;
- рациональное его использование;
- комплектация дополнительным оборудованием при необходимости;
Технология помещений предусматривает раздел ТХ, который распространяется на следующие виды объектов:
- производственные цеха;
- заведения общественного питания,
- бытового обслуживания;
- учреждения здравоохранения;
- административные;
- торговые;
- спортивные;
- складские и т.д.
Рабочие чертежи марки ТХ выполняют в соответствии с действующими нормами и правилами по проектированию, а также СЭС.
Документация раздела ТХ содержит:
- общие данные;
- расчетная часть;
- подбор оборудования и материалов;
- чертеж по технологии помещений с расстановкой оборудования;
- привязка вводов коммуникаций (при необходимости);
- ведомость потребности в материалах;
- спецификация оборудования;
- ведомость объемов монтажных работ;
Чертежи ТХ сопровождаются описанием технологии помещения с указанием запроектированной мощности, составом площадей. Проект ТХ магазин содержит информацию о предлагаемом товаре и его ассортименте, функциональном назначении помещений.
На основании разработанного проекта марка ТХ проводятся монтажные работы, осуществляется аттестация и выдается разрешение на эксплуатацию.
Проекты марки ТХ можно условно бесплатно скачать на нашем сайте.
 
Cloudim - онлайн консультант для сайта бесплатно.