Добавить проект
Прочитать правила
Платный доступ
Авторизация:
Информация


Чертежи » Дипломные и курсовые работы : Машиностроение и механика : Курсовой проект - Разработка мембранного датчика давления

Курсовой проект - Разработка мембранного датчика давления

| Рб:
1
| Платформа: AutoCad | Поместил: Аноним | Дата: 11.12.10 14:41 | Год выпуска: 2007 | Размер: 404,33 KB | Скачали: 31
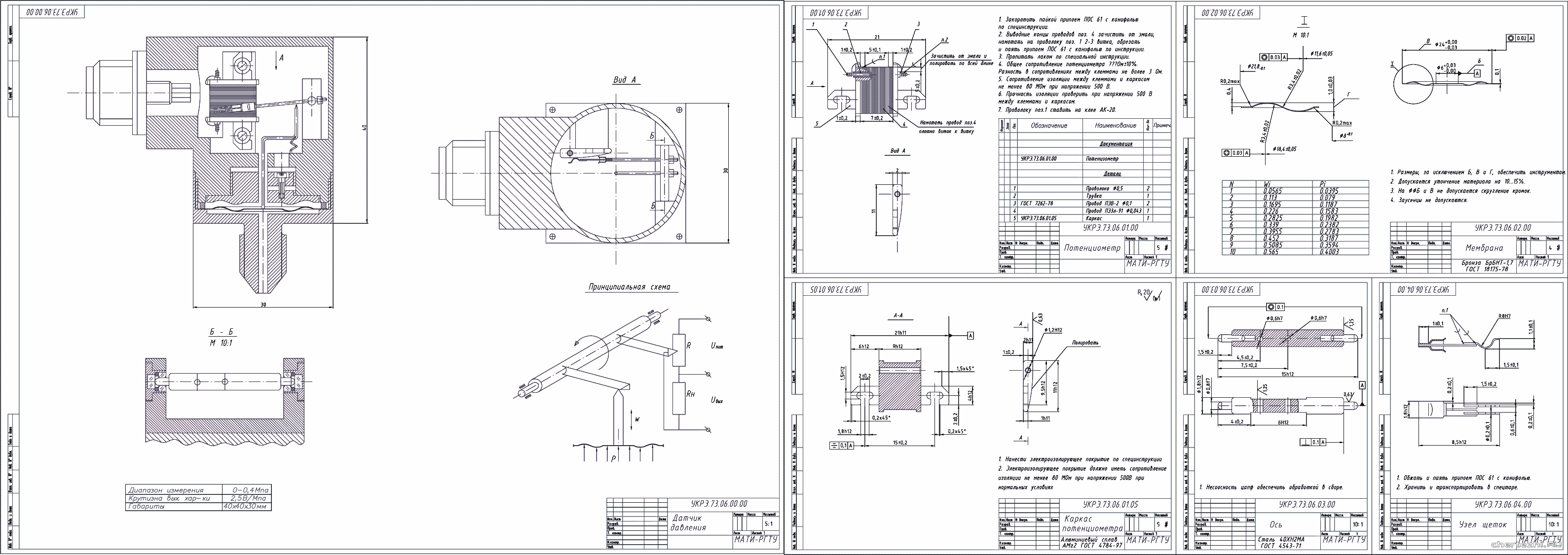
Коротко о файле: МАТИ-РГТУ / Целью курсовой работы является разработка датчика давления. В данной работе разрабатывается принципиальная схема датчика, выполняется технический эскиз его конструкции, рассчитываются основные статические и динамические параметры прибора и выполняются рабочие чертежи отдельных узлов и элементов. / Состав: 2 листа чертежи (датчик (ВО), деталировка) + ПЗ. Курсовая по приборам летательных аппаратов.
Курсовой проект - Разработка мембранного датчика давления

Содержание.
Введение
1. Назначение, принцип действия и конструкция датчика
2. Анализ возникающих в приборе погрешностей
3. Обоснование технического эскиза
4. Расчет статических и динамических параметров датчика
4.1. Расчет характеристики чувствительного элемента (гофрированной мембраны)
4.2. Расчет чувствительности преобразовательных элементов
4.3. Расчет датчика перемещения
4.4. Определение частоты собственных колебаний мембраны
4.5. Расчет порога чувствительности прибора
Литература

Разрабатываемый датчик давления предназначен для измерения давления газовых сред в диапазоне 0¸0,6 МПа. Крутизна выходной характеристики прибора равна 2,5 В/МПа. Выходная информация представляется в форме электрического сигнала.



Содержимое архива


Проекты (работы, чертежи) можно скачать став участником и внеся свой вклад в развитие. Как скачать ? подробнее >>>>>>>
Последний раз скачивали: 2022-02-23 / 2020-12-20

 
Cloudim - онлайн консультант для сайта бесплатно.