Коротко о файле:ОрелГТУ / Кафедра технологии машиностроения / по дисциплине “Метрология, стандартизация и сертификация“ / Состав: 5 листов чертежи (вал, колесо, крышка, стакан, вал в сборе) + ПЗ.
Темой курсовой работы является расчет и выбор посадок сборочной единицы. Целью курсовой работы является практическое закрепление знаний о:
- о расчете и выборе посадок гладких цилиндрических соединений;
- о выборе посадок подшипника качения;
- выборе вида сопряжения и допуска на боковой зазор цилиндрических зубчатых передач;
- нормировании допусков формы и расположению;
- выполнении рабочих чертежей детали;
Содержание
Введение
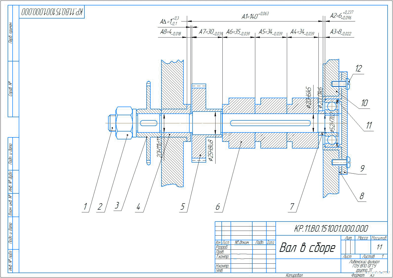
1. Описание конструкции сборочной единицы
2 Расчетная часть
2.1 Расчет посадки с натягом и выбор стандартной посадки
2.2 Расчет переходной посадки и выбор стандартной посадки
2.2.1 Выбор универсальных измерительных средств с указанием метрологических характеристик
2.3 Расчет посадки с зазором и выбор стандартной посадки
2.4 Расчет посадки подшипника качения и выбор стандартной посадки
2.5 Расчет зубчатой цилиндрической передачи
2.6 Расчет метрической резьбы M18×2-6H/8g
2.7 Расчет размерных цепей
2.8 Расчет размерной цепи теоретико-вероятностным методом
Заключение
Список использованной литературы:
Переходные посадки предназначены для неподвижных, но разъемных соединений деталей и обеспечивают хорошее центрирование соединяемых деталей. При выборе переходных посадок необходимо учитывать, что для них характерна возможность получения, как натягов, так и зазоров. Натяги, получающиеся в переходных посадках, имеют относительно малую величину и обычно не требуют проверки деталей на прочность, за исключением отдельных тонкостенных деталей. Эти натяги недостаточны для передачи соединением значительных крутящих моментов или усилий. К тому же получение натяга в каждом из собранных соединений без предварительной сортировки деталей не гарантировано. Поэтому переходные посадки применяют с дополнительным креплением соединяемых деталей шпонками, штифтами, винтами и д.р. Зазоры, в отдельных случаях получающиеся в переходных посадках, также относительно малы, что предотвращает значительное смещение (эксцентриситет) соединяемых деталей.
Выбор переходной посадки определяется точностью центрирования и легкостью сборки и разборки соединений с переходными посадками, так же как и характер этих посадок, во многом определяется вероятностью (частностью) получения в них натягов и зазоров.
Исходные данные:
Метрическая резьба- M18×2-6H/8g;
Резьбовые соединения широко используются в конструкциях машин, аппаратов, приборов, инструментов и приспособлений различных отрослей промышленности. Резьбовая поверхность образуется пи винтовом перемещении плоского контура определенной формы по цилиндрической или конической поверхности. Резьба может быть получена наружной (наружная резьба – болт, шпилька, винт и т.д.) и внутренней (внутреняя резьба- гайка, гнездо, муфта и т.д.) поверхностях деталей.
По профилю витков резьбы подразделяют на треугольные, трапециидальные, упорные прямоугольные, круглые. По числу заходов- на однозаходные и многозаходные. В зависимости от направления вращения контура осевого сечения- на правые и левые резьбы. По принятой еденице измерения линейных размеров- метрические и дюймовые.
Резьба M18×2-6H/8g.
Поле допуска резьбы болт 8g(т.е. поле допуска среднего диаметра 8g и поле допуска наружного диаметра 8g), поле допуска гайки 6H(т.е. поле допуска среднего диаметра 7H и поле допуска внутреннего диаметра 6H).