Добавить проект
Прочитать правила
Платный доступ
Авторизация:
Информация


Чертежи » Дипломные и курсовые работы : Машиностроение и механика : Технология машиностроения : Разработка оснастки и приспособлений : Курсовой проект - Приспособление для шлифования центрального отверстия детали "Блок"

Курсовой проект - Приспособление для шлифования центрального отверстия детали "Блок"

| Рб:
1
| Платформа: AutoCad | Поместил: Kolabus | Дата: 14.4.12 07:24 | Год выпуска: 2011 | Размер: 276,17 KB | Скачали: 50
Коротко о файле: Приспособление для шлифования . Чертежи, спецификации, пояснительная записка
Курсовой проект - Приспособление для шлифования центрального отверстия детали "Блок"

Содержание
1 Анализ чертежа детали и исходных данных
2 Разработка схемы базирования заготовки на операции
3 Расчёт режимов обработки поверхностей на технологической операции
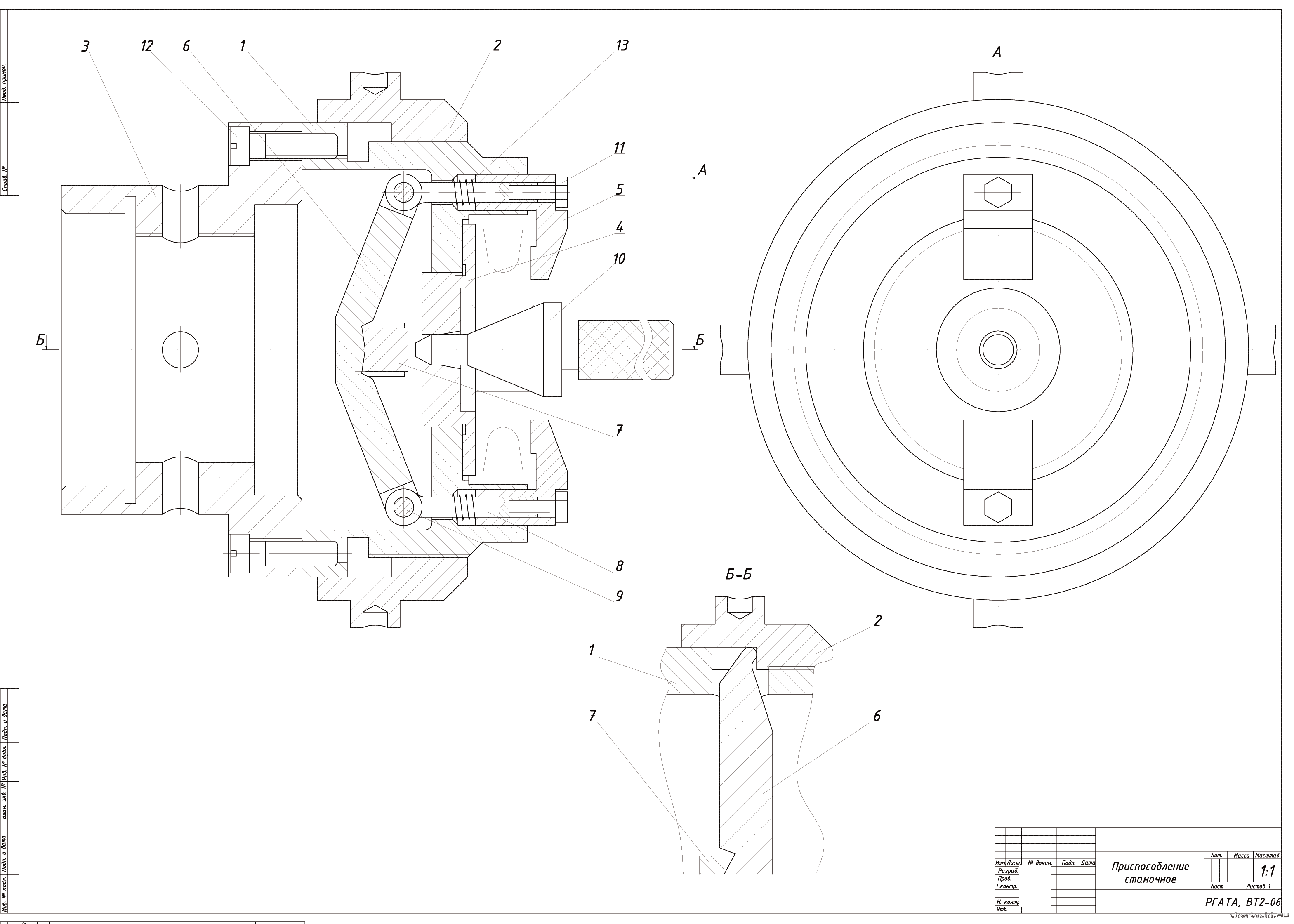
4 Разработка схемы закрепления детали и общей компоновки приспособления
5 Расчёт потребной силы закрепления
6 Расчёт основных параметров зажимного устройства
7 Разработка и описание конструкции корпуса
8 Описание принципа работы приспособления
9 Список использованных источников
Приложение

Анализ чертежа детали и исходных данных

Требуется разработать компоновку приспособления для шлифования центрального отверстия Ø54 детали «Блок» (рисунок 1). Изготовление деталей происходит в условиях мелкосерийного производства. Материал детали – Сталь 35 ГОСТ 1050-89.
Операцию будем проводить плоским шлифовальным кругом прямого профиля на универсальном внутришлифовальном станке 3К229В.



Содержимое архива


Проекты (работы, чертежи) можно скачать став участником и внеся свой вклад в развитие. Как скачать ? подробнее >>>>>>>
Последний раз скачивали: 2025-06-16

 
Cloudim - онлайн консультант для сайта бесплатно.