Добавить проект
Прочитать правила
Платный доступ
Авторизация:
Информация


чертежи съемника  /  Wiki

Показать описание раздела

Чертеж съемника изображает основные детали этого демонтажного устройства, позволяющего снимать подшипники либо другие детали машин и механизмов. Изображения, разрезы, сечения отображают размеры, шаг резьбы, способы крепления деталей съемников между собой: - корпусов в виде траверсов;
- стержней с резьбой (винтов) с внутренним отверстием;
- захватов (двух, трех, в зависимости от вида съемника);
- штоков для раздвижения захватов;
- соединительных элементов (пластинок, штифтов).
- рукояти;
- гаек для фиксации положения съемников.
Чертеж съемника подшипников очерчивает подобные детали, при этом существует отдельный вид такого устройства. Он основывается на гидравлическом, а не механическом, принципе работы. Чертеж гидравлических съемников подшипников показывает помимо прочего их особенности в виде изображения:
- гидравлических гаек;
- специальных поршней.
Поможет правильно собрать любой съемник сборочный чертеж, наглядно демонстрирующий принцип состыковки каждой детали в конкретный узел. Подробные изображения съемников предоставляют возможность изучить:
- как взаимодействуют между собой их составные части;
- то, каким образом детали крепятся между собой;
- расположение каждой детали в узлах;
- внутреннее устройство каждого элемента, для чего используются графические методы местного разреза и вынесенного сечения, а также общий разрез детали и его сечение.
В целом же, чтобы собрать любой съемник либо составить его сборочный чертеж придерживаются определенных правил:
- следуют постепенно и по этапам, от первой детали до последней;
- начинают процесс с корпусов, а заканчивают накручиванием рукоятей на винтовые стержни и одеванием гаек на штоки.
Съемник чертеж скачать нетрудно, и он приносит реальную пользу, облегчая процесс сборки устройства или его изучение.

Проекты содержащие в своем описании "чертежи съемника". Подборка не содержит всех проектов, не нашли по метке воспользуйтесь поиском по каталогу проектов.
Дипломный проект - Совершенствование организации технического сервиса МТП в условиях СПК Грудцинский ДП Дипломный проект - Совершенствование организации технического сервиса МТП в условиях СПК Грудцинский | Год выпуска: 2015
НГСХА / Кафедра ТМиРМ / Состав: 9 листов чертежи (Анализ, План график, График загрузки, Мастерская, Общий вид приспособления, Съемник, ТП, Экономика) + ПЗ.
Дата: 10.5.16 19:22 | Поместил: jokerrr_spb | Размер: 654.15 KB | Скачали: 10 Платформа: Компас | Рб:
4
Курсовой проект - Съемник винтовой КП Курсовой проект - Съемник винтовой | Год выпуска: 2012
СГТУ им. Гагарина Ю.А. Кафедра «Теория механизмов и деталей машин». Цель этой работы состоит в том, чтобы спроектировать винтовой механизм (съёмник). Назначение передач винт-гайка – преобразование вр-щательного движения в поступательное. Передачи обеспечивают большой выигрыш в силе, возможность получения медленного движения, большую несущую способность при малых габаритах, возможность достижения высокой точности перемещений, простоту конструкции и изготовления, по-этому винтовые механизмы получили широкое распространение в общем машиностроении, авиационной технике и робототехнике. 2 листа чертежи (Съемник А2 / Захват А4 / Направляющая А4 / Гайка А4 / Винт А4) + ПЗ.
Дата: 20.12.13 14:18 | Поместил: Аноним | Размер: 428.35 KB | Скачали: 48 Платформа: Компас | Рб:
2
Дипломный проект (колледж) - Проект организаций шиномонтажного участка в условиях В/Ч 21686 ДП Дипломный проект (колледж) - Проект организаций шиномонтажного участка в условиях В/Ч 21686 | Год выпуска: 2010
ЧЛК / В/Ч 21686 предприятие транспортного типа находится в ведомости СибВО, обеспечивает пассажирские перевозки личного состава всех военных частей комплекса с.Домна. Основу парка составляют автобусы марок ЛиАЗ, Альтерна, ПАЗ и ЛАЗ, которые выполняют основную массу перевозок. ЛАЗ - 25 шт - 532,9 тыс. км ср. пробег, ЛиАЗ - 51 шт. - 562,5 тыс.км, ПАЗ - 24 шт. - 447,8 тыс.км, Икарус - 18 шт. - 720 тыс.км, КАВЗ - 9 шт. - 399,6 тыс.км, Альтерна - 22 шт. - 94,2 тыс.км, МАРЗ - 2 шт. - 114,6 тыс.км, НЗАС - 1 шт. - 63,1 тыс.км. Тип АТП – пассажирский. Количество дней работы в году - 249 дней. Количество смен – 1. Категория условий эксплуатации – III. Зона эксплуатации – холодная. / Состав: 4 листа чертежи (РММ ВЧ №21686, Шиномонтажный участок, Съёмник сборочный чертёж, Съёмник деталировка: винт, упор, болт, направляющая, стержень, гайка) + ПЗ.
Дата: 14.6.13 13:29 | Поместил: Аноним | Размер: 874.53 KB | Скачали: 83 Платформа: Компас | Рб:
2
Курсовой проект - Технологический процесс изготовления детали "Втулка" КП Курсовой проект - Технологический процесс изготовления детали "Втулка" | Год выпуска: 2012
ИжГТУ / Кафедра ТММСиИ / Втулка — деталь машины, механизма, прибора цилиндрической или конической формы (с осевой симметрией), имеющая осевое отверстие, в которое входит сопрягаемая деталь. В данной работе мною была выбрана втулка токосъемника высокой частоты. Деталь «Втулка» представляет собой тело вращения состоящая из посадочного отверстия Ø 40H7, конического отверстия с проточками и каналами для смазки, торцевых и цилиндрических поверхностей к которым предъявляются требования по биению и цилиндричности. Для данной втулки был выбран титановый деформируемый сплав ВТ6. / 14 листов чертежи + маршрутные карты + наладка + операционные карты + спецификация + ПЗ.
Дата: 27.4.13 07:44 | Поместил: Аноним | Размер: 14.66 MB | Скачали: 24 Платформа: Компас | Рб:
2
Чертежи КП - Универсальный стационарный съемник КП Чертежи КП - Универсальный стационарный съемник | Год выпуска: 2011
ОГУ / Универсальный съемник для агрегатного участка СТО / Состав: чертежи (СБ + детали 5 листов + Схема работы)
Дата: 28.2.12 10:50 | Поместил: Аноним | Размер: 182.88 KB | Скачали: 154 Платформа: Компас | Рб:
1
Чертежи - Съемник двухлапый для снятия шкивов звезд КП Чертежи - Съемник двухлапый для снятия шкивов звезд | Год выпуска: 2006
Графическая часть курсового проекта содержит 6 листов чертежи 2Д (сборочный чертеж А3, винт А4, гайка А4, планка А4, захват А3, втулка А4) + 3Д детали, сборка. ПЗ отсутствует.
Дата: 1.12.11 17:56 | Поместил: Аноним | Размер: 351.44 KB | Скачали: 40 Платформа: Компас | Рб:
2
Съемник РП Съемник
Съемник предназначенный для съема подшипников средних диаметров с валов и осей
Дата: 11.3.11 09:19 | Поместил: Аноним | Размер: 3.07 MB | Скачали: 107 Платформа: Adobe Reader | Рб:
1
Курсовой проект (колледж) - Передвижная станция технического обслуживания и ремонта на базе ГАЗ-66 ДП Курсовой проект (колледж) - Передвижная станция технического обслуживания и ремонта на базе ГАЗ-66 | Год выпуска: 2008
ТАМКТС / Принимаем толщину кузова 40мм, в качестве утеплителя принимаем пенопласт. Оборудование в нутрии кузова крепится болтами, специальными стяжками и хомутами к днищу кузова и к стенкам кузова / Состав: чертежи 3 листа + ПЗ, не хватает деталировочных чертежей.
Дата: 21.6.10 14:49 | Поместил: Аноним | Размер: 170.45 KB | Скачали: 164 Платформа: Компас | Рб:
1
Курсовой проект - Насос буровой, ремонт клапанной коробки (насос поршневой 9МГр-61) КП Курсовой проект - Насос буровой, ремонт клапанной коробки (насос поршневой 9МГр-61) | Год выпуска: 2009
УГНТУ / Кафедра нефтепромысловых машин и оборудования / по дисциплине: «Эксплуатация и ремонт машин и оборудования нефтегазовых промыслов» / Состав чертежи (Клапанная коробка до ремонта А4, Клапанная коробка после ремонта А4, Насос поршневой 9МГр-61 А1, Съемник седел насоса 9МГр-61 А1) + ПЗ
Дата: 3.3.10 17:18 | Поместил: Аноним | Размер: 120.72 KB | Скачали: 88 Платформа: Компас | Рб:
2
Чертежи - Съемник подшипника ведущей шестерни ЗМ автобуса ЛиАЗ КП Чертежи - Съемник подшипника ведущей шестерни ЗМ автобуса ЛиАЗ | Год выпуска: 2010
Состав: Сборочный чертеж, 6 элементов деталировка, без ПЗ
Дата: 2.3.10 03:55 | Поместил: Nic | Размер: 45.17 KB | Скачали: 190 Платформа: Компас | Рб:
1
Чертежи - Съемник буксирного прибора КП Чертежи - Съемник буксирного прибора | Год выпуска: 2010
Графическая часть курсового проекта содержит 5 листов чертежи (А2 общий вид, А3 исполняющий элемент-гидроцилиндр, А4 деталировка: поршень, проушины + спецификации). ПЗ отсутствует.
Дата: 26.2.10 12:01 | Поместил: Аноним | Размер: 131.82 KB | Скачали: 53 Платформа: AutoCad | Рб:
1
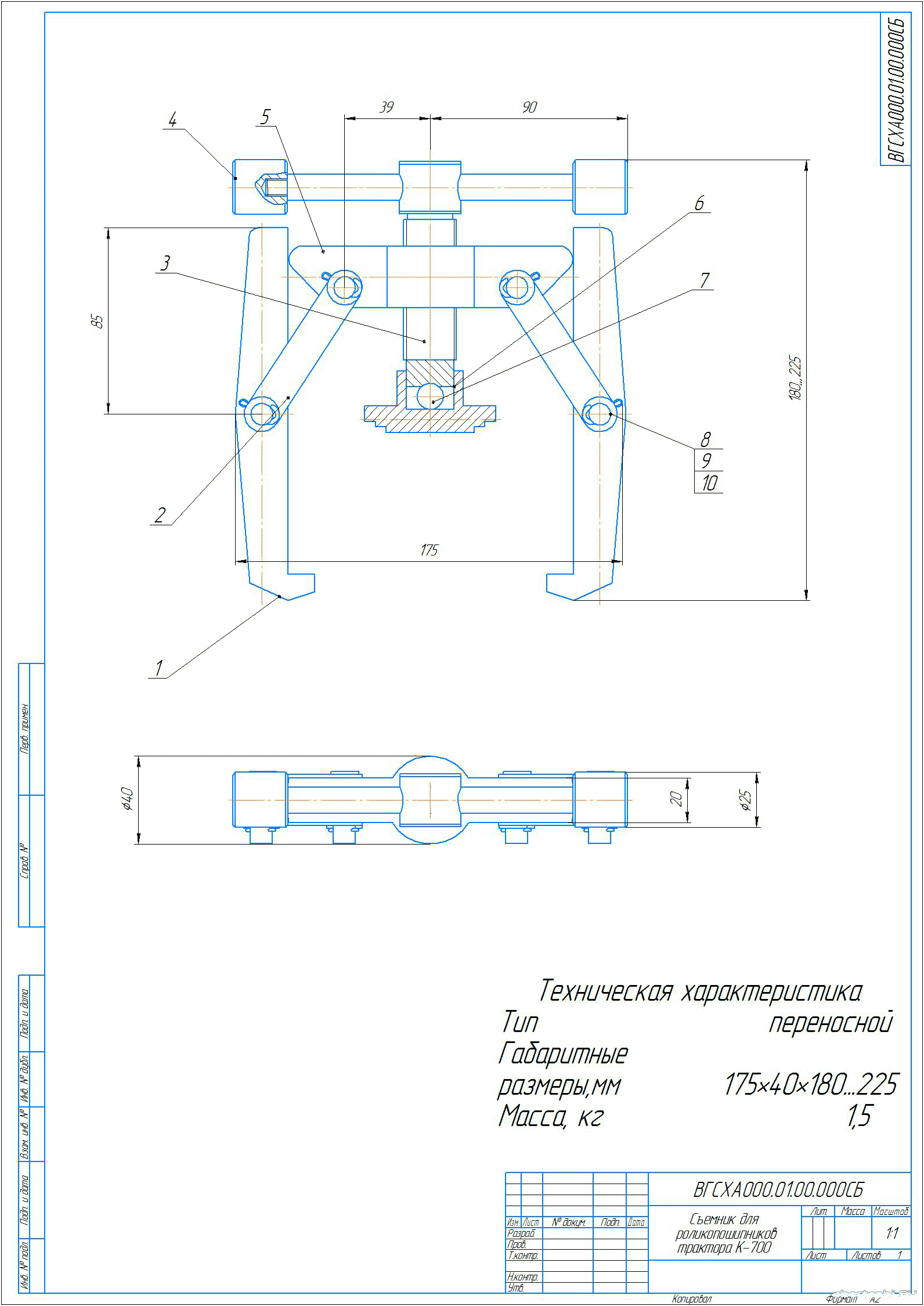
Курсовой проект - Съёмник для роликоподшипников трактора К - 700 КП Курсовой проект - Съёмник для роликоподшипников трактора К - 700 | Год выпуска: 2010
ВГСХА / Съемник предназначен для выпрессовки роликоподшипника конического двухрядного и роликоподшипника 122 (например для выпрессовки подшипника из саттелитов). Данное приспособление используется при ремонте ведущего моста трактора К-700. / Состав: 5 листов чертежи (сборочный, деталировка, тех карта на воостановление детали) + спецификация + ПЗ.
Дата: 21.2.10 17:00 | Поместил: Аноним | Размер: 302.64 KB | Скачали: 191 Платформа: Компас | Рб:
1
Гидростанция переносная ножная РП Гидростанция переносная ножная | Год выпуска: 2008
Рабочее изделие изготовленное и работающее в локомотивном депо. Применяется для питания гидравлических съемников различного назначения (для снятия колец, подшипников, и тд). Рабочее давление 200 кгс/см2. 50 листов чертежи, выполненные в соответствии с ГОСТом + 3D - модели + спецификации.
Дата: 17.4.09 06:46 | Поместил: Аноним | Размер: 5.56 MB | Скачали: 164 Платформа: Компас | Рб:
3
Курсовой проект - Расчет механического съемника КП Курсовой проект - Расчет механического съемника | Год выпуска: 2005
ВолгГТУ / по предмету «Основы расчета и проектирования технологического оборудования автотранспортных предприятий» / Кафедра: «Техническая эксплуатация и ремонт автомобилей» / 2 листа чертежи + ПЗ
Дата: 5.8.08 07:14 | Поместил: Аноним | Размер: 65.14 KB | Скачали: 207 Платформа: AutoCad | Рб:
1
Чертежи - Съёмник шкива генератора Г130 автомобиля ЗИЛ-130 КП Чертежи - Съёмник шкива генератора Г130 автомобиля ЗИЛ-130 | Год выпуска: 2008
Состав чертежей: Винт, Вороток, Захват, Насадка, Стяжка, Съемник зил-130, Траверса / Без ПЗ, только описание приспособления
Дата: 8.5.08 16:26 | Поместил: Аноним | Размер: 93.99 KB | Скачали: 299 Платформа: Компас | Рб:
1
Чертежи - Универсальный 2 лапчатый съемник для снятия подшипников, звездочек КП Чертежи - Универсальный 2 лапчатый съемник для снятия подшипников, звездочек | Год выпуска: 2008
без ПЗ
Дата: 28.2.08 16:55 | Поместил: Аноним | Размер: 34.01 KB | Скачали: 478 Платформа: Компас | Рб:
1
 
Cloudim - онлайн консультант для сайта бесплатно.