Добавить проект
Прочитать правила
Платный доступ
Авторизация:
Информация


Кран балка чертеж  /  Wiki

Показать описание раздела
Проекты содержащие в своем описании "Кран балка чертеж". Подборка не содержит всех проектов, не нашли по метке воспользуйтесь поиском по каталогу проектов.
Дипломный проект (колледж) - Одноэтажное промышленное здание в г. Екатеринбург ДП Дипломный проект (колледж) - Одноэтажное промышленное здание в г. Екатеринбург | Год выпуска: 2013
ЕКТС / Специальность "Строительство и эксплуатация зданий и сооружений" / по дисциплине: «Архитектура гражданских и промышленных зданий» / Проектируемое здание в плане представляет собой прямоугольный контур размерами в плане 36х102 метров. Здание одноэтажное, скомпоновано из двух пролетов высотой 10,8 м. Ширина пролетов в осях А-Б составляет 18 метров, Б-В 18 метров / Состав: 2 листа чертежи + ПЗ (в Компас)
Дата: 23.1.17 13:29 | Поместил: KillerGhost | Размер: 239.71 KB | Скачали: 12 Платформа: AutoCad | Рб:
2
Дипломный проект -  Арматурно - формовочный цех 105 х 48 м завода ЖБИ в г. Сыктывкар ДП Дипломный проект - Арматурно - формовочный цех 105 х 48 м завода ЖБИ в г. Сыктывкар | Год выпуска: 2010
СЛИ / Кафедра «ДПГС» / Климатический подрайон – IВ. Класс здания II. Здание многопролетное сплошной застройки с продольным расположением пролетов. Размеры пролетов – 24 м. Шаг средних колонн – 12 м. Высота до низа несущих конструкций – 13,2 м. Внутрицеховой транспорт: - мостовой кран Q=10 т; - кран-балка; - узкоколейная тележка. Исходные данные для расчета административно-бытовых помещений: - списочная численность рабочих – 17 человек, - численность рабочих в наиболее многочисленной смене – 12 человек, - численность рабочих женщин – нет , - количество работников управления – нет , - количество смен – 3. / 13 листов чертежи(архитектура, конструкции, генплан, организация) + ПЗ.
Дата: 21.3.16 10:15 | Поместил: solnishko081280 | Размер: 8.15 MB | Скачали: 27 Платформа: AutoCad | Рб:
4
Курсовой проект - Вспомогательный корпус автотранспортного предприятия на 250 авто - поездов 48 х 48 м в г. Сибай КП Курсовой проект - Вспомогательный корпус автотранспортного предприятия на 250 авто - поездов 48 х 48 м в г. Сибай | Год выпуска: 2013
МПК / Проектируемое здание одноэтажное, промышленное, решено в каркасном варианте. Производственный процесс здания относится: По санитарной характеристике здание в 2. По степени огнестойкости - II. Класс сооружения - II. По категории производства по взрывной, пожарной и взрывопожарной относится к категории В. В плане представляет собой прямоугольную конфигурацию, высота до низа стропильной конструкции 7,2 м. Шаг крайнего и среднего ряда колонн 6 м. Здание крановое, оборудовано подвесными кран-балками 1 тонна и 2 тонны. / 2 листа чертежи + ПЗ (в Компасе)
Дата: 4.7.15 08:38 | Поместил: swindler-7 | Размер: 796.82 KB | Скачали: 3 Платформа: Компас | Рб:
1
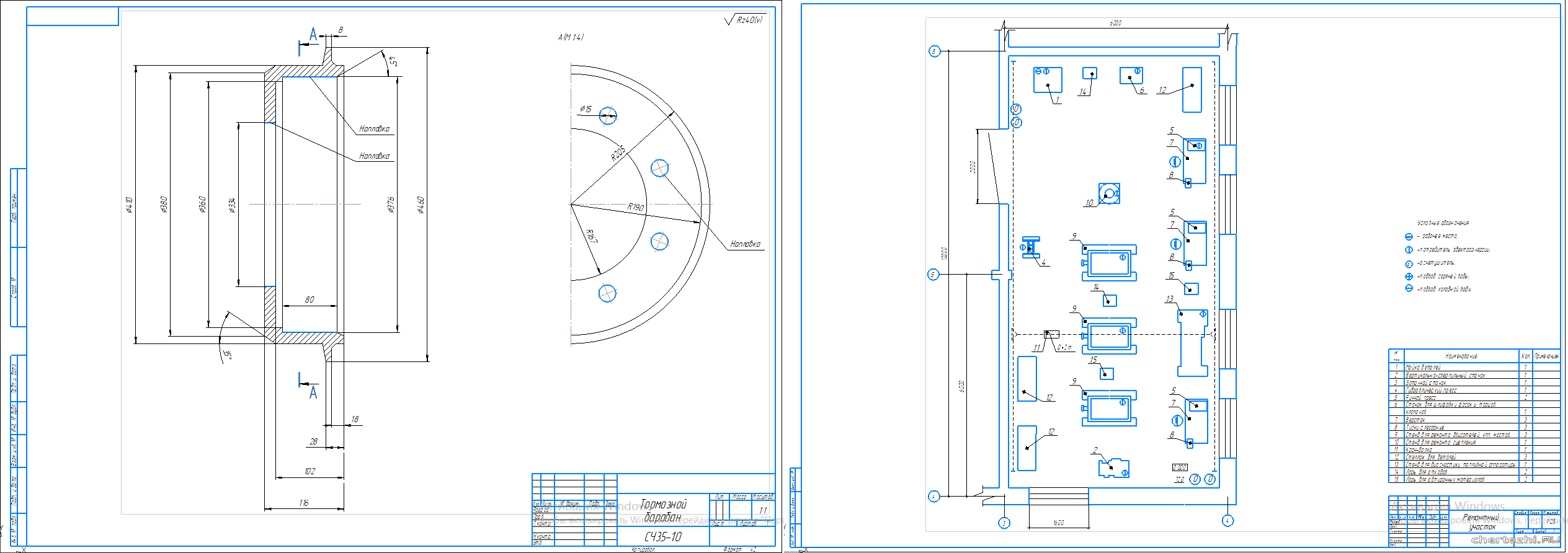
Курсовой проект - Ступица заднего колеса 130-3502070 КП Курсовой проект - Ступица заднего колеса 130-3502070 | Год выпуска: 2014
В работе проведено восстановление ступицы заднего колеса, с разработкой ремонтного участка и маршрутных карт и карты дефектации. - Материал: КЧ35-10 / - Твердость: НВ 121-149 / - Шероховатость Rz = 40 мкм. / - Характер износа детали: обломы и трещины, износ отверстий, риски и задиры. / Состав: 2 листа чертежи + ПЗ
Дата: 26.5.15 20:25 | Поместил: dizel154 | Размер: 317.21 KB | Скачали: 5 Платформа: Компас | Рб:
1
Курсовой проект - Проектирование моторо-ремонтного участка МАЗ 5516 КП Курсовой проект - Проектирование моторо-ремонтного участка МАЗ 5516 | Год выпуска: 2015
ПГУ / ТЭА / Состав: 3 листа чертежи (планировки и тех.карта) + ПЗ
Дата: 14.4.15 19:40 | Поместил: PAnDA_94 | Размер: 238.98 KB | Скачали: 13 | Рейтинг: 9.00 (1 голос) Платформа: Компас | Рб:
1
Курсовой проект - Ремонтно - механический цех 96,6 х 43,4 м в г. Находка КП Курсовой проект - Ремонтно - механический цех 96,6 х 43,4 м в г. Находка | Год выпуска: 2011
ЧитГУ / По дисциплине: «Архитектура» / Данный ремонтно-механический цех входит в состав крупного машиностроительного завода и предназначается для ремонта оборудования (станков, моторов и пр.) данного завода и других заводов и предприятий промышленного района. Климатический район - IIГ. Здание цеха – прямоугольное. Здание имеет 3 параллельных пролета, два крайних пролета по 12 м и один пролет размером 18 м. Внутрицеховой транспорт осуществляется в центральном пролете при помощи мостовых кранов грузоподъемностью 10 т, а в крайних пролетах – подвесными кран-балками грузоподъемностью 2 т. Шаг колонн – 6,0. Фундаменты монолитные с подколонниками стаканного типа. Стены проектируемого промышленного здания из облегчённых панелей толщиной 250 мм. / Состав: 5 листов чертежи (архитектура, генплан) + ПЗ
Дата: 31.7.15 12:41 | Поместил: Аноним | Размер: 1.22 MB | Скачали: 20 Платформа: AutoCad | Рб:
1
Курсовой проект - Русловое водозаборное сооружение КП Курсовой проект - Русловое водозаборное сооружение | Год выпуска: 2008
СПбГАСУ / Факультет безотрывных форм обучения / Кафедра водоснабжения / В работе выполнено проектирование речных водозаборных сооружений для хозяйственно-питьевого водоснабжения населенного пункта. / Состав: 1 лист чертеж + ПЗ.
Дата: 26.3.13 06:43 | Поместил: Аноним | Размер: 1.85 MB | Скачали: 48 Платформа: AutoCad | Рб:
1
Курсовой проект - Расчет электрической тали для опорной кран – балки грузоподъемностью 5т КП Курсовой проект - Расчет электрической тали для опорной кран – балки грузоподъемностью 5т | Год выпуска: 2012
Исходные данные: Высота подъема 8м.; длина пролета 6м; скорость подъема 7 м/мин; скорость передвижения тележки 18 м/мин; скорость передвижения кран-балки 30 м/мин; режим работы ПВ-40 / Состав: 3 листа (Главная балка А2, Опорная кран балка А1, Тележка А1) + ПЗ
Дата: 11.10.12 20:00 | Поместил: Аноним | Размер: 308.49 KB | Скачали: 52 Платформа: Компас | Рб:
1
ЭОМ Насосная станция (ЦТП) г. Чита РП ЭОМ Насосная станция (ЦТП) г. Чита | Год выпуска: 2010
Проект предусматривает устройство сети силового электрооборудования, сети электророзеток и сети электроосвещения в помещениях ЦТП / Состав: комплект чертежей + спецификации
Дата: 28.2.11 01:11 | Поместил: RONNEZ | Размер: 2.77 MB | Скачали: 134 Платформа: AutoCad | Рб:
1
Курсовой проект - Ремонтно-механический цех г. Тула КП Курсовой проект - Ремонтно-механический цех г. Тула | Год выпуска: 2009
ВлГУ / Кафедра Строительных Конструкций и Архитектуры / по архитектуре ГиПЗиС / Состав: 10 листов чертежи + ПЗ
Дата: 7.12.10 08:33 | Поместил: Аноним | Размер: 1.52 MB | Скачали: 106 | Рейтинг: 8.00 (1 голос) Платформа: AutoCad | Рб:
1
 
Cloudim - онлайн консультант для сайта бесплатно.