Коротко о файле:ИжГТУ / Кафедра «Технология машиностроения, металлорежущие станки и инструменты» / по дисциплине «Проектирование машиностроительного производства» / Состав: 3 листа чертежи (общий вид детали, планировка цеха, компановка участка) + ПЗ.
Содержание
1 ОБЩАЯ ЧАСТЬ 3
1.1 Служебное назначение и конструкция детали 3
1.2 Выбор типа производства 3
2 ТЕХНОЛОГИЧЕСКАЯ ЧАСТЬ 6
2.1 Анализ базового технологического процесса 6
изготовления детали 6
2.2 Разработка технологического процесса обработки 9
3 ПРОЕКТНАЯ ЧАСТЬ 12
3.1 Производственная программа 12
3.2 Расчет количества оборудования цеха 13
3.3 График загрузки оборудования 14
3.4 Расчет количества работающих 15
3.5 Расчет площади цеха 17
3.5.1 Расчет производственной площади цеха 17
3.5.2 Расчет вспомогательной площади цеха 17
3.6 Выбор типа конструкции и основных размеров цеха 18
3.7 Строительные элементы здания 19
3.8 Выбор подъемно-транспортного оборудования 19
Список литературы 20
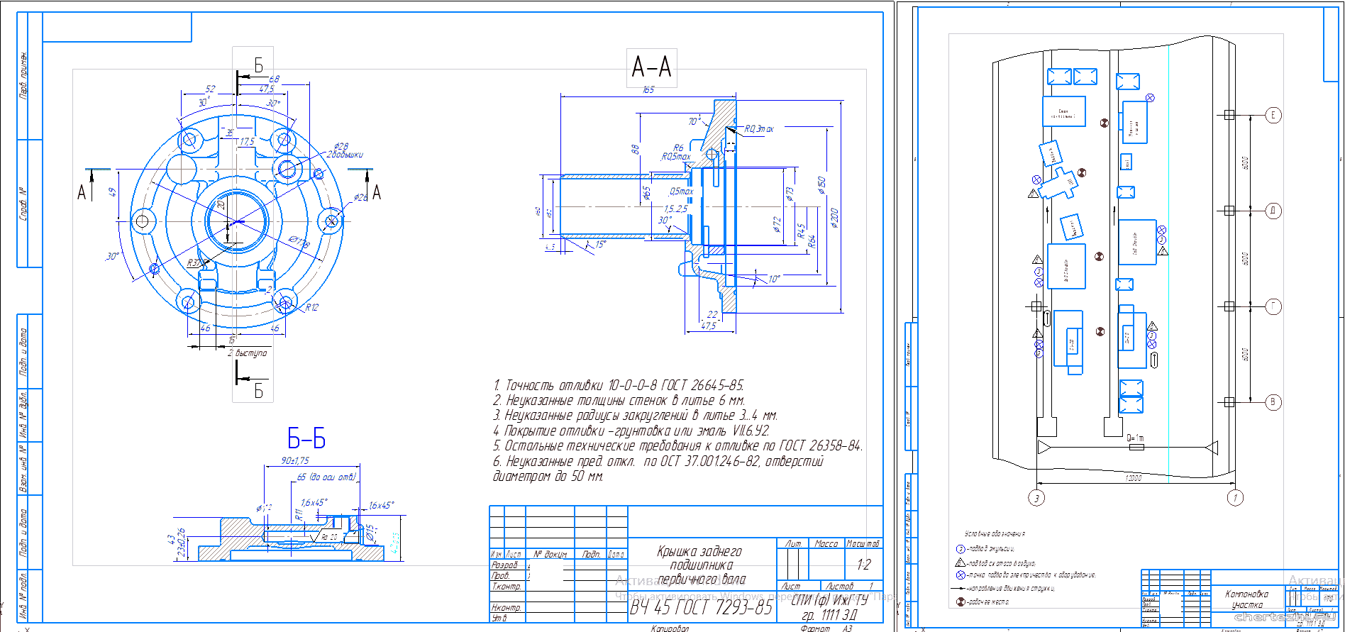
Крышка подшипника служит для осевой ориентации первичного вала коробки передач ЯМЗ 336. Крышка устанавливается в наружную обойму подшипника Ø150 мм для предотвращения утечки масла в проточку Ø160 устанавливается резиновая манжета. Тонкий конец первичного вала устанавливается в горловину отверстия Ø52 мм и уплотняется сальником. Крышка с первичным валом в сборе устанавливается на картер КП 336.1701015 и крепится шестью болтами М10.
Годовая программа выпуска: N=40000;
Количество деталей на изделие: m=1 шт.;
Запасные части на изделие: β=10%;
Режим работы предприятия - две смены;
Действительный годовой фонд времени работы оборудования: 3950 ч.