Добавить проект
Прочитать правила
Платный доступ
Авторизация:
Информация


Чертежи » Дипломные и курсовые работы » Машиностроение и механика » Технология машиностроения » ТП Изготовление деталей / обработка » Просмотр раздела

Технологические процессы - Изготовление деталей / обработка

Фильтр по проектам:
Показать выполненные в CAD программе:
Варианты различных технологических процессов (ТП) (Изготовление / Обработка деталей):
     Проектирование участка     Расчет / Проектирование деталей     ТП Изготовление     ТП Механическая обработка     ТП Обработка     ТП Сборка    Без фильтра
Вузы: (ТП - Изготовление деталей / обработка) Название Вуза с буквы:
     А     Б     В     Г     Д     З     И     К     Л     М     Н     О     П     Р     С     Сред.проф.зав.     Т     У     Х     Ч     Ю     Я    Без фильтра
На какую букву начинается название нужной детали (ТП - Изготовление / Обработка деталей):
     А     Б     В     Г     Д     З     К     М     О     П     Р     С     Т     Ф     Ч     Ш     Щ    Без фильтра
Дипломный проект - Разработка ТП изготовления детали «Крышка» устройства «Клапан пневмогидравлический» ДП Дипломный проект - Разработка ТП изготовления детали «Крышка» устройства «Клапан пневмогидравлический» | Год выпуска: 2021
АМК им. Котина / Разработка технологического процесса изготовления детали «Крышка» устройства «Клапан пневмогидравлический» с использованием информационных технологий. / Состав: 5 листов чертежи (СБ чертеж, чертеж детали, чертеж заготовки, карта наладки, экономический плакат) + спецификация + ПЗ (74 страницы) + презентация.
Дата: 23.10.25 18:27 | Поместил: yurii47 | Размер: 2.33 MB | Скачали: 0 Платформа: Компас | Рб:
3
Дипломный проект - Проектирование ТП изготовления детали "Стакан" ДП Дипломный проект - Проектирование ТП изготовления детали "Стакан" | Год выпуска: 2025
Проектирование технологического процесса изготовления детали "Корпус" с использованием высокотехнологического оборудования. / Состав: 3 листа чертежи (деталь, заготовка, чертеж технологических наладок на операции) + комплект технологической документации (маршрутная карта, операционные карты, карты эскизов на все операции (в excel)) + ПЗ (78 страниц).
Дата: 6.10.25 07:53 | Поместил: ola | Размер: 340.54 KB | Скачали: 0 Платформа: Компас | Рб:
2
Дипломный проект - Проектирование ТП изготовления детали "Корпус" ДП Дипломный проект - Проектирование ТП изготовления детали "Корпус" | Год выпуска: 2025
Разработать технологический процесс механической обработки детали "КОРПУС" / Состав: 3 листа чертежи (деталь, заготовка, чертеж технологических наладок на операции) + комплект технологической документации (в excel) + ПЗ (72 страницы).
Дата: 6.10.25 07:40 | Поместил: ola | Размер: 328.75 KB | Скачали: 0 Платформа: Компас | Рб:
2
Курсовой проект - Ковка "Вал полый" КП Курсовой проект - Ковка "Вал полый" | Год выпуска: 2025
СПБПУ / Кафедра "Технология конструкционных материалов" / Разработка конструкции и технологии производства кованого изделия. / Состав: 3 листа чертежи (деталь, операционные эскизы, деталь с намеченной поковкой) + 3D-модель + ПЗ (5 страниц).
Дата: 4.10.25 14:25 | Поместил: Nikita343 | Размер: 1.13 MB | Скачали: 0 Платформа: Компас | Рб:
1
Дипломный проект - ТП изготовления детали "Втулка" КП Дипломный проект - ТП изготовления детали "Втулка" | Год выпуска: 2025
Цель работы - сравнить два варианта операции механической обработки детали ВТУЛКА по технологической себестоимости. / Состав: 3 листа чертежи (чертеж детали, чертеж заготовки, технологические наладки) + комплект технологической документации (маршрутная карта, операционные карты, карты эскизов в excel) + ПЗ (66 страниц)
Дата: 3.10.25 07:33 | Поместил: ola | Размер: 508.25 KB | Скачали: 0 Платформа: Компас | Рб:
2
Курсовой проект - ТП изготовления детали "труба" КП Курсовой проект - ТП изготовления детали "труба" | Год выпуска: 2022
КНИТУ-КАИ / Кафедра реактивных двигателей и энергетических установок / 24.05.02 Проектирование авиационных и ракетных двигателей / по дисциплине «Технология производства авиационных и ракетных двигателей» / Разработка технологии изготовления детали / Расчет и проектирование детали с созданием плана технической обработки, расчетом поковки и созданием эскиза совмещенных переходов. / Состав: 4 листа чертежи (заготовка, труба, план обработки, эскиз совмещенных переходов) + Тех. карта + ПЗ (52 страницы).
Дата: 13.9.25 12:29 | Поместил: SeWikS | Размер: 1.10 MB | Скачали: 0 Платформа: Компас | Рб:
1
Курсовой проект (колледж) - Разработка ТП механической обработки детали "Шток" КП Курсовой проект (колледж) - Разработка ТП механической обработки детали "Шток" | Год выпуска: 2025
РКРИПТ / Целью данного проекта является разработка оптимального технологического процесса, который позволит эффективно и качественно выполнять механическую обработку деталей типа "Шток". Для достижения этой цели предполагается анализ технологических операций, выбор необходимого оборудования, определение последовательности этапов обработки, а также учет особенностей материала детали и требований к ее точности. / Состав: 5 листов чертежи (заготовка, деталь шток, калибр-скоба, резец проходной отогнутый, карта эскизов) + тех. процесс + ПЗ (47 страниц).
Дата: 9.9.25 15:39 | Поместил: S_I_M | Размер: 1.37 MB | Скачали: 0 Платформа: Компас | Рб:
1
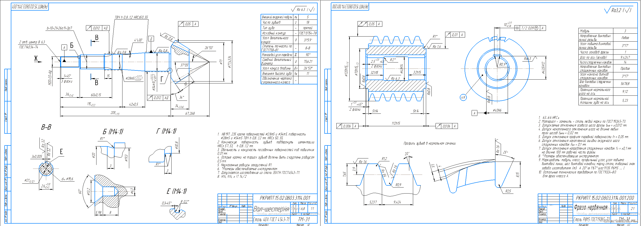
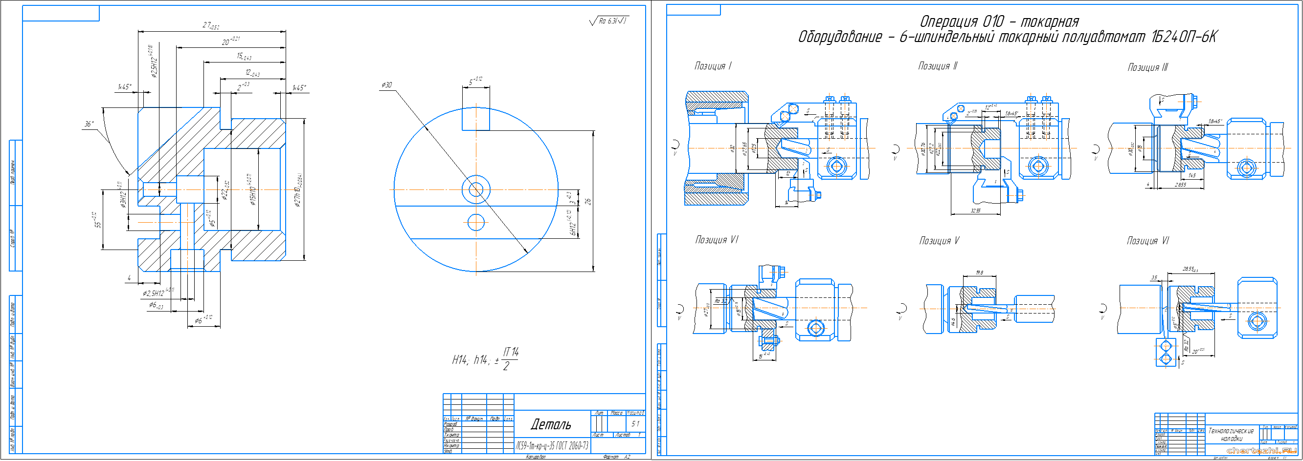
Курсовой проект (колледж) - Разработка ТП механической обработки деталей типа «Вал-шестерня коническая» КП Курсовой проект (колледж) - Разработка ТП механической обработки деталей типа «Вал-шестерня коническая» | Год выпуска: 2024
РКРИПТ / Целью данного проекта является разработка оптимального технологического процесса, который позволит эффективно и качественно выполнять механическую обработку деталей типа "Вал-шестерня коническая". В рамках этого проекта стоит задача провести анализ требований к изготовлению данного типа деталей, определить основные этапы обработки, выбрать оптимальное оборудование и инструменты для их производства, а также учесть особенности материала и требования к качеству и точности изделий. / Состав: 5 листов чертежи (заготовка, деталь Вал, операционный эскиз 010, калибр-скоба, фреза червячная) + спецификация + технологическая документация (ОК+МК+КЭ) + ПЗ (52 страницы).
Дата: 7.9.25 14:10 | Поместил: S_I_M | Размер: 1.11 MB | Скачали: 1 Платформа: Компас | Рб:
1
Дипломный проект (колледж) - Проектирование участка механической обработки деталей типа «Основание 294-9947-01» ДП Дипломный проект (колледж) - Проектирование участка механической обработки деталей типа «Основание 294-9947-01» | Год выпуска: 2020
РКРИПТ / Целью дипломного проекта является разработка проектирование участка механической обработки деталей типа «Основание 294-9947-01» в условиях ПАО "Роствертол". Проектирование техпроцесса изготовления детали с разработкой заготовки, станочного приспособления, карты наладки и технологической документации. / Состав: 7 листов чертежи + спецификации + ПЗ (118 страниц).
Дата: 7.7.25 16:51 | Поместил: simarchenko | Размер: 1.03 MB | Скачали: 0 Платформа: Компас | Рб:
4
Курсовой проект - ТП сборки «Червячного редуктора» и изготовления детали «Червяк» КП Курсовой проект - ТП сборки «Червячного редуктора» и изготовления детали «Червяк» | Год выпуска: 2020
МГТУ им. Баумана / Кафедра Технологии и машиностроения / по дисциплине специальности 24.05.01 «Технология производства наземного оборудования» / Курсовой проект по технологии машиностроения представляет собой комплексную учебную работу, в которой представлены основные функции технологической подготовки машиностроительного производства и при выполнении которой вырабатывают практические навыки их реализации. Техническое задание: Разработать для условий серийного производства (годовой объем выпуска N = 1000 шт.) / Состав: 5 листов чертежи (Технологический процесс сборки червячного редуктора (2 листа); Маршрутный технологический процесс изготовления червяка (2 листа); Операционный технологический процесс изготовления червяка (1 лист)) + 2 листа чертежа редуктора червячного (в pdf) + 1 лист чертеж червяка (в pdf) + таблицы, сопровождающие графическую часть.
Дата: 2.5.25 17:01 | Поместил: yyz5651 | Размер: 4.49 MB | Скачали: 1 Платформа: Компас, PDF | Рб:
2
 
Cloudim - онлайн консультант для сайта бесплатно.