Добавить проект
Прочитать правила
Платный доступ
Авторизация:
Информация


цилиндрический редуктор чертеж  /  Wiki

Показать описание раздела
Проекты содержащие в своем описании "цилиндрический редуктор чертеж". Подборка не содержит всех проектов, не нашли по метке воспользуйтесь поиском по каталогу проектов.
Курсовой проект - Червячно- цилиндрический редуктор КП Курсовой проект - Червячно- цилиндрический редуктор | Год выпуска: 2006
ПГТУ МСИ / Состав: 5 листов чертежи (А0: сборочный чертеж редуктора; А1: общий вид привод, рама; А2: колесо зубчатое, вал тихоходный) + спецификация + пояснительная записка
Дата: 1.6.12 13:50 | Поместил: Аноним | Размер: 810.27 KB | Скачали: 30 Платформа: Компас | Рб:
1
Курсовой проект - Одноступенчатый цилиндрический редуктор с ведущей звездочкой КП Курсовой проект - Одноступенчатый цилиндрический редуктор с ведущей звездочкой | Год выпуска: 2011
МГТУ им. Баумана / кафедра РК3 / Проект по Деталям машин / Цепной транспортер - машина непрерывного транспортного горизонтального перемещения штучных грузов, устанавливаемая в отапливаемом помещении. Область применения: перемещение грузов с большими массами, металлургия, машиностроение, сборочные линии, упаковка, тестирование и контроль, перемещение продуктов и материалов. / Состав: 5 листов чертежи (Редуктор цилиндрический одноступенчатый с ведущей звездочкой; деталировка (звездочка с предохранительным устройством, вал, зубчатое колесо); приводной вал с 2-мя звездочками; общий вид привода (электродвигатель, редуктор, приводной вал)) + спецификация к 1,2 и 5 листам + ПЗ.
Дата: 8.4.12 17:27 | Поместил: pangolin | Размер: 3.57 MB | Скачали: 30 | Рейтинг: 9.00 (1 голос) Платформа: Компас | Рб:
2
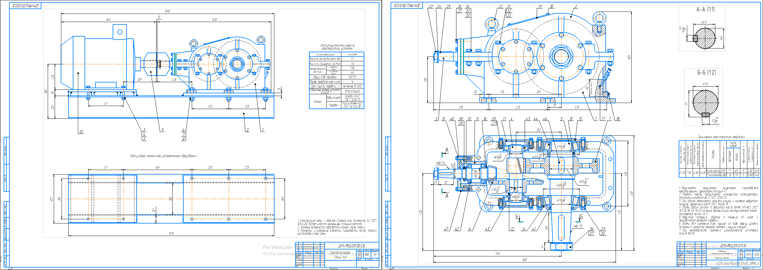
Курсовой проект - Привод ленточного редуктора (двухступенчатый цилиндрический редуктор) КП Курсовой проект - Привод ленточного редуктора (двухступенчатый цилиндрический редуктор) | Год выпуска: 2009
ПГТУ / Проектируемый в данной работе привод состоит из электродвигателя 4A132S4 мощности 7.5 кВт, двухступенчатого соосного цилиндрического редуктора с моментом на тихоходном валу 430 Н•м и передаточным отношением 9,42. Входной вал редуктора соединен с электродвигателем упругой втулочно-пальцевой муфтой. Цепная передача передает момент от тихоходного вала редуктора к валу привода. Приводной вал конвейера установлен на подшипниках шариковых радиальных сферических двухрядных. Двигатель и редуктор крепятся к общей раме. Она сварная, состоит из швеллеров и крепится на бетонное основание. Привод должен обеспечить передачу крутящего момента от электродвигателя к исполнительному устройству с минимальными потерями и заданной угловой скоростью на выходном валу редуктора. / Состав: 6 листов чертежи (привод, редуктор, вал, колесо, крышка) + ПЗ.
Дата: 21.2.12 09:09 | Поместил: Аноним | Размер: 5.28 MB | Скачали: 27 | Рейтинг: 9.00 (1 голос) Платформа: Компас | Рб:
2
Курсовой проект - Двухступенчатый цилиндрический редуктор КП Курсовой проект - Двухступенчатый цилиндрический редуктор | Год выпуска: 2011
Сф СамГТУ / Кафедра ТМ / по деталям машин / Состав: 5 листов чертежи + спецификация + ПЗ.
Дата: 7.2.12 15:27 | Поместил: Аноним | Размер: 320.23 KB | Скачали: 24 Платформа: Компас | Рб:
1
Курсовой проект - Привод ленточного конвейера КП Курсовой проект - Привод ленточного конвейера | Год выпуска: 2011
ОмГТУ / Заданием на курсовой проект по основам проектирования и конструирования является конструирование привода ленточного конвейера, который, как и любая другая машина, включает в себя три основных узла: двигатель – передаточный механизм – исполнительный механизм. В данном проекте разработке подлежит третий узел машины. В качестве мотора используется стандартный трехфазный асинхронный электродвигатель. Передаточный механизм содержит редуктор. Исполнительным механизмом в данном проекте является приводной вал конвейера. Для ленточного конвейера – это вал приводного барабана. / Состав: 2 листа чертежи (сборочный чертёж приводного вала конвейера, редуктор цилиндрический одноступенчатый) + 4 спецификации + ПЗ.
Дата: 6.11.11 10:03 | Поместил: Аноним | Размер: 645.68 KB | Скачали: 32 Платформа: Компас | Рб:
1
Курсовой проект - Проектирование привода цепного конвейера (редуктор вертикальный соосный цилиндрический) КП Курсовой проект - Проектирование привода цепного конвейера (редуктор вертикальный соосный цилиндрический) | Год выпуска: 2011
ЮЗГУ / Проект по "Деталям машин" / Цель курсового проекта спроектировать привод цепного конвейера, включающего: электродвигатель; двухступенчатый цилиндрический редуктор- механизм, состоящий из зубчатых цилиндрических передач, служащий для передачи движения от двигателя к рабочему органу с уменьшением частоты вращения и увеличением вращающего момента и цепную передачу. Сборочный чертеж, компоновка, деталировка 3 деталей и пояснительная записка (задание и полностью все расчеты). / Состав: 4 листа чертежи + ПЗ.
Дата: 30.9.11 08:00 | Поместил: Аноним | Размер: 4.55 MB | Скачали: 26 Платформа: AutoCad | Рб:
1
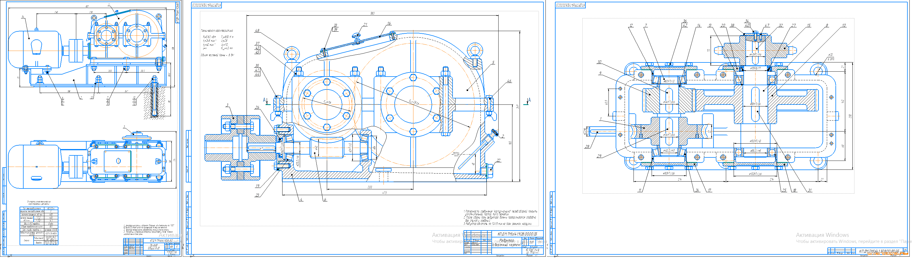
Курсовой проект - Коническо-цилиндрический редуктор КП Курсовой проект - Коническо-цилиндрический редуктор | Год выпуска: 2010
Привод состоит из клиноременной передачи и коническо-цилиндрического редуктора. Частота вращения выходного вала редуктора 28 мин^-1, мощность на выходном валу 6.5 кВт, нагрузка спокойная, передача реверсивная, требуемая долговечность 12000 ч. / Состав: 2 листа чертежи + спецификация + ПЗ.
Дата: 28.11.10 19:09 | Поместил: Mex_Yarik | Размер: 634.81 KB | Скачали: 63 Платформа: Компас | Рб:
1
Курсовой проект - Привод ленточного конвеера (двухступенчатый цилиндрический редуктор) КП Курсовой проект - Привод ленточного конвеера (двухступенчатый цилиндрический редуктор) | Год выпуска: 2009
МАМИ / Кафедра ДМиПТУ / Состав: 9 листов чертежей различного формата + ПЗ
Дата: 16.11.10 18:24 | Поместил: Аноним | Размер: 5.40 MB | Скачали: 73 Платформа: Компас | Рб:
1
Курсовой проект - Привод с цилиндрическим редуктором КП Курсовой проект - Привод с цилиндрическим редуктором | Год выпуска: 2008
ПетрГУ / Кафедра ТОЛК / Исходные данные: Tвых=660 Н*м; nвых= 65 мин-1. / Состав: 6 листов Графическая часть (Общий вид А1, Сборочный чертеж 2 вида А1, вал А3, зуб А3, Крышка подшипника А4, шкив А3) и спецификации на общий вид и сборочные чертежи + ПЗ
Дата: 1.6.10 20:28 | Поместил: Аноним | Размер: 1.57 MB | Скачали: 66 Платформа: Компас | Рб:
1
Чертежи - Червячно-цилиндрический редуктор КП Чертежи - Червячно-цилиндрический редуктор | Год выпуска: 2010
УО БарГУ / Графическая часть курсового проекта содержит 6 листов чертежи (2 листа сборочный чертеж редуктора А1, общий вид привода А1, рама приводная А1, крышка корпуса А2, крышка подшипника А4) + спецификации. ПЗ отсутствует.
Дата: 27.5.10 19:58 | Поместил: Аноним | Размер: 450.73 KB | Скачали: 43 Платформа: Компас | Рб:
1
Курсовой проект - Цилиндрический редуктор КП Курсовой проект - Цилиндрический редуктор | Год выпуска: 2008
УГАТУ / В данном проекте редуктор представляет собой прямозубую передачу. Редуктор является одноступенчатым, установлен с горизонтальным расположением валов. / Состав: 4 листа чертежи (2 листа А2 редуктор, колесо зубчатое А3, вал А3) + спецификация + ПЗ.
Дата: 24.3.10 01:42 | Поместил: Аноним | Размер: 321.16 KB | Скачали: 55 Платформа: Компас | Рб:
1
Курсовой проект - Червячно-цилиндрический редуктор КП Курсовой проект - Червячно-цилиндрический редуктор | Год выпуска: 2009
Состав: 6 листов чертежи (вал-шестерня А3, колесо зубчатое А3, корпус редуктора А2, привод редуктора А1, рама А1, редуктор А1) + компановка + спецификации + ПЗ.
Дата: 20.12.09 13:14 | Поместил: Аноним | Размер: 1.05 MB | Скачали: 56 Платформа: AutoCad | Рб:
1
Курсовой проект - Привод ленточного конвейера (червячно-цилиндрический редуктор) КП Курсовой проект - Привод ленточного конвейера (червячно-цилиндрический редуктор) | Год выпуска: 2008
Казанский ГАУ / по деталям машин / Привод содержит: закрытую зубчатую цилиндрическую передачу; червячную передачу; ременную передачу с клиновым ремнём. Мощность на выходном валу Р = 2 кВт. Частота вращения выходного вала n = 9,55 об./мин. Срок службы привода T = 15000 ч. / Состав: 6 листов чертежи (корпус редуктора А1, рама А1, редуктор А1, привод А1, колесо зубчатое А3, вал А3) + спецификации + ПЗ.
Дата: 17.12.09 23:57 | Поместил: Ilshat77 | Размер: 522.54 KB | Скачали: 60 Платформа: Компас | Рб:
1
Курсовой проект - Ленточный конвейер с двух барабанным приводом (цилиндрический редуктор) КП Курсовой проект - Ленточный конвейер с двух барабанным приводом (цилиндрический редуктор) | Год выпуска: 2009
КФ МТГУ им.Н.Э. Баумана / Факультет: Конструкторско-механический / Кафедра: «Детали машин и подъёмно-транспортное оборудование» / Конвейер горизонтально-наклонный. Транспортирующий груз – земля формовочная. Условия эксплуатации – тяжёлые. Разгрузка – 2-х барабанная сбрасывающая тележка. / Состав: 5 листов чертежи (станция приводная, станция натяжная, лебедка грузовая, датчик обрыва ленты, общий вид) + спецификации + ПЗ.
Дата: 12.12.09 16:23 | Поместил: Аноним | Размер: 1.72 MB | Скачали: 88 | Рейтинг: 9.00 (1 голос) Платформа: Компас | Рб:
2
Курсовой проект - Проектирование двухступенчатого цилиндрического редуктора привода ленточного конвейера КП Курсовой проект - Проектирование двухступенчатого цилиндрического редуктора привода ленточного конвейера | Год выпуска: 2009
ДонНТУ / Кафедра ОПМ / Факультет: Механический / По дисциплине: «Детали машин» / По заданным режимам работы и принципиальной схеме, разрабатываются и проектируются составные части привода: электродвигатель, двухступенчатый редуктор, состоящий из корпуса, валов, зубчатых колес, подшипников качения, крышек и дополнительных конструктивных элементов, также подбираются и рассчитываются зубчатая и упругая втулочно-пальцевая муфты. Проводится расчет зубчатых колес на изгибную и контактную прочность, валов на сопротивление усталости, подшипников на долговечность. / Состав: 5 листов чертежи (редуктор А1, тихоходный А3, колесо зубчатое А3, крышка подшипника А3, шестерня А3) + ПЗ.
Дата: 7.8.09 14:20 | Поместил: Аноним | Размер: 631.79 KB | Скачали: 50 Платформа: Компас | Рб:
1
Курсовая работа - Двухступенчатый горизонтальный коническо-цилиндрический редуктор и цепная передача для привода ленточного конвейера КП Курсовая работа - Двухступенчатый горизонтальный коническо-цилиндрический редуктор и цепная передача для привода ленточного конвейера | Год выпуска: 2008
АМТИ(ф) "КубГТУ" / Проектируемый привод ленточного конвейера состоит из асинхронного электродвигателя исполнения, торообразной муфты, соединяющей вал электродвигателя с быстроходным валом коническо-цилиндрического редуктора. На тихоходном валу редуктора установлена звездочка цепной передачи, передающая вращательное движение от редуктора к приводу ленточного конвейера. / Состав: 4 листа чертежи + спецификации + ПЗ.
Дата: 16.7.09 16:26 | Поместил: Аноним | Размер: 1.19 MB | Скачали: 115 Платформа: Компас | Рб:
1
Курсовой проект - Привод цепного транспортера / Двухступенчатый цилиндрический редуктор КП Курсовой проект - Привод цепного транспортера / Двухступенчатый цилиндрический редуктор | Год выпуска: 2009
РГАТУ им. П. А. Соловьёва / Факультет авиатехнологический / Кафедра основ конструирования машин / по дисциплине «Детали машин и основы конструирования» / В пакете: пояснительная записка, общий вид редуктора, сборочный чертеж двухступенчатого редуктора, привод цепного транспортера, спецификации. чертеж корпуса редуктора, тихоходный вал, колесо зубчатое тихоходное, крышка подшипника, шкив.
Дата: 21.3.09 17:54 | Поместил: Аноним | Размер: 981.61 KB | Скачали: 103 Платформа: Компас | Рб:
2
Чертежи - Червячно-цилиндрический редуктор КП Чертежи - Червячно-цилиндрический редуктор | Год выпуска: 2003
ВолгГТУ / Графическая часть курсового проекта содержит 4 листа чертежи А1 (сборочный чертеж редуктора; деталировка: зубчатое колесо, крышка подшипника, тихоходный вал, червячный вал; корпус редуктора; общий вид привода) + спецификации. ПЗ отсутствует.
Дата: 20.3.09 06:58 | Поместил: Аноним | Размер: 1.87 MB | Скачали: 75 | Рейтинг: 6.00 (1 голос) Платформа: AutoCad | Рб:
1
Курсовой проект - Коническо-цилиндрический редуктор КП Курсовой проект - Коническо-цилиндрический редуктор | Год выпуска: 2006
УГТУ-УПИ / Состав: 4 листа чертежи (сборочный чертеж редуктора А1, общий вид привода А1, тихоходный вал А3, вал-шестерня А3) + спецификации + ПЗ.
Дата: 16.3.09 19:57 | Поместил: Аноним | Размер: 366.64 KB | Скачали: 60 Платформа: Компас | Рб:
1
Курсовой проект - Ленточный конвеер / Цилиндрический одноступенчатый косозубый редуктор КП Курсовой проект - Ленточный конвеер / Цилиндрический одноступенчатый косозубый редуктор | Год выпуска: 2008
ОГУ / Состав: Привод к скребковому конвейеру, Редуктор цилиндрический одноступенчатый, Компоновка цилиндрического одноступенчатого редуктора, Крышка глухая, Вал-шестерня, Колесо зубчатое + ПЗ
Дата: 6.2.09 10:20 | Поместил: Аноним | Размер: 1.62 MB | Скачали: 445 Платформа: Компас | Рб:
1
« К началу 1 2 3 Далее»
 
Cloudim - онлайн консультант для сайта бесплатно.