Добавить проект
Прочитать правила
Платный доступ
Авторизация:
Информация


Чертеж бульдозера  /  Wiki

Показать описание раздела

Чертеж бульдозера изображает внешний вид и общее внутреннее устройство этой машины, включая ее навесное оборудование: отвал, рыхлитель, откосник и т.п. Кроме того, каждый основной элемент обозначается и включается в отдельную спецификацию, размещаемую на чертеже.
Чертежи бульдозеров отображают, как правило, два основных базовых вида и множество их модификаций различных производителей: - на гусеничном ходу;
- на колесном ходу.
В свою очередь базовые виды различают по тому, каким образом осуществляется управление их отвалом. Поэтому на чертежах детально изображается одна из систем управления отвалом либо другим навесным оборудованием:
- гидравлическая, состоящая из цилиндров с поршнями и штоков крепления;
- механическая (канатно-блочная), включающая в себя канаты, блоки и лебедки;
- электромеханическая с электроприводом.
Чертеж бульдозера скачать просто, так же как и изучить с его помощью основные части этого механизма, способ их взаимодействия, крепления. Главными элементами, что определяются чертежами бульдозеров, являются:
- рамы, к которым подсоединяются рабочие инструменты;
- детали рам, которыми выступают боковые балки, стойки, раскосы;
- соединительные элементы, цапфы, закрепляющие системы балок к раме;
- отвал с различными укрепляющими сварными деталями (косынками, балками, ребрами жесткости, открылками);
- ножи отвала;
- болты для регулировки.
Помимо прочего чертежи отображают принципиальную конструктивную схему устройства бульдозера:
- нагрузка от основных частей бульдозера приходится на систему стоек, монтируемую на главной раме;
- продольные балки жестко связывают систему передних и задних стоек, обеспечивая для всей конструкции рамы необходимую несущую способность и запас прочности механизма.

Проекты содержащие в своем описании "Чертеж бульдозера". Подборка не содержит всех проектов, не нашли по метке воспользуйтесь поиском по каталогу проектов.
Курсовой проект - Разработка бульдозера – рыхлителя с неповоротным отвалом на базе бульдозера Liebherr NTB PR 724 КП Курсовой проект - Разработка бульдозера – рыхлителя с неповоротным отвалом на базе бульдозера Liebherr NTB PR 724 | Год выпуска: 2014
СЕВМАШВТУЗ / Цель курсового проекта разработка бульдозера – рыхлителя с неповоротным отвалом на базе бульдозера Liebherr NTB PR 724. Необходимо провести ряд расчётов: расчёт конструктивных параметров бульдозера; расчёт тягового баланса; расчёт элементов металлоконструкции отвала; расчёт объёмного гидропривода рабочего оборудования. / Состав: 3 листа чертежи (бульдозер, отвал, рыхлитель) + ПЗ.
Дата: 21.9.15 14:57 | Поместил: vippaul | Размер: 1.70 MB | Скачали: 18 Платформа: Компас | Рб:
2
Дипломный проект - Модернизация рабочего оборудования бульдозера на базе трактора Т - 500 ДП Дипломный проект - Модернизация рабочего оборудования бульдозера на базе трактора Т - 500 | Год выпуска: 2010
ВГАСУ / Кафедра СДМ / Бульдозер Т-500 – универсальная самоходная строительная машина. Бульдозеры этого семейства предназначены для разработки грунтов I-III категории без предварительного рыхления, грунтов IV категории с предварительным рыхлением, а также трещиноватых скальных пород и мерзлых грунтов, планировки площадок, отрывки котлованов, засыпки траншей, оврагов. Бульдозерная техника данного класса применяется также для расчистки дорог от снега. / Состав: 9 листов чертежи + ПЗ
Дата: 26.2.15 19:58 | Поместил: marhut | Размер: 4.06 MB | Скачали: 29 Платформа: AutoCad | Рб:
3
Курсовой проект - Бульдозер Т-170 КП Курсовой проект - Бульдозер Т-170 | Год выпуска: 2014
КГАСУ ИТС / Кафедра ДСМ / Дисциплина «Строительные и дорожные машины» / В данном проекте производится модернизация бульдозера путем установки на него подпружиненных ножей отвала. Таким образом, в связи с введением в конструкцию предлагаемого отвала подпружиненных секционных ножей за счет уменьшения потерь грунта при транспортировке и увеличения удельного напорного усилия резания увеличивается производительность бульдозерных работ. Все это дает возможность снизить затраты на проведение подготовительно-заключительных работ при строительстве. / 4 листа чертежи + ПЗ.
Дата: 9.2.15 16:43 | Поместил: rusl1992 | Размер: 1.18 MB | Скачали: 18 Платформа: Компас | Рб:
2
Курсовой проект - Расчёт бульдозера-планировщика KOMATSU - D85PX-15 КП Курсовой проект - Расчёт бульдозера-планировщика KOMATSU - D85PX-15 | Год выпуска: 2013
СПбГАСУ / Факультет автомобильно-транспортный / Кафедра наземных транспортно-технологических машин / по дисциплине «Машины для земляных работ» / Бульдозер – самоходная землеройная машина, представляющая собой гусеничный или колёсный трактор, тягач и т.п. с навесным рабочим органом – криволинейным в сечении отвалом (щитом), расположенным вне базы ходовой части машины. Служит для послойного копания, планировки и перемещения (на расстояние 60–300 м) грунтов, полезных ископаемых, дорожно-строительных и др. материалов при строительстве и ремонте дорог, каналов, гидротехнических и т.п. сооружений. / Состав: 2 листа чертежи + ПЗ.
Дата: 4.5.14 11:02 | Поместил: Аноним | Размер: 3.04 MB | Скачали: 19 Платформа: AutoCad | Рб:
1
Курсовой проект - Бульдозер - рыхлитель КП Курсовой проект - Бульдозер - рыхлитель | Год выпуска: 2013
Рыхлители предназначены для рыхления грунтов на больших площадях и полосах. Они применяются также для удаления из грунта крупных камней, взламывания старых дорожных одежд, мерзло грунта и т.п.Рабочее оборудование рыхлителя, которое состоит из зубьев и подвесной рамы, навешивается к корпусу заднего моста трактора и к его раме в трех или четырех точках. Зубья, как правило, к раме крепятся жестко. 2 листа чертежи + ПЗ.
Дата: 20.1.13 13:52 | Поместил: Аноним | Размер: 529.31 KB | Скачали: 50 Платформа: Компас | Рб:
2
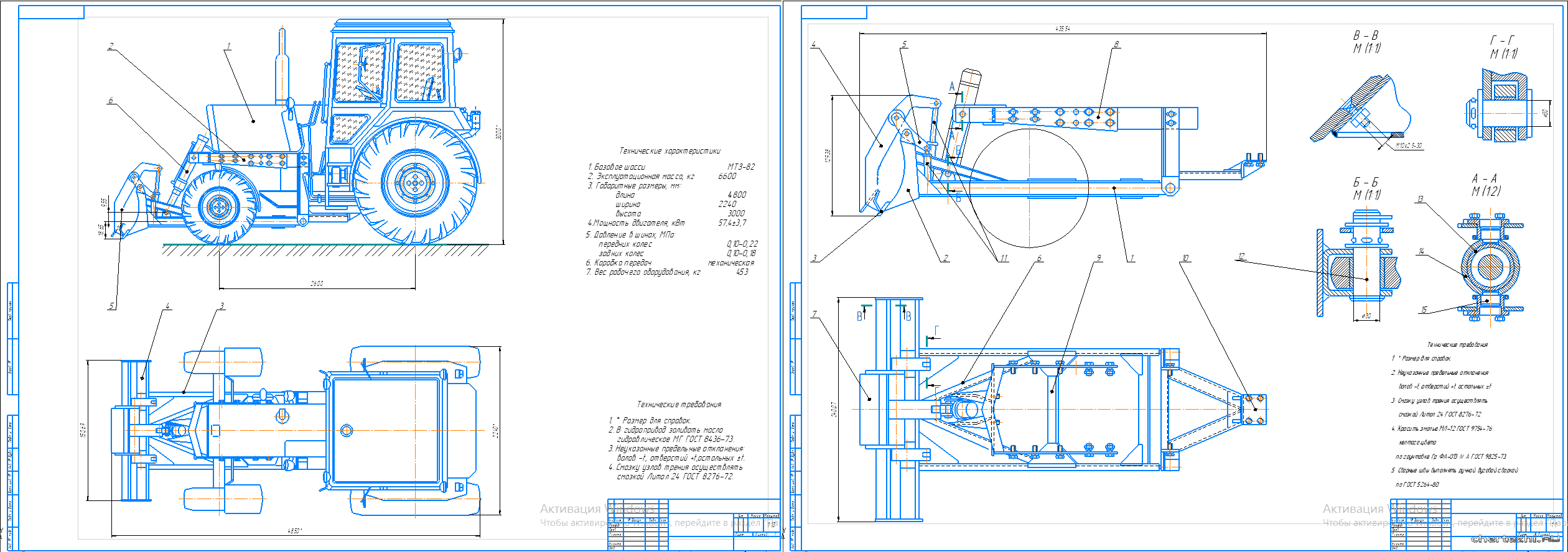
Курсовой проект - Бульдозер на базе трактора МТЗ-82 КП Курсовой проект - Бульдозер на базе трактора МТЗ-82 | Год выпуска: 2012
Проект по дисциплине "Машины для земляных работ". 4 листа чертежи (ОВ, гидравлическая схема, патентный поиск, РО бульдозера) + ПЗ.
Дата: 10.11.12 09:47 | Поместил: Аноним | Размер: 4.99 MB | Скачали: 93 Платформа: Компас | Рб:
2
Дипломная работа - Модернизация технического средства особо малого класса 3,2 кН на базе  ТС-350 ДП Дипломная работа - Модернизация технического средства особо малого класса 3,2 кН на базе ТС-350 | Год выпуска: 2010
МГУП. В данном дипломном проекте представлен проект машины универсального технического средства (УТС) ТС-350. Целью проекта явилось модернизация ТС-350 с задачами улучшения условия труда механизатора. Применение ТС-350 на строительстве. Здесь решались задачи транспортных работ, бульдозерного оборудования и прицепного коленчатого строительного подъемника. Представлены необходимые расчеты. Не изменялось базовая комплектация машины: двигатель, трансмиссия, ходовое устройство. Впервые на тележки было применено авто тракторное электрооборудование, установлена кабина, подрессорена сиденье, что значительно улучшело условия труда механизатора. Чертежи, пояснительная записка. 9 листов чертежи(область применения / рама усиленная / схема ТС-350 / подъемник и бетоносмеситель / прицеп и бульдозер / кузов / деталировка / улучшение труда / карта тех. обслуживания)+ ПЗ + спецификация.
Дата: 18.8.12 07:07 | Поместил: pangolin | Размер: 2.35 MB | Скачали: 78 Платформа: Компас | Рб:
3
Курсовой проект - Гидропривод бульдозера ДЗ-42Г (ДТ-75М) КП Курсовой проект - Гидропривод бульдозера ДЗ-42Г (ДТ-75М) | Год выпуска: 2012
ЗабГУ / В данном курсовом проекте был рассчитан гидропривод рабочего оборудования бульдозера ДЗ-42Г (ДТ-75М) / Состав: 2 листа чертежи (Схема гидравлических соединений А1, Схема принципиальная гидравлическая А1) + Пояснительная записка
Дата: 30.4.12 07:06 | Поместил: Аноним | Размер: 570.73 KB | Скачали: 40 Платформа: Компас | Рб:
1
Курсовой проект - Расчет отвала бульдозера КП Курсовой проект - Расчет отвала бульдозера | Год выпуска: 2011
ИжГТУ / Кафедра СДМ / по металлоконструкциям строительных машин / Состав: 3 листа чертежи (сборочные чертежи отвала, сборочный чертеж скребка) + спецификация + ПЗ.
Дата: 16.2.11 04:31 | Поместил: Аноним | Размер: 155.78 KB | Скачали: 50 Платформа: Компас | Рб:
1
Чертежи - Бульдозер с дополнительным отвалом на базе трактора Т-170 ДП Чертежи - Бульдозер с дополнительным отвалом на базе трактора Т-170 | Год выпуска: 2005
СибАДИ / Модернизация бульдозера путем добавления дополнительного отвала / Состав: 10 листов чертежи
Дата: 7.11.10 05:40 | Поместил: Аноним | Размер: 221.48 KB | Скачали: 129 Платформа: Компас | Рб:
2
Дипломный проект - Бульдозер-рыхлитель на базе Т-330 ДП Дипломный проект - Бульдозер-рыхлитель на базе Т-330 | Год выпуска: 2004
10 чертежей (Активный рабочий орган, бульдозер - рыхлитель, винтовой рабочий орган, гидросхема, общий вид Т-330, отвал поворотный, раскос и гидрораскос, толкающая рама, деталировка) + полная пояснительная записка.
Дата: 7.9.10 15:07 | Поместил: FVS | Размер: 2.76 MB | Скачали: 210 Платформа: Компас | Рб:
2
Дипломный проект - Бульдозер с управляемым средним ножом Т-130 ДП Дипломный проект - Бульдозер с управляемым средним ножом Т-130 | Год выпуска: 2010
Графическая часть - 8 основных листов, 5 деталей, спецификации, пояснительная записка.
Дата: 10.4.10 14:11 | Поместил: Аноним | Размер: 5.09 MB | Скачали: 158 | Рейтинг: 8.00 (1 голос) Платформа: AutoCad | Рб:
2
Курсовой проект - Бульдозер с неповоротным отвалом на базе Т-130 КП Курсовой проект - Бульдозер с неповоротным отвалом на базе Т-130 | Год выпуска: 2006
СибАДИ / Состав: 3 листа чертежи (Толкающий брус А2, Бульдозер А1, Отвал А4х4) + ПЗ без содержания
Дата: 21.3.10 04:59 | Поместил: Аноним | Размер: 161.58 KB | Скачали: 164 Платформа: Компас | Рб:
1
Чертежи - Бульдозер рыхлитель на базе Т-180 КП Чертежи - Бульдозер рыхлитель на базе Т-180 | Год выпуска: 2005
Курсовой по курсу СДМ. В данном проекте спроектировано бульдозерное и рыхлительное оборудование на базе трактора Т – 180, тягового класса - 15 ТС. В процессе проектирования были определены основные параметры отвала бульдозера и рыхлительного оборудования. 5 листов чертежи (крепление отвала / рыхлитель / втулка / палец / бульдозер). ПЗ отсутствует.
Дата: 12.1.10 04:20 | Поместил: Аноним | Размер: 237.39 KB | Скачали: 196 Платформа: Компас | Рб:
1
Курсовой проект - Бульдозер неповоротный Т-170 КП Курсовой проект - Бульдозер неповоротный Т-170 | Год выпуска: 2005
СибАДИ / 3 листа чертежи + ПЗ (тяговый расчет, расчет механизмов управления, расчет на прочность универсальной рамы
Дата: 9.11.07 09:56 | Поместил: Аноним | Размер: 521.75 KB | Скачали: 340 Платформа: Компас | Рб:
1
Cхема размещения и крепления бульдозера Komatsu РП Cхема размещения и крепления бульдозера Komatsu | Год выпуска: 2005
Схема размещения и крепления бульдозера KOMATSU D155AX-5 с частично демонтированным навесным оборудованием и ЗИП на ж.д. платформе.
Дата: 20.7.07 05:29 | Поместил: Аноним | Размер: 265.59 KB | Скачали: 383 Платформа: AutoCad | Рб:
1
Бульдозер РП Бульдозер
Бульдозер
Дата: 18.4.06 03:29 | Поместил: Аноним | Размер: 29.64 KB | Скачали: 372 Платформа: Автокад 2000 | Рб:
1
 
Cloudim - онлайн консультант для сайта бесплатно.