Добавить проект
Прочитать правила
Платный доступ
Авторизация:
Информация


Иностранные чертежи » Казахстан » Дипломные и курсовые работы » Машиностроение и механика » Просмотр раздела

Машиностроение и механика

Автомобильная отрасль
, Файлов: 55
Редукторы / Приводы
, Файлов: 29
Подъемные машины / краны
, Файлов: 8
Станки / Приспособления
, Файлов: 14
Строительные / Дорожные машины и оборудование
, Файлов: 12
Сельскохозяйственные машины и оборудование
, Файлов: 9
Конвейеры - ленточные, винтовые и т.д.
, Файлов: 3
Технология машиностроения
, Файлов: 31


Курстық жоба - Корпус-құбырлы жылу алмастырғышты есептеу (көлденең) Казахстан
КП
Курстық жоба - Корпус-құбырлы жылу алмастырғышты есептеу (көлденең) | Год выпуска: 2023
Семей қаласының Шәкәрім атындағы университеті" КЕАҚ / «Технологиялық жабдықтар және машинажасау» кафедрасы / Құрамы: 1 парақ сызба + Түсіндірме жазба.
Дата: 1.12.24 09:34 | Поместил: f1ne_143 | Размер: 1.02 MB | Скачали: 0 Платформа: Компас | Рб:
1
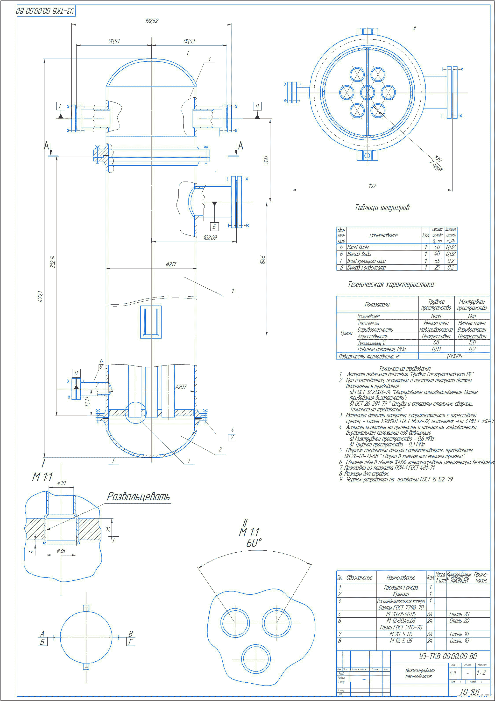
Курсовой проект - Кожухотрубный теплообменник (вертикальный) Казахстан
КП
Курсовой проект - Кожухотрубный теплообменник (вертикальный) | Год выпуска: 2023
НАО Университет имени Шакарима города Семей / Кафедра «Технологическое оборудование и машиностроение» / по дисциплине "Тепловые и массообменные процессы и аппараты пищевых производств" / Состав: 1 лист чертеж + ПЗ.
Дата: 18.11.24 07:13 | Поместил: f1ne_143 | Размер: 4.25 MB | Скачали: 0 Платформа: Компас | Рб:
1
Курсовая работа - Качающийся конвейер Казахстан
КП
Курсовая работа - Качающийся конвейер | Год выпуска: 2023
КарГТУ / ТММ / Кинематический анализ рычажного механизма и синтез зубчатого механизма. / Состав: 2 листа чертежи + ПЗ.
Дата: 30.11.23 16:09 | Поместил: Vasilek_2511 | Размер: 1.16 MB | Скачали: 1 Платформа: Компас | Рб:
1
Расчетно-графическая работа - Расчет рабочего колеса Казахстан
КП
Расчетно-графическая работа - Расчет рабочего колеса | Год выпуска: 2022
КУТИ имени Ш.Есенова / Гидромашины и компрессоры / Состав: 1 лист чертеж + ПЗ (8 страниц)
Дата: 10.5.23 19:52 | Поместил: nurbolatkyzyaliya | Размер: 64.13 KB | Скачали: 0 Платформа: AutoCad | Рб:
1
Курсовой проект - Проектирование и оптимизация центробежного насоса ЦНСМ 13-140 Казахстан
КП
Курсовой проект - Проектирование и оптимизация центробежного насоса ЦНСМ 13-140 | Год выпуска: 2018
Целью данного курсовой работы является проектирования и оптимизации центробежного насоса с полным проведением гидравлического и прочностного расчетов. Данная задача может быть решена многими способами с учётом конкретных, требуемых условий эксплуатации насосного оборудования с довольно высокой точностью и учётом многих, основополагающих параметров. / Состав: 2 листа чертежи + спецификация + ПЗ (54 страницы)
Дата: 22.1.23 13:53 | Поместил: azamat7778 | Размер: 5.14 MB | Скачали: 0 Платформа: AutoCad | Рб:
1
Курсовой проект - Привод ковшевого элеватора Казахстан
Курсовой проект - Привод ковшевого элеватора | Год выпуска: 2010
Проектируемый машинный агрегат служит приводом ковшового элеватора и может использоваться на предприятиях различного направления. Привод состоит из электродвигателя, вал которого через упругую муфту соединен с ведущим валом конического редуктора и открытой зубчатой цилиндрической передачи, ведомый вал которой является приводным валом конвейера. Проектируемый привод работает в 1 смену в нереверсивном режиме. Характер нагрузки - с малыми колебаниями. / Состав: 5 листов чертежи (Редуктор, Вал, Компоновка, Кинематическая схема, Колесо) + спецификация редуктора + ПЗ (29 страниц)
Дата: 24.3.22 15:00 | Поместил: xheljdfswe | Размер: 875.32 KB | Скачали: 0 Платформа: Компас | Рб:
1
Курсовой проект - Проектирование металлорежущего инструмента Казахстан
КП
Курсовой проект - Проектирование металлорежущего инструмента | Год выпуска: 2021
ҚарТУ / Каф. ТОМиС / Исходные данные : 1.Спроектировать фасонный резец в соответствии с заготовкой по варианту 23; 2. Спроектировать_хвостовой зуборезный долбяк по варианту 28 / Состав: 2 листа чертежи + ПЗ
Дата: 28.11.21 10:48 | Поместил: ruslan1909 | Размер: 1.09 MB | Скачали: 0 Платформа: Компас | Рб:
1
Курстық жоба - Тоғыстырғыш жобалау тетіктері Казахстан
Курстық жоба - Тоғыстырғыш жобалау тетіктері | Год выпуска: 2020
СҚМУ М.Қозыбаев / Құрамы: 3 сызба парағы (иінтіректі механизмдердің кинематикалық талдауы, иінтіректі механизмнің күштік талдауы, келтірілген күш моменттерінің және қарсылық күштерінің диаграммасы) + түсіндірме жазба.
Дата: 19.4.20 22:33 | Поместил: Asylbek9798 | Размер: 641.68 KB | Скачали: 0 Платформа: Компас | Рб:
1
Курсовой проект - Механизм переключателя автоматической системы Казахстан
Курсовой проект - Механизм переключателя автоматической системы | Год выпуска: 2019
КарГТУ / ФИТ / Кафедра Приборостроение / По дисциплине «Конструирование механизмов измерительных приборов» / Состав: 4 чертежи А4 + ПЗ
Дата: 25.4.19 17:37 | Поместил: Athletb0 | Размер: 1.39 MB | Скачали: 7 Платформа: AutoCad | Рб:
1
Курсовой проект - Проектирование участка цеха для изготовления детали корпус редуктора Казахстан
Курсовой проект - Проектирование участка цеха для изготовления детали корпус редуктора | Год выпуска: 2016
ЮКГУ им Ауезова / Кафедра: «Механика и машиностроение» / По дисциплине: «Основы проектирования механосборочных цехов» / Специальность: 5В071200 - Машиностроение / Состав: 2 листа чертежи + ПЗ
Дата: 2.6.18 08:10 | Поместил: bauka777 | Размер: 280.19 KB | Скачали: 3 Платформа: Компас | Рб:
1
1 2 Далее »
 
Cloudim - онлайн консультант для сайта бесплатно.