Добавить проект
Прочитать правила
Платный доступ
Авторизация:
Информация


Чертежи » Дипломные и курсовые работы » Инженерные системы » Теплоснабжение » Котельные » Просмотр раздела

Котельные

Фильтр по проектам:
Показать выполненные в CAD программе:
Вузы: (Котельные) Название Вуза с буквы:
     А     Б     В     Г     Д     И     К     Л     М     Н     О     П     Р     С     Сред.проф.зав.     Т     У     Ч     Ю     Я    Без фильтра
Фильтры по составу чертежей в файлах (Котельные)::
     Котел + Котельная     Котельные     Котлы     Схемы    Без фильтра
Курсовой проект - Тепловой расчет котла Е75-40К КП Курсовой проект - Тепловой расчет котла Е75-40К | Год выпуска: 2025
АГАСУ / Кафедра «Инженерные системы и экологии» / по дисциплине «Теплогенерирующие установки» / Состав: 2 листа чертежи (продольный и поперечный разрезы котла) + ПЗ (32 страницы).
Дата: 25.11.25 16:12 | Поместил: kos7an | Размер: 1.31 MB | Скачали: 0 Платформа: Компас | Рб:
1
Курсовой проект - Газоснабжение промышленного предприятия и применение котельного агрегата Е-35 КП Курсовой проект - Газоснабжение промышленного предприятия и применение котельного агрегата Е-35 | Год выпуска: 2024
СГТУ / Расчёт газоснабжения промышленного предприятия. Цель работы – изучить топливное хозяйство промпредприятия при снабжении его газом, подсчитать потребление газа предприятием, рассчитать межцеховые газопроводы, спроектировать внутрицеховые и обвязочные газопроводы. / Состав: 3 листа чертежи (чертёж котла Е-35 (2 листа), схема газоснабжения предприятия с ГРП) + ПЗ (21 страница)
Дата: 22.10.25 17:17 | Поместил: ggorinot | Размер: 361.31 KB | Скачали: 0 Платформа: Компас | Рб:
2
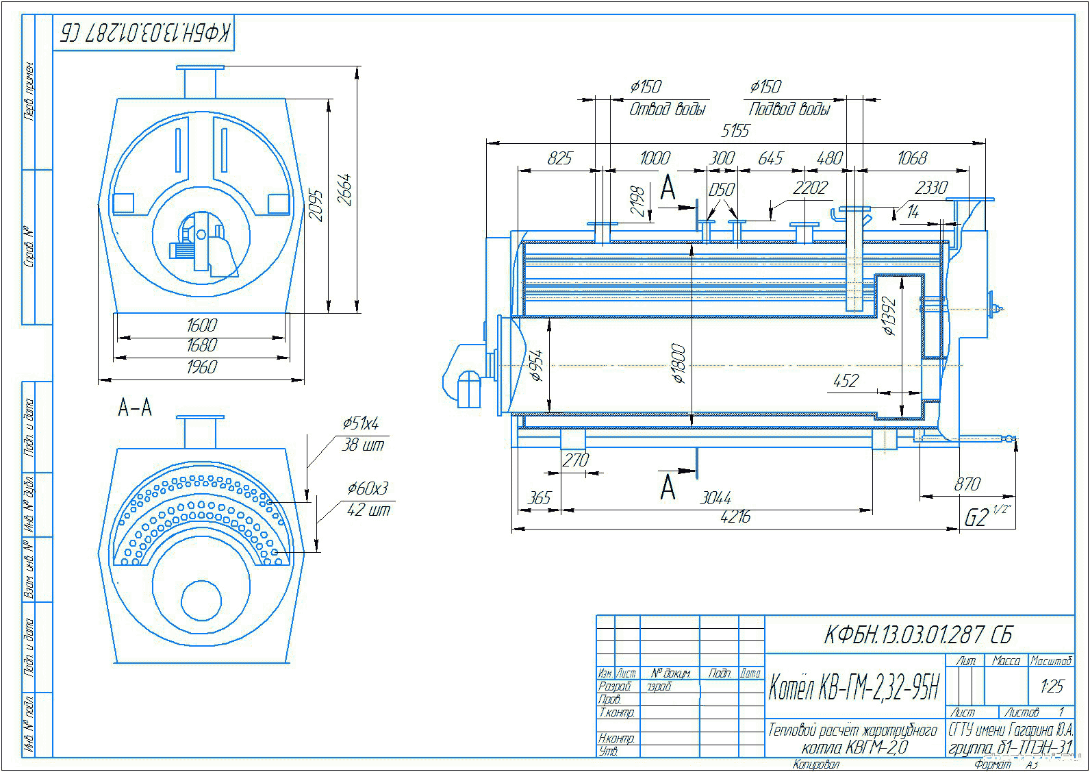
Курсовой проект - Тепловой расчёт жаротрубного котельного агрегата КВГМ-2,0 КП Курсовой проект - Тепловой расчёт жаротрубного котельного агрегата КВГМ-2,0 | Год выпуска: 2024
СГТУ / Цель работы — провести теплотехнический и конструктивный расчёт водогрейного котельного агрегата, работающего на природном газе, оценить параметры продуктов сгорания, рассчитать тепловые потери, определить тепловой баланс и конструктивные размеры топочных элементов. / Состав: 1 лист чертеж + ПЗ (34 страницы).
Дата: 22.10.25 17:10 | Поместил: ggorinot | Размер: 870.26 KB | Скачали: 0 Платформа: Компас | Рб:
1
Курсовой проект - Проектирование автоматизированной газовой котельной КП Курсовой проект - Проектирование автоматизированной газовой котельной | Год выпуска: 2021
ИСИ / Кафедра Теплогазоводоснабжение и вентиляция / Целью курсового проекта является проектирование автоматизированной газовой водогрейной котельной для административного сектора в городе Барнаул. / Состав: 6 листов чертежи + ПЗ (28 страниц).
Дата: 21.6.25 20:23 | Поместил: Spring | Размер: 1.42 MB | Скачали: 1 Платформа: AutoCad | Рб:
1
Курсовая работа - Компоновка главного здания ТЭС с паротурбинными установками, АЭС водоводяными энергетическими реакторами КП Курсовая работа - Компоновка главного здания ТЭС с паротурбинными установками, АЭС водоводяными энергетическими реакторами | Год выпуска: 2024
КГЭУ / Атомные и тепловые электрические станции / по дисциплине «Атомные и тепловые электрические станции» / Состав: 2 листа чертежи (компоновка главного корпуса, поперечный разрез главного корпуса) + ПЗ (36 страниц).
Дата: 10.6.25 11:59 | Поместил: NSCTP | Размер: 1.07 MB | Скачали: 0 Платформа: AutoCad | Рб:
1
Курсовой проект - Конструкторский расчёт котла с циркулирующим кипящим слоем КП Курсовой проект - Конструкторский расчёт котла с циркулирующим кипящим слоем | Год выпуска: 2023
НИУ "МЭИ" / Кафедра инновационных технологий наукоемких отраслей / по дисциплине "Котельные установки и парогенераторы" / Конструкторский расчёт котла с циркулирующим кипящим слоем и проектирование его основных элементов. / Состав: 3D-модель + детали + презентация + раздаточный материал + ПЗ (52 страницы в pdf).
Дата: 13.10.24 14:25 | Поместил: golubovandrey | Размер: 129.71 MB | Скачали: 0 Платформа: SolidWorks | Рб:
2
Курсовой проект - Расчет теплогенерирующей установки (котел КЕ-25-14С) КП Курсовой проект - Расчет теплогенерирующей установки (котел КЕ-25-14С) | Год выпуска: 2024
ВГТУ / Кафедра теплогазоснабжения и нефтегазового дела / по дисциплине «Теплогенерирующие установки» / В данной работе рассматривается расчет теплогенерирующей установки КЕ-25-14С, работающей на твердом топливе, весь расчет производился через excel с формулами. / Состав: 1 лист чертеж + ПЗ (27 страниц) + расчетный файл для упрощения расчета (в excel).
Дата: 29.5.24 11:03 | Поместил: whoisyulek | Размер: 999.92 KB | Скачали: 0 Платформа: AutoCad | Рб:
1
Курсовой проект - Тепловой расчет котельного агрегата ТП-90 КП Курсовой проект - Тепловой расчет котельного агрегата ТП-90 | Год выпуска: 2023
СГТУ им.Ю.А. Гагарина / Кафедра «Тепловая и атомная энергетика имени А.И.Андрющенко» / Тепловой расчет котельного агрегата, работающего на газе. Объектом исследования является котельный агрегат ТП-90. / Состав: 2 листа чертежи (продольный разрез топки и конвективной шахты, поперечный разрез топки и конвективной шахты) + ПЗ (52 страницы)
Дата: 16.2.24 11:17 | Поместил: alxes | Размер: 607.10 KB | Скачали: 1 Платформа: Компас | Рб:
1
Курсовой проект - Повышение энергетической и экологической эффективности котельной установки с котлами ДЕ-10-14ГМ КП Курсовой проект - Повышение энергетической и экологической эффективности котельной установки с котлами ДЕ-10-14ГМ | Год выпуска: 2023
ННГАСУ / Кафедра теплогазоснабжения / по дисциплине "Повышение энергетической и экологической эффективности систем теплогазоснабжения" / В работе определен расход топлива котельной установки. Определена экологическая оценка загрязнения воздушного и водного бассейна. Разработана схема очистки продуктов сгорания. Выполнен тепловой и конструктивный расчет поверхностного конденсационного теплообменника. Выполнен расчет предотвращенного экологического ущерба от загрязнения воздушного и водного бассейна. / Состав: 1 лист чертеж ((Принципиальная схема очистки выбросов котельной установки. Схема обезжелезивания конденсата. Чертеж водяного калорифера. Характеристика источника загрязнения. Характеристика загрязняющих выбросов в атмосферу) + ПЗ (54 страницы)
Дата: 11.2.24 10:39 | Поместил: chadaev1999 | Размер: 2.39 MB | Скачали: 0 Платформа: Компас | Рб:
1
Дипломный проект (колледж) - Система газоснабжения котельной в Ставропольском крае ДП Дипломный проект (колледж) - Система газоснабжения котельной в Ставропольском крае | Год выпуска: 2023
Политехнический колледж ШАИ(ф)ЮРГПУ / Проектирование системы газоснабжения котельной. / Состав: 5 листов чертежи А1 (План котельной на отметке 0.000, Разрез 1-1, 2-2, Аксонометрическая схема газопровода, Принципиальная схема ТКУ, Проект производства работ) + ПЗ (53 страницы) + презентация.
Дата: 27.1.24 09:26 | Поместил: olesya86 | Размер: 4.57 MB | Скачали: 0 Платформа: AutoCad | Рб:
5
 
Cloudim - онлайн консультант для сайта бесплатно.