Добавить проект
Прочитать правила
Платный доступ
Авторизация:
Информация


Курсовая технологии изготовления

  /  Метка
Показать описание раздела
Сборник проектов собран в ручную для метки "Курсовая технологии изготовления".
Подборка не содержит всех проектов, не нашли по метке воспользуйтесь поиском по каталогу проектов.
Курсовой проект - Технология изготовления детали "Шатун" КП Курсовой проект - Технология изготовления детали "Шатун" | Год выпуска: 2005
БГТУ им. В.Г. Шухова / по АПП / Состав: 2 листа чертежи (шатун, автоматическая линия ЛМ-301) + ПЗ.
Дата: 5.12.10 15:42 | Поместил: Аноним | Размер: 410.78 KB | Скачали: 140 Платформа: Компас | Рб:
1
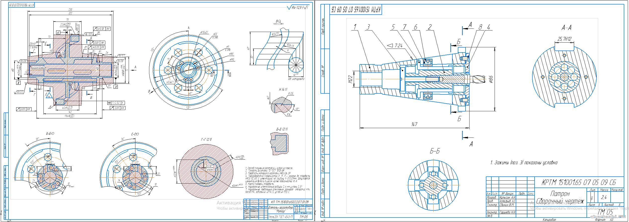
Курсовой проект - Изготовление детали "Ротор" КП Курсовой проект - Изготовление детали "Ротор" | Год выпуска: 2009
ЗабГУ / Курсовой по технологии машиностроения / Чертежи: 1. деталь- заготовка, 2.операционные эскизы, 3.схема сборки, 4.сборка, 5. спец патрон + ПЗ + операционные карты
Дата: 19.11.10 04:54 | Поместил: Аноним | Размер: 2.38 MB | Скачали: 78 Платформа: Компас | Рб:
1
Курсовой проект - Изготовление детали типа "Втулка" КП Курсовой проект - Изготовление детали типа "Втулка" | Год выпуска: 2010
Проект по тех.оснастке. Деталь «Втулка» является частью гидронасоса, предназначена для фиксации и закрепления на двигателе различного вида гибких подводок. То есть переходный элемент обеспечивающий плотность соединения и надежность закрепления коммуникаций. Деталь представляет собой тело вращения «втулку» имеющею на образующих одно конструкторское отверстие предназначенное для фиксации детали на двигателе, а так же выполняющее роль технологической базы при закрепление в приспособление. Деталь изготавливается из материал АЛ-9 методом литье в кокиль. 4 листа чертежи (детали А3, чертеж приспособления А1, чертеж заготовки А3, эскиз операций А3) + спецификация + ПЗ..
Дата: 5.10.10 14:25 | Поместил: Аноним | Размер: 229.14 KB | Скачали: 99 Платформа: Компас | Рб:
1
Курсовой проект - Технология автоматизированного изготовления детали " Вал" КП Курсовой проект - Технология автоматизированного изготовления детали " Вал" | Год выпуска: 2010
БРУ / Изготовление вала на станке ЧПУ. / Состав: 5 листов чертежи + ПЗ + операционные карты.
Дата: 13.7.10 18:31 | Поместил: pangolin | Размер: 579.56 KB | Скачали: 118 Платформа: Компас | Рб:
1
Курсовой проект - Автоматизированная линия по изготовлению деталей "Вал-шестерня" КП Курсовой проект - Автоматизированная линия по изготовлению деталей "Вал-шестерня" | Год выпуска: 2006
СевНТУ. Курсовой проект по автоматизации технологических процессов и производств. В проекте рассмотрены методы получения заготовки, спроектирована технологическая операция, выбрано оборудование, средства автоматизации и компоновка основного оборудования и средств автоматизации, также выбран ПЛК. В графической части представлены 5 листов чертежи: компоновка оборудования, робот, схват, электросхема и циклограмма работы + ПЗ.
Дата: 13.6.10 11:38 | Поместил: -YuriK- | Размер: 1.21 MB | Скачали: 117 Платформа: Компас | Рб:
1
Курсовой проект - Технология изготовления детали " Полумуфта" КП Курсовой проект - Технология изготовления детали " Полумуфта" | Год выпуска: 2008
СамГТУ / Кафедра ТМС / По дисциплине: «Технология машиностроения» / Данная деталь изготовлена из чугуна марки СЧ-20 ГОСТ 1412-85. В качестве заготовки выбрана отливка, полученная литьем в ПГФ. / Состав: чертежи (Автоматизация ТП А1, Полумуфта А2, Наладки технологические А1, Полумуфта (Отливка) А2, Сравнение ТП А1) + ПЗ
Дата: 6.6.10 19:40 | Поместил: Аноним | Размер: 722.59 KB | Скачали: 106 Платформа: Компас | Рб:
2
Курсовой проект -  Разработка технологического процесса изготовления зенкера-метчика в условиях единичного производства КП Курсовой проект - Разработка технологического процесса изготовления зенкера-метчика в условиях единичного производства | Год выпуска: 2009
МГТУ имени Н. Э. БАУМАНА / Кафедра МТ-2 / Состав: 3 листа технологии изготовления комбинированного инструмента зенкер-метчик(А1) + 1 лист патрон компенсирующий в радиальном и осевом направлении для метчика (А2)+ 1 лист универсальная делительная головка (А1)+ контрольное приспособление для комбинированного зенкер-метчика (А2) + ПЗ.
Дата: 31.5.10 10:02 | Поместил: Аноним | Размер: 974.60 KB | Скачали: 74 Платформа: Компас | Рб:
1
Курсовой проект - Расчет и проектирование технологического процесса и  штамповой оснастки для изготовления детали из  листового материала КП Курсовой проект - Расчет и проектирование технологического процесса и штамповой оснастки для изготовления детали из листового материала | Год выпуска: 2009
СГАУ Им. С.П. Королёва / 9 листов + ПЗ, спецификации.
Дата: 25.5.10 08:55 | Поместил: Аноним | Размер: 344.84 KB | Скачали: 77 Платформа: Компас | Рб:
1
Курсовой проект - Технологический процесс изготовления детали "Корпус гидрозамка погрузчика" КП Курсовой проект - Технологический процесс изготовления детали "Корпус гидрозамка погрузчика" | Год выпуска: 2009
ЮТИ ТПУ / по дисциплине Технология машиностроения / Состав: чертежи (Карта наладки А1 - 3 листа, Штамповка А3, Приспособление фрезерное А1) + ПЗ.
Дата: 23.5.10 09:55 | Поместил: Аноним | Размер: 571.36 KB | Скачали: 66 Платформа: Компас | Рб:
1
Курсовой проект - Разработать конструкцию отливки «Опора нижняя» из сплава СЧ18 и технологический процесс ее изготовления при крупносерийном производстве КП Курсовой проект - Разработать конструкцию отливки «Опора нижняя» из сплава СЧ18 и технологический процесс ее изготовления при крупносерийном производстве | Год выпуска: 2009
ПГУ / Кафедра «Машины и технология литейного производства» / по дисциплине «Технология литейного производства» / Состав: 7 листов чертежи (опора, отливка, стержневой ящик, форма в сборе, плита модельная средняя, нижняя, верхняя) + ПЗ (42 страницы).
Дата: 7.4.10 14:33 | Поместил: Аноним | Размер: 3.65 MB | Скачали: 73 Платформа: Компас | Рб:
2
Курсовой проект - Изготовление грибковой фрезы 25 mm КП Курсовой проект - Изготовление грибковой фрезы 25 mm | Год выпуска: 2010
МГТУ им. Н.Э. Баумана / Кафедра МТ2 / Грибковая фреза применяется при обработке корпуса из корозионностойкой жаропрочной стали. В данном курсовом проекте представлена маршрутная и операционная технология изготовления грибковой фрезы 25 мм, а также технологическая оснастка. / Состав: 5 листов чертежи (3 листа Технологии изготовления: операционные эскизы, режимы обработки и т.д.; 2 листа контрольно-измерительных приспособлений: оптическая делительная головка, прибор для контроля конусности рабочей части концевых фрез) + РПЗ.
Дата: 24.3.10 05:50 | Поместил: Sychev666 | Размер: 403.28 KB | Скачали: 89 | Рейтинг: 9.00 (1 голос) Платформа: Компас | Рб:
2
Курсовой проект (колледж) - Технологический процесс изготовления детали " Вал" КП Курсовой проект (колледж) - Технологический процесс изготовления детали " Вал" | Год выпуска: 2009
ЛПК / по технологии машиностроения / В курсовом проекте решались задачи по повышению качества, снижению себестоимости изготавливаемой детали, применению современного оборудования с ЧПУ и инструмента. / Состав: 3 листа чертежи (планировка участка механического цеха, вал, чертеж заготовки) + карты наладки + карта эскизов + ПЗ.
Дата: 21.3.10 08:35 | Поместил: Аноним | Размер: 907.40 KB | Скачали: 167 | Рейтинг: 9.00 (1 голос) Платформа: Компас | Рб:
1
Курсовой проект - Разработка технологического процесса изготовления детали «Чашечка» КП Курсовой проект - Разработка технологического процесса изготовления детали «Чашечка» | Год выпуска: 2010
СГАУ / по дисциплине «ТЕХНОЛОГИЯ ДЕТАЛЕЙ» / Разработка совмещенного штампа. Проект содержит: -Чертеж детали; -Чертеж совмещенного штампа; -Чертежи деталей штампа; -Спецификация; -Пояснительная записка с расчетами
Дата: 9.3.10 14:47 | Поместил: Аноним | Размер: 219.21 KB | Скачали: 52 Платформа: Компас | Рб:
1
Курсовой проект - Технологический процесс обработки "ведомого вала" цилиндрического редуктора КП Курсовой проект - Технологический процесс обработки "ведомого вала" цилиндрического редуктора | Год выпуска: 2009
ИжГТУ / Кафедра «Автомобили и металлообрабатывающее оборудование» / по дисциплине «Технология автомобилестроения» / Состав: 5 листов чертежи (узла, детали, заготовки, наладки на 3 станка) + спецификация + техпроцесс обработки + ПЗ (29 страниц).
Дата: 12.2.10 07:59 | Поместил: Аноним | Размер: 1.70 MB | Скачали: 183 Платформа: Компас | Рб:
1
Курсовой проект - Разработка технологического процесса для изготовления детали "Вал-шестерня" КП Курсовой проект - Разработка технологического процесса для изготовления детали "Вал-шестерня" | Год выпуска: 2007
ВлГУ.Деталь представляет собой вал-шестерню. Узел машины в который входит данная деталь может представлять собой редуктор, либо этот вал-шестерня непосредственно соединен с каким-либо звеном машины и приводит в движение вспомогательные агрегаты и узлы. Две поверхности длиной 44 мм 45 мм должны быть выполнены по 7 квалитету точности; Зубчатая поверхность длиной 61 мм 80 мм – степень точности 7-Х; Шпоночный паз длиной 36 мм, шириной 14 мм и глубиной 5,5 мм – по 9 квалитету точности; Остальные неуказанные предельные отклонения размеров по 14 квалитету точности.
Операции получения детали, по номерам маршрута представлены на чертежах
Дата: 18.12.09 21:20 | Поместил: MaxiSerg | Размер: 386.54 KB | Скачали: 202 Платформа: Компас | Рб:
1
Курсовой проект - Разработка технологического процесса изготовления детали "Коробка пружинная" КП Курсовой проект - Разработка технологического процесса изготовления детали "Коробка пружинная" | Год выпуска: 2008
К(ф)МГТУ им.Н.Э.Баумана / Кафедра: «Детали машин и подъемно-транспортное оборудование» К3-КФ / по "Технологии машиностроения" / Состав: 5 листов чертежи (инструмент(резец, фреза), гидрозажим групповой
с Г-образными прихватам, деталь и заготовка, чертежи технологических процессов) + операционные карты + маршрутные карты + ПЗ (26 страниц)
Дата: 11.12.09 07:31 | Поместил: Аноним | Размер: 1.24 MB | Скачали: 113 Платформа: Компас | Рб:
1
Курсовой проект - Разработка технологического процесса изготовления детали "Вал-шестерня" КП Курсовой проект - Разработка технологического процесса изготовления детали "Вал-шестерня" | Год выпуска: 2009
По технологии машиностроения / Состав: чертежи (см. скрин) + ПЗ
Дата: 3.12.09 17:36 | Поместил: Аноним | Размер: 430.25 KB | Скачали: 146 Платформа: AutoCad | Рб:
1
Курсовой проект - Технологический процесс изготовления "оси" КП Курсовой проект - Технологический процесс изготовления "оси" | Год выпуска: 2008
УГТУ-УПИ / Кафедра «Электронное машиностроение» / Задачей данного курсового проекта является разработка технологического процесса изготовления оси для единичного и мелкосерийного производства. Для единичного производства необходимо изготовить две детали; для мелкосерийного – десять штук. / Cостав: 3 листа чертежей + спецификация + ПЗ.
Дата: 7.5.09 17:23 | Поместил: Аноним | Размер: 251.20 KB | Скачали: 115 Платформа: Компас | Рб:
1
Чертежи - Технологический процесс изготовления детали "Шток" КП Чертежи - Технологический процесс изготовления детали "Шток" | Год выпуска: 2007
СПИМаш / Технология обработки детали. Чертеж детали, заготовки, маршрута обработки, без ПЗ.
Дата: 29.3.09 19:30 | Поместил: Аноним | Размер: 165.65 KB | Скачали: 125 Платформа: Компас | Рб:
1
Курсовой проект - Технологический процесс сборки узла «Фильтр», изготовления детали «Фланец», технологического процесса изготовления и сборки детали «Корпус», конструкции «Скальчатого кондуктора» КП Курсовой проект - Технологический процесс сборки узла «Фильтр», изготовления детали «Фланец», технологического процесса изготовления и сборки детали «Корпус», конструкции «Скальчатого кондуктора» | Год выпуска: 2005
МГТУ / Кафедра "Технология машиностроения" / Фильтр входит в состав блока насоса ЦНГ-1/20 и служит для очистки перекачиваемой жидкости. Деталь фланец входит в состав сборочной единицы фильтр. Фланец предназначен для надежного крепления фильтра с другими деталями при помощи винтового или шпилечного соединения. Для операции сверления разработаем приспособление - скальчатый кондуктор. Компоновка скальчатого кондуктора предназначена для обработки четырех отверстий во фланце. / 5 листов чертежи (Технологический процесс сборки фильтра, Базовый маршрутный технологический процесс, Маршрутные технологические процессы изготовления детали "Фланец", Разработка операционной технологии изготовления детали "Фланец", Разработка конструкции приспособления) + ПЗ.
Дата: 10.2.09 15:05 | Поместил: Аноним | Размер: 350.76 KB | Скачали: 123 Платформа: Компас | Рб:
1
« К началу 1 2 3 4 5 6 7 Далее»
 
Cloudim - онлайн консультант для сайта бесплатно.