Добавить проект
Прочитать правила
Платный доступ
Авторизация:
Информация


Чертежи » Рабочие проекты » Инженерные системы » Теплоснабжение » Котельные » Просмотр раздела

Проекты котельных

Фильтр по проектам:
Показать выполненные в CAD программе:
Мощность котельного оборудования (Р) выбрать::
     до 1 МВт     Дымовые трубы     от 1 до 5 МВт     от 10 и выше     от 5 до 10 МВт    Без фильтра
ТМ Котельная индивидуального жилого дома РП ТМ Котельная индивидуального жилого дома | Год выпуска: 2025
РД / Тепломеханические решения котельной ИЖД. / Состав: комплект чертежей + спецификация.
Дата: 25.12.25 05:26 | Поместил: Arsenid | Размер: 12.96 MB | Скачали: 1 Платформа: PDF | Рб:
2
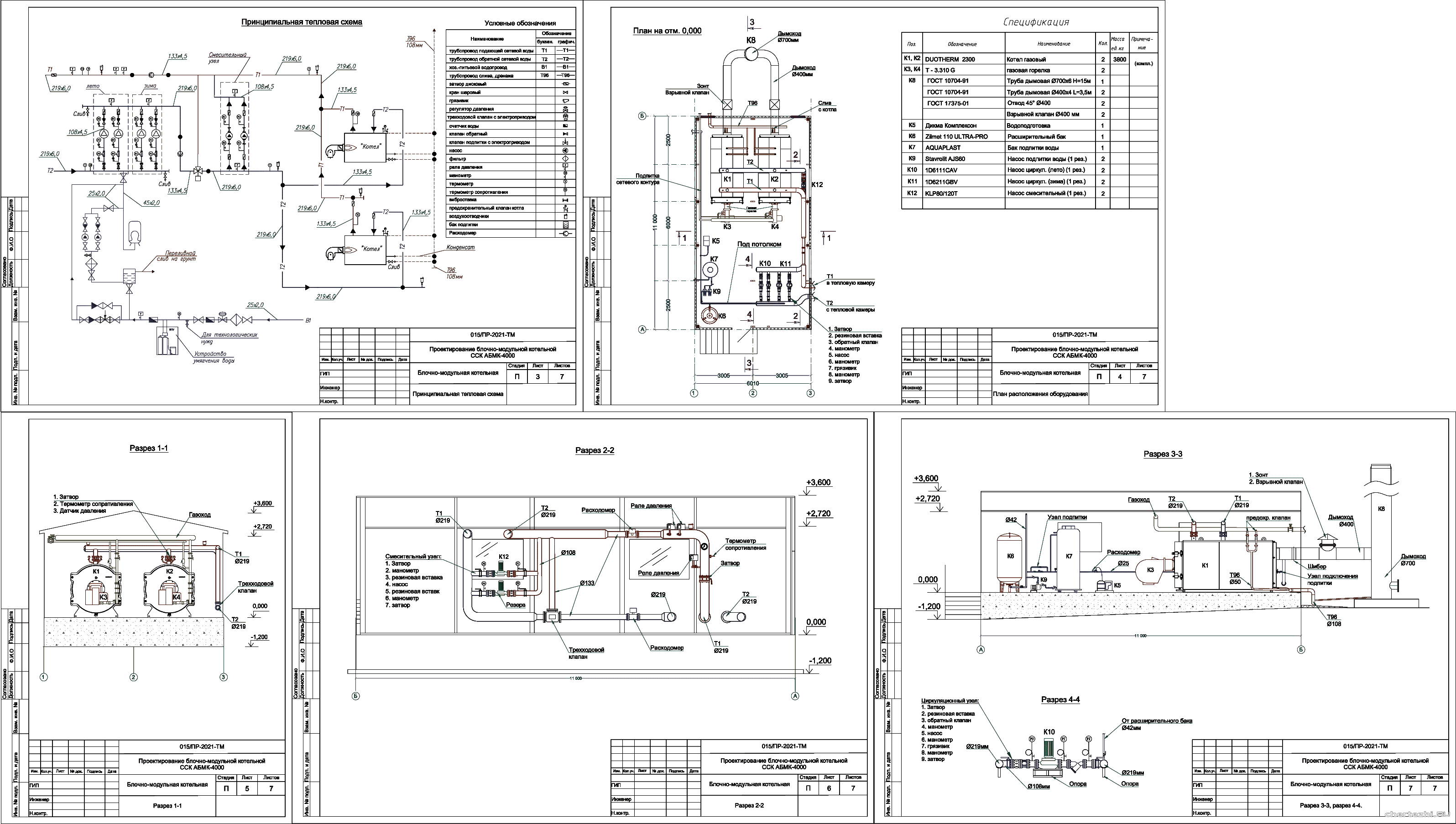
ТС ОВ ГСВ ВК АТМ Блочно-модульная котельная ССК АБМК-4000 РП ТС ОВ ГСВ ВК АТМ Блочно-модульная котельная ССК АБМК-4000 | Год выпуска: 2021
Р / Проект газовой котельной мощностью 4000 кВт для теплоснабжения двух 18-ти этажных жилых домов. / Состав: 5 комплектов чертежи + спецификации + чертежи АР(фасады, планы, разрезы).
Дата: 4.9.25 07:25 | Поместил: Liza72 | Размер: 5.39 MB | Скачали: 1 Платформа: AutoCad | Рб:
3
ТМ Блочно-модульная котельная 3 МВт РП ТМ Блочно-модульная котельная 3 МВт | Год выпуска: 2019
Р / Тепломеханические решения блочно-модульной котельной с котлами REX 140 и REX 120. / Состав: комплект чертежей + спецификация.
Дата: 6.11.24 12:02 | Поместил: Alfeya | Размер: 2.45 MB | Скачали: 3 Платформа: AutoCad | Рб:
1
ТМ ТХ ВК ОВ АС КМ КЖ МЗ АК СС ГСВ АГСВ Техническое перевооружение блочно-модульной водогрейной котельной аэропорта РП ТМ ТХ ВК ОВ АС КМ КЖ МЗ АК СС ГСВ АГСВ Техническое перевооружение блочно-модульной водогрейной котельной аэропорта | Год выпуска: 2020
Р / Климатический район - 1 Б. Расчетная зимняя температура наружного воздуха - 46 оС. Расчетная температура внутри зданий котельной + 18оС. / Состав: 13 комплектов чертежей (ТМ - 8 листов, ТХ - 4 листа, ВК - 7 листов, ОВ - 2 листа, ТХ.Топливоподача - 6 листов, АС - 6 листов, КМ - 12 листов, КЖ - 1 лист, МЗ - 1 лист, АК - 35 листов, СС - 3 листа, ГСВ - 9 листов, АГСВ - 3 листа) + ПЗ общая. Комплекты без спецификаций.
Дата: 21.10.24 12:26 | Поместил: Zigmund | Размер: 8.57 MB | Скачали: 1 Платформа: AutoCad | Рб:
7
ТМ Котельная мощностью 5,3 МВт РП ТМ Котельная мощностью 5,3 МВт | Год выпуска: 2024
Стадия Р / Проектом предусматриваются тепломеханические решения блочно-модульной котельной мощностью 5,3 МВт с тремя котлами мощностью по 1600 кВт и одним котлом мощностью 500 кВт. Тн -28С / Состав: комплект чертежей + Спецификация
Дата: 6.5.24 07:57 | Поместил: Alfeya | Размер: 6.71 MB | Скачали: 3 Платформа: AutoCad | Рб:
3
ТМ ГСВ ОВ ВК Блочно-модульная котельная 3,7 МВт РП ТМ ГСВ ОВ ВК Блочно-модульная котельная 3,7 МВт | Год выпуска: 2023
Р / Блочно-модульная газовая котельная с двумя котлами Дорогобуж-1000 и двумя котлами Дорогобуж 850 для теплоснабжения жилых домов в МО. / Состав: 4 комплекта чертежей (NV - 16 чертежей, ГСВ - 9 листов чертежей, ОВ - 8 листов чертежей, ВК - 9 листов чертежей) + спецификации.
Дата: 12.1.24 08:09 | Поместил: yanky87 | Размер: 68.00 MB | Скачали: 2 Платформа: AutoCad | Рб:
5
ТМ Котельной в частном доме в Ленинградской области РП ТМ Котельной в частном доме в Ленинградской области | Год выпуска: 2022
Р / Тепломеханические решения котельной в частном доме, создание основной и дополнительной системы отопления ИЖД. / Состав: комплект чертежей + спецификация.
Дата: 19.5.23 11:08 | Поместил: Aywar | Размер: 1.80 MB | Скачали: 5 Платформа: AutoCad | Рб:
1
ТМ Паровая котельная 1,75 тонны п/ч РП ТМ Паровая котельная 1,75 тонны п/ч | Год выпуска: 2020
Р / Тепломеханические решения паровой котельной 1,75 тонны пара в час. / Состав: комплект чертежей + спецификация.
Дата: 27.4.23 09:58 | Поместил: ir-rizvanov | Размер: 7.16 MB | Скачали: 8 Платформа: AutoCad | Рб:
2
ТМ Теплогенераторная в г. Зеленоградск РП ТМ Теплогенераторная в г. Зеленоградск | Год выпуска: 2021
Р / Проект разрабатывался для небольшой теплогенераторной мощностью 255 кВт. Объект - действующий. / Состав: комплект чертежей + спецификация
Дата: 19.12.22 20:26 | Поместил: Vyacha13 | Размер: 10.21 MB | Скачали: 2 Платформа: AutoCad | Рб:
1
ТМ ЭОМ АГСВ ГСВ Капитальный ремонт котельной 2 котла Микро 95 (монтаж системы автономного отопления) РП ТМ ЭОМ АГСВ ГСВ Капитальный ремонт котельной 2 котла Микро 95 (монтаж системы автономного отопления) | Год выпуска: 2021
Стадия П / Максимальный расход газа на котельную составляет 2,076 м3/ч. / Состав: 4 комплекта чертежей без спецификаций
Дата: 25.8.22 11:39 | Поместил: dille | Размер: 2.74 MB | Скачали: 2 Платформа: AutoCad | Рб:
1
Показать описание раздела:
Проект котельной разрабатывается при её строительстве, реконструкции, а также при техническом перевооружении. Исходными данными являются: тип помещения, место размещения, необходимая мощность, вид топлива для котельной, проекты систем водоснабжения, отопления и вентиляции.
Типовой проект котельной имеет следующее содержание:
­- общие сведения;
­- пояснительная записка;
­- раздел ТМ;
­- подбор оборудования и материалов;
­- спецификация;
­- план здания/помещения с расстановкой оборудования;
­- описание здания и его элементов (назначение, стройматериалы, тип строение);
­- технологии производства тепла с указания вида топлива;
­- принципиальная схема теплоснабжения;
­- план системы теплоснабжения;
­- чертежи приточно-вытяжной вентиляции;
­- проект электропитания;
­- технико-экономические показатели работы котельной;
­- охрана окружающей среды;
­- сметные расчеты.
Раздел проекта ТМ содержит: тепловые нагрузки с указанием их параметров, принципиальные схемы котельных; расчетную часть, на основании которых подбираются бойлера и выполняется расчет дымовой трубы.
Проект частной котельной может предполагать несколько вариантов её размещения: в самом доме, в виде пристроя, отдельно стоящее здание. Это определяется на основании необходимой мощности, виде топлива и требований по безопасности.
Проект газовой котельной в случае проведения техперевооружения, кроме всех вышеперечисленных сведений предполагает раздел системы газоснабжения: расчеты, описательную часть, чертежи.
При строительстве или реконструкции газовой котельной проектирование предусматривает разделы: системы газоснабжения, отопления и вентиляции, водоснабжения и канализации. Также при проектировании газовой котельной указывается наличие газоиспользующего оборудовании, газопровода, его протяженность, наличие или монтаж газорегуляторной установки, защита от коррозии.
Проект строительства котельной можно условно бесплатно скачать на нашем сайте chertezhi.ru, в популярных программах для разработки котельных, dwg для AutoCad и Компас.
 
Cloudim - онлайн консультант для сайта бесплатно.