Добавить проект
Прочитать правила
Платный доступ
Авторизация:
Информация


Чертежи » Дипломные и курсовые работы » Машиностроение и механика » Производственные процессы » Термообработка материалов » Просмотр раздела

Термообработка материалов

Фильтр по проектам:
Показать выполненные в CAD программе:
Научно-исследовательская работа - Разработка автоматического механизма перемещения ковша для кокиля КП Научно-исследовательская работа - Разработка автоматического механизма перемещения ковша для кокиля | Год выпуска: 2025
МГТУ им.Н.Э.Баумана / Кафедра «Литейные технологии» (МТ5) / В данной работе были рассмотрены манипулятор смазчик и манипулятор съема отливок для машины литья под давлением. Основная цель работы – проектирование и расчет рабочих характеристик манипуляторов, составление тактограммы работы всего комплекса. / Состав: 3D-модели + 5 листов чертежи + сборка - спецификация + ПЗ (40 страниц).
Дата: 13.10.25 07:04 | Поместил: yyz5651 | Размер: 11.75 MB | Скачали: 0 Платформа: Компас | Рб:
5
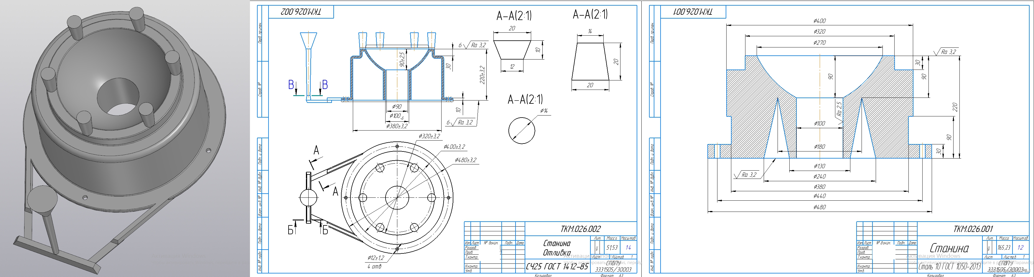
Курсовой проект - Литье детали "станина" КП Курсовой проект - Литье детали "станина" | Год выпуска: 2025
СПБПУ / ИММИТ/ по дисциплине «Технология конструкционных материалов» / Вариант 26 / Спроектировать литьевую форму для детали "Станина", предварительно анализировав ее. / Состав: 8 листов чертежи (выбор плоскости, деталь, деталь с литниковой системой, литьевая форма, стержень, стержневой ящик) + 3D-модели + ПЗ (11 страниц).
Дата: 4.10.25 14:21 | Поместил: Nikita343 | Размер: 4.70 MB | Скачали: 0 Платформа: Компас | Рб:
2
Дипломный проект (колледж) - Модернизация электрической печи сопротивления в целях оптимизации рабочих процессов ДП Дипломный проект (колледж) - Модернизация электрической печи сопротивления в целях оптимизации рабочих процессов | Год выпуска: 2022
Целью выпускной квалификационной работы является модернизация для выплавки электростали с наименьшими энергозатратами для предприятия. / Состав: 5 листов чертежи (печь (ВО), механизм передвижения электродов, схема гидравлическая принципиальная панелей регулятора мощности, схемы высокого и низкого напряжения) + ПЗ (42 страницы) + доклад.
Дата: 21.11.23 21:05 | Поместил: Volganin | Размер: 1.36 MB | Скачали: 1 Платформа: Компас | Рб:
4
Курсовая работа - Расчет пламенной методической печи КП Курсовая работа - Расчет пламенной методической печи | Год выпуска: 2021
БГТУ им.В.Г.Шухова / Кафедра «Энергетика теплотехнологии» / по дисциплине «Высокотемпературные теплотехнологические процессы и установки» / Расчет высокотемпературной теплотехнологической установки / Состав: 1 лист чертеж + ПЗ (59 страниц).
Дата: 16.4.22 17:29 | Поместил: EvgeniyT | Размер: 2.76 MB | Скачали: 0 Платформа: AutoCad | Рб:
1
Курсовой проект - Технология изготовления отливки "Корпус главного цилиндра" КП Курсовой проект - Технология изготовления отливки "Корпус главного цилиндра" | Год выпуска: 2019
НГТУ им.Р.Е.Алексеева / Кафедра «Металлургические технологии и оборудование» / по дисциплине «Технология литейного производства» / Для детали «Корпус главного цилиндра» изготавливаемой из серого чугуна марки СЧ18 ГОСТ1412-85 литьём в песчано-глинистые формы и массовом производстве разработана технология изготовления литейной формы и отливки. / Состав: 4 листа чертежи (Технология, Форма в сборе вид на нижнюю полуформу, разрез формы в сборе, плита низа) + спецификации + ППЗ (60 страниц).
Дата: 8.4.22 17:41 | Поместил: ivan52 | Размер: 1.59 MB | Скачали: 2 Платформа: AutoCad | Рб:
1
Курсовой проект - Технология изготовления отливки коробка сателлитов дифференциала правая из ВЧ50 КП Курсовой проект - Технология изготовления отливки коробка сателлитов дифференциала правая из ВЧ50 | Год выпуска: 2017
НГТУ им.Р.Е.Алексеева / Кафедра «Металлургические технологии и оборудование» / по дисциплине «Технология литейного производства» / Для детали «Коробка сателлитов дифференциала правая» изготавливаемой из высокопрочного чугуна марки ВЧ50 ГОСТ7293-85 при литье в песчано-глинистые формы и массовом производстве разработать технологию изготовления литейной формы и отливки. / Состав: 5 листов чертежи (Технология, форма в сборе, форма в сборе разрез, плита низа, стержневой ящик) + 3D-модель + спецификация + ПЗ (53 страницы).
Дата: 8.4.22 17:14 | Поместил: ivan52 | Размер: 7.87 MB | Скачали: 0 Платформа: AutoCad | Рб:
2
Курсовой проект - Выбивная инерционная решетка КП Курсовой проект - Выбивная инерционная решетка | Год выпуска: 2014
БГТУ / Кафедра "Машиностроение и материаловедение" / Расчет и проектирование выбивных решеток, применяемых в литейных цехах. / Состав: 9 листов чертежи (общий вид установки, привод решетки, вал эксцентриковый, вал, крышки, шкив ведомый, корпус решетки, шкив ведущий) + спецификация + ПЗ (16 страниц).
Дата: 16.3.22 13:26 | Поместил: lpim-bra | Размер: 616.43 KB | Скачали: 1 Платформа: Компас | Рб:
2
Курсовой проект - Барабан галтовочный КП Курсовой проект - Барабан галтовочный | Год выпуска: 2017
БГТУ / Кафедра "Машиностроение и материаловедение" / Курсовое проектирование выполняется с целью закрепления теоретических навыков инженерного анализа, теоретического расчета и проектирования процессов и аппаратов технологии литейных материалов и изделий. / Состав: 7 листов чертежи (Барабан галтовочный D=500 (ВО), барабан, рама, цапфа, стенка боковая, обечайка, цапфа) + спецификация + ПЗ (16 страниц).
Дата: 20.9.21 11:51 | Поместил: lpim-bra | Размер: 621.81 KB | Скачали: 2 Платформа: Компас | Рб:
2
Курсовой проект - Сито вибрационное КП Курсовой проект - Сито вибрационное | Год выпуска: 2021
БГТУ / Кафедра "Машиностроение и материаловедение" / по дисциплине «Оборудование литейных цехов» / В данном курсовом проекте разработана конструкция вибрационного сита производительность 7м3/ч, приведены расчеты необходимой частоты вращения эксцентрикового вала, необходимой для просева отработанной формовочной смеси, выбран привод, рассчитан ременной редуктор клиноременной передачи. / Состав: 6 листов чертежи (Сито вибрационное (ВО), Корпус сита, Вал эксцентриковый, Корпус подшипника, Вал, Крышка сквозная) + спецификации + ПЗ (23 страницы).
Дата: 19.9.21 10:04 | Поместил: lpim-bra | Размер: 1.07 MB | Скачали: 1 Платформа: Компас | Рб:
3
Дипломный проект - Разработка конструкции вакуумно-дугового испарителя с составным катодом ДП Дипломный проект - Разработка конструкции вакуумно-дугового испарителя с составным катодом | Год выпуска: 2020
МГТУ им. Н. Э. Баумана / Кафедра:"Высокотехнологичные плазменные и энергетические установки" / По дисциплине: "Плазменные устройства нанесения покрытий" / Объектом разработки является вакуумно-дуговой испаритель с составным катодом для напыления титана, меди и хрома. / Состав: 11 листов чертежи + ПЗ + Спецификации (Сборочный чертеж вакуумно-дугового испарителя; Составного катода, Составной нейтральной вставки) + Схемы (взрыв-схема; схема вакуумная; схема гидравлическая.) + Листы (лист с экспериментом, лист с тепловым расчетом, лист с магнитным расчетом) + Файлы расчетные (магнитный расчет в Comsol Multiphysics 5.3, тепловой расчет в Ansys 19); + Сборки 3D моделей (сборка катодный узел (цельный катод) (30 деталей), сборка нейтральной вставки (2 детали), сборка составного катода (4 детали))
Дата: 13.9.20 13:17 | Поместил: borvik | Размер: 82.08 MB | Скачали: 1 Платформа: Компас, SolidWorks | Рб:
8
 
Cloudim - онлайн консультант для сайта бесплатно.