Добавить проект
Прочитать правила
Платный доступ
Авторизация:
Информация


Курсовая технологические процессы

  /  Метка
Показать описание раздела

Рентабельность производства зависит от последовательности выполнения операций, которые связаны с изменением формы, размеров, и других характеристик, для получения требуемых. Этот перечень операций, которые располагаются в строгой последовательности, называется технологический процесс. Курсовая работа используется для обучения, анализа, переработки и использования документов для выполнения проектов, согласно ТЗ. На сайте предлагаются проекты по разработке техпроцессов обработки деталей методом:
- механической обработки;
- восстановления и ремонта;
- отливки и штамповки;
- термической обработки;
- холодной прокатки;
- сборки;
- сварки и др.
Курсовая технологические процессы выполняется при наличии в ТЗ исходных требований. На выбор хода и вида операций, вида инструмента, влияют разные факторы.
Необходимая информация для разработки техпроцесса:
- чертеж с информацией о детали: материале, размерах, характеристиках чистоты и точности изготовления, показателях твердости материала и др.;
- объем выпуска продукции за год, на основании чего определяется уровень производства – опытный, единичный, серийный или массовый;
- каталог оборудования;
- типовые техпроцессы для данной группы деталей, например, детали вращения;
- стандарты и справочники: по ТУ на оборудование, инструмент, по расчету режимов резания и норм времени и пр.
Курсовая разработка технологического процесса состоит из нескольких этапов. Для механической обработки выбирается способ получения заготовки. Это – штамповка, точное литье или калиброванный пруток, в зависимости от серийности производства. Для других процессов определяются комплектующие, подготовительные работы: мойка, обезжиривание перед сваркой, зачистка, нормализация и т.п.
Курсовая работа разработка технологического процесса определяет также следующие этапы:
1) определение способа и последовательности изготовления;
2) расчет величины снимаемого материала в каждом переходе операции, для механической обработки;
3) выбор оборудования, подбор или проектирование инструментов и оснастки, для каждой операции;
4) выполнение необходимых расчетов – режимов резания, температурных режимов и пр.;
5) определение способа контроля, необходимого инструмента и приспособлений;
6) разработка технологической документации с операционными и маршрутными картами.
Курсовая работа на тему технологический процесс включает в себя пояснительную записку, в которой приводятся расчеты, обоснования, необходимые пояснения. Это – расчеты технологичности детали, экономические расчеты, условия техники безопасности и другие вопросы.

Сборник проектов собран в ручную для метки "Курсовая технологические процессы".
Подборка не содержит всех проектов, не нашли по метке воспользуйтесь поиском по каталогу проектов.
Отфильтровать по группе:
          
Отметьте галочками нужную группу проектов для показу по назначению (КП - курсовой, ДП - дипломный, РП - рабочий проект), и нажмите "ок" по умолчанию показаны все группы.

Курсовой проект - Разработка технологического процесса механической  обработки детали “Зубчатое колесо” КП Курсовой проект - Разработка технологического процесса механической обработки детали “Зубчатое колесо” | Год выпуска: 2009
МГУПИ. По дисциплине “Технология машиностроения”. Базовая информация: - чертеж детали; - материал детали – сталь 20Х ГОСТ 4543-88; - программа выпуска детали N=10000 шт.; - режим работы предприятия – двухсменный. 5 листов чертежи (Зубофрезерное приспособление с пневмоприводом / карта эскизов маршрута обработки / Карта эскизов наладки операций / Колесо зубчатое / Приспособление потрон мембранный) + ПЗ.
Дата: 16.3.10 19:56 | Поместил: Аноним | Размер: 912.76 KB | Скачали: 230 Платформа: AutoCad | Рб:
2
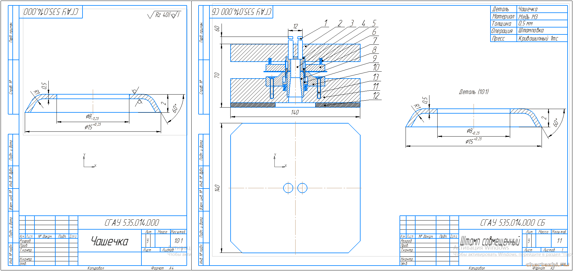
Курсовой проект - Разработка технологического процесса изготовления детали «Чашечка» КП Курсовой проект - Разработка технологического процесса изготовления детали «Чашечка» | Год выпуска: 2010
СГАУ / по дисциплине «ТЕХНОЛОГИЯ ДЕТАЛЕЙ» / Разработка совмещенного штампа. Проект содержит: -Чертеж детали; -Чертеж совмещенного штампа; -Чертежи деталей штампа; -Спецификация; -Пояснительная записка с расчетами
Дата: 9.3.10 14:47 | Поместил: Аноним | Размер: 219.21 KB | Скачали: 52 Платформа: Компас | Рб:
1
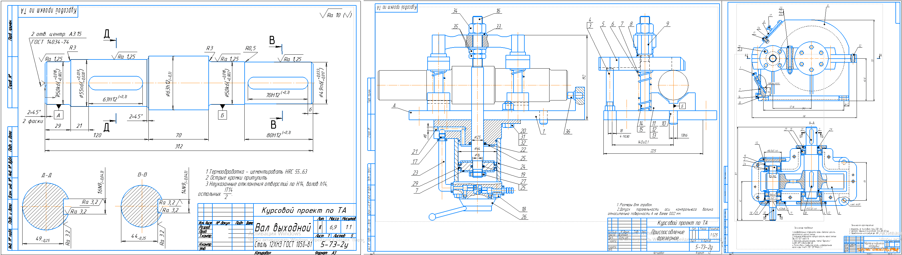
Курсовой проект - Технологический процесс обработки "ведомого вала" цилиндрического редуктора КП Курсовой проект - Технологический процесс обработки "ведомого вала" цилиндрического редуктора | Год выпуска: 2009
ИжГТУ / Кафедра «Автомобили и металлообрабатывающее оборудование» / по дисциплине «Технология автомобилестроения» / Состав: 5 листов чертежи (узла, детали, заготовки, наладки на 3 станка) + спецификация + техпроцесс обработки + ПЗ (29 страниц).
Дата: 12.2.10 07:59 | Поместил: Аноним | Размер: 1.70 MB | Скачали: 183 Платформа: Компас | Рб:
1
Курсовой проект - Технологический процесс обработки вала редуктора КП Курсовой проект - Технологический процесс обработки вала редуктора | Год выпуска: 2009
ИжГТУ / Цель проекта - Разработать технологический процесс обработки ведомого вала цилиндрического редуктора.
Дата: 10.2.10 16:46 | Поместил: Аноним | Размер: 4.48 MB | Скачали: 152 Платформа: Компас | Рб:
1
Курсовая работа - Разработка технологического процесса для детали "Фланец" крепления карданного шарнира КПП ЯМЗ 238П КП Курсовая работа - Разработка технологического процесса для детали "Фланец" крепления карданного шарнира КПП ЯМЗ 238П | Год выпуска: 2009
ИжГТУ / Дисциплина "Технология автомобилестроения" / Метод получения заготовки: штамповка на прессах. Наименование детали: фланец крепления карданного шарнира. Материал: Сталь 40Х. / 5 листов чертежи(чертёж приспособления; чертёж технологических наладок; чертёж детали; чертёж заготовки; размерный анализ) + спецификация + ПЗ.
Дата: 10.2.10 07:28 | Поместил: Аноним | Размер: 3.14 MB | Скачали: 124 Платформа: Компас | Рб:
1
Курсовая работа - Технологический процесс механической обработки детали "Коническая шестерня" КП Курсовая работа - Технологический процесс механической обработки детали "Коническая шестерня" | Год выпуска: 2005
ЛГТУ / проект по технологии автотракторостроения / по технологии и проектированию конической шестерни главной передачи для семейства тракторов Т-40 / Состав проекта: Чертежи (Заготовка А4, 5 операций карта, Гидропластмассовая оправка А2, Шестерня коническая ведомая А2), спецификация + ПЗ.
Дата: 19.12.09 14:30 | Поместил: Аноним | Размер: 5.87 MB | Скачали: 104 Платформа: Компас | Рб:
1
Курсовой проект - Разработка технологического процесса для изготовления детали "Вал-шестерня" КП Курсовой проект - Разработка технологического процесса для изготовления детали "Вал-шестерня" | Год выпуска: 2007
ВлГУ.Деталь представляет собой вал-шестерню. Узел машины в который входит данная деталь может представлять собой редуктор, либо этот вал-шестерня непосредственно соединен с каким-либо звеном машины и приводит в движение вспомогательные агрегаты и узлы. Две поверхности длиной 44 мм 45 мм должны быть выполнены по 7 квалитету точности; Зубчатая поверхность длиной 61 мм 80 мм – степень точности 7-Х; Шпоночный паз длиной 36 мм, шириной 14 мм и глубиной 5,5 мм – по 9 квалитету точности; Остальные неуказанные предельные отклонения размеров по 14 квалитету точности.
Операции получения детали, по номерам маршрута представлены на чертежах
Дата: 18.12.09 21:20 | Поместил: MaxiSerg | Размер: 386.54 KB | Скачали: 202 Платформа: Компас | Рб:
1
Курсовой проект - Разработка технологического процесса изготовления детали "Коробка пружинная" КП Курсовой проект - Разработка технологического процесса изготовления детали "Коробка пружинная" | Год выпуска: 2008
К(ф)МГТУ им.Н.Э.Баумана / Кафедра: «Детали машин и подъемно-транспортное оборудование» К3-КФ / по "Технологии машиностроения" / Состав: 5 листов чертежи (инструмент(резец, фреза), гидрозажим групповой
с Г-образными прихватам, деталь и заготовка, чертежи технологических процессов) + операционные карты + маршрутные карты + ПЗ (26 страниц)
Дата: 11.12.09 07:31 | Поместил: Аноним | Размер: 1.24 MB | Скачали: 113 Платформа: Компас | Рб:
1
Курсовой проект - Разработка технологического процесса изготовления детали "Вал-шестерня" КП Курсовой проект - Разработка технологического процесса изготовления детали "Вал-шестерня" | Год выпуска: 2009
По технологии машиностроения / Состав: чертежи (см. скрин) + ПЗ
Дата: 3.12.09 17:36 | Поместил: Аноним | Размер: 430.25 KB | Скачали: 146 Платформа: AutoCad | Рб:
1
Курсовой проект - Технологический процесс механической обработки детали "Основание" КП Курсовой проект - Технологический процесс механической обработки детали "Основание" | Год выпуска: 2008
КГТУ им. А.Н.Туполева / Кафедра технологии производства двигателей / Дисциплина " Групповые технологии гибких автоматизированных производств / 4 листа чертежи (детали) + 1 карта заготовки + 4 маршрутные карты + 15 Операционных карт
механической обработки с эскизами операций + ПЗ.
Дата: 20.9.09 15:22 | Поместил: pangolin | Размер: 1.50 MB | Скачали: 58 Платформа: Компас | Рб:
1
Курсовой проект - Разработки технологических процессов режущего инструмента КП Курсовой проект - Разработки технологических процессов режущего инструмента
Чертеж протяжки, фасонного резца, пояснительная записка
Дата: 29.6.09 17:33 | Поместил: Аноним | Размер: 157.21 KB | Скачали: 58 Платформа: Компас | Рб:
1
Курсовой проект - Технологический процесс механической обработки детали "Уголок " КП Курсовой проект - Технологический процесс механической обработки детали "Уголок " | Год выпуска: 2008
ЭТИ(ф)СГТУ / Кафедра ТЭМ / Дисциплина "Технология машиностроения" / Целью проекта является выбор оптимального варианта получения детали, и снижения трудоемкости и себестоимости технологического процесса механической обработки путем перевода технологического процесса с устаревших моделей оборудования на более современные. Деталь «Уголок» представляет собой плоское тело. Для изготовления детали в качестве материала на заготовку целесообразно рассмотреть сталь 45 или сталь 40Х. Обработка детали производится на многоцелевом станке 2204ВМФ4. Станок 2204ВМФ4 многоцелевой с инструментальным магазином на 30 инструментов. Смена инструмента производится автоматически. Мощность двигателя 6,3 кВт. Производит все виды фрезерных и сверлильных и расточных работ. / 4 листа чертежи + маршрутные карты + контроль + ПЗ.
Дата: 29.5.09 10:48 | Поместил: Аноним | Размер: 909.84 KB | Скачали: 89 Платформа: Компас | Рб:
1
Курсовой проект - Технологический процесс изготовления "оси" КП Курсовой проект - Технологический процесс изготовления "оси" | Год выпуска: 2008
УГТУ-УПИ / Кафедра «Электронное машиностроение» / Задачей данного курсового проекта является разработка технологического процесса изготовления оси для единичного и мелкосерийного производства. Для единичного производства необходимо изготовить две детали; для мелкосерийного – десять штук. / Cостав: 3 листа чертежей + спецификация + ПЗ.
Дата: 7.5.09 17:23 | Поместил: Аноним | Размер: 251.20 KB | Скачали: 115 Платформа: Компас | Рб:
1
Курсовой проект - Разработка технологического процесса ремонта опорной поверхности надрессорной балки КП Курсовой проект - Разработка технологического процесса ремонта опорной поверхности надрессорной балки | Год выпуска: 2009
ОмГУПС / Кафедра «Технология транспортного машиностроения и ремонта подвижного состава» / по дисциплине:«Технология производства и ремонт подвижного состава» / Чертежи 3 листа: Надрессорная балка, Операционная карта наплавки, Установка для наплавки + маршрутные карты + ПЗ.
Дата: 5.5.09 07:13 | Поместил: Аноним | Размер: 707.79 KB | Скачали: 175 Платформа: Компас | Рб:
2
Курсовой проект - Разработка технологического процесса механообработки крышки водомасляного радиатора КП Курсовой проект - Разработка технологического процесса механообработки крышки водомасляного радиатора | Год выпуска: 2007
ЯГТУ / Кафедра «Профессиональное обучение» / по Технологии машиностроения / Чертежи 3 листа + ПЗ
Дата: 28.4.09 13:12 | Поместил: Аноним | Размер: 979.74 KB | Скачали: 98 Платформа: Компас | Рб:
1
Курсовой проект - Разработка технологического процесса получения отливки КП Курсовой проект - Разработка технологического процесса получения отливки | Год выпуска: 2008
ОрёлГТУ / В проекте: чертежи 5 листов, пояснительная записка, спецификации. Отливка «Корпус» отливается из серого чугуна марки СЧ20 по ГОСТ 1412-85 массой 6,6 кг. Толщина стенок отливки составляет 10 мм. Длина отливки 200 мм, диаметр средней части 64 мм. Деталь обрабатывается механически: высверливаются 9 отверстий, часть поверхности для получения заданной чистоты и размеров, подвергают токарной и фрезерной обработке, остальное получают литьём.
Дата: 6.4.09 16:19 | Поместил: Аноним | Размер: 882.52 KB | Скачали: 57 Платформа: Компас | Рб:
1
Чертежи - Технологический процесс изготовления детали "Шток" КП Чертежи - Технологический процесс изготовления детали "Шток" | Год выпуска: 2007
СПИМаш / Технология обработки детали. Чертеж детали, заготовки, маршрута обработки, без ПЗ.
Дата: 29.3.09 19:30 | Поместил: Аноним | Размер: 165.65 KB | Скачали: 125 Платформа: Компас | Рб:
1
Курсовой проект - Разработка технологического процесса на восстановление шестерни базовой машины бульдозера-погрузчика ДЗ-133 КП Курсовой проект - Разработка технологического процесса на восстановление шестерни базовой машины бульдозера-погрузчика ДЗ-133
Курсовая работа - пояснительная записка, два чертежа, дополнительные материалы, дополнительные материалы; помимо операционных эскизов чертежи содержат деталировку делительной головки, операционные карты, маршрутную карту, карту эскизов.
Дата: 12.2.09 18:03 | Поместил: Аноним | Размер: 7.63 MB | Скачали: 241 Платформа: AutoCad | Рб:
1
Курсовой проект - Технологический процесс сборки узла «Фильтр», изготовления детали «Фланец», технологического процесса изготовления и сборки детали «Корпус», конструкции «Скальчатого кондуктора» КП Курсовой проект - Технологический процесс сборки узла «Фильтр», изготовления детали «Фланец», технологического процесса изготовления и сборки детали «Корпус», конструкции «Скальчатого кондуктора» | Год выпуска: 2005
МГТУ / Кафедра "Технология машиностроения" / Фильтр входит в состав блока насоса ЦНГ-1/20 и служит для очистки перекачиваемой жидкости. Деталь фланец входит в состав сборочной единицы фильтр. Фланец предназначен для надежного крепления фильтра с другими деталями при помощи винтового или шпилечного соединения. Для операции сверления разработаем приспособление - скальчатый кондуктор. Компоновка скальчатого кондуктора предназначена для обработки четырех отверстий во фланце. / 5 листов чертежи (Технологический процесс сборки фильтра, Базовый маршрутный технологический процесс, Маршрутные технологические процессы изготовления детали "Фланец", Разработка операционной технологии изготовления детали "Фланец", Разработка конструкции приспособления) + ПЗ.
Дата: 10.2.09 15:05 | Поместил: Аноним | Размер: 350.76 KB | Скачали: 123 Платформа: Компас | Рб:
1
Чертежи - Технологический процесс востановления кулака шарнира КП Чертежи - Технологический процесс востановления кулака шарнира | Год выпуска: 2008
ремонтный чертеж кулака шарнира внутреннего, схема техпроцесса, анализ способов восстановления кулака шарнир. 3 листа без ПЗ.
Дата: 8.5.08 07:16 | Поместил: Аноним | Размер: 149.28 KB | Скачали: 172 | Рейтинг: 8.00 (1 голос) Платформа: Компас | Рб:
1
« К началу 1 2 3 4 5 6 7 8 9 10 11 12 13 14 15 Далее»
 
Cloudim - онлайн консультант для сайта бесплатно.