Добавить проект
Прочитать правила
Платный доступ
Авторизация:
Информация


Курсовая технологические процессы

  /  Метка
Показать описание раздела

Рентабельность производства зависит от последовательности выполнения операций, которые связаны с изменением формы, размеров, и других характеристик, для получения требуемых. Этот перечень операций, которые располагаются в строгой последовательности, называется технологический процесс. Курсовая работа используется для обучения, анализа, переработки и использования документов для выполнения проектов, согласно ТЗ. На сайте предлагаются проекты по разработке техпроцессов обработки деталей методом:
- механической обработки;
- восстановления и ремонта;
- отливки и штамповки;
- термической обработки;
- холодной прокатки;
- сборки;
- сварки и др.
Курсовая технологические процессы выполняется при наличии в ТЗ исходных требований. На выбор хода и вида операций, вида инструмента, влияют разные факторы.
Необходимая информация для разработки техпроцесса:
- чертеж с информацией о детали: материале, размерах, характеристиках чистоты и точности изготовления, показателях твердости материала и др.;
- объем выпуска продукции за год, на основании чего определяется уровень производства – опытный, единичный, серийный или массовый;
- каталог оборудования;
- типовые техпроцессы для данной группы деталей, например, детали вращения;
- стандарты и справочники: по ТУ на оборудование, инструмент, по расчету режимов резания и норм времени и пр.
Курсовая разработка технологического процесса состоит из нескольких этапов. Для механической обработки выбирается способ получения заготовки. Это – штамповка, точное литье или калиброванный пруток, в зависимости от серийности производства. Для других процессов определяются комплектующие, подготовительные работы: мойка, обезжиривание перед сваркой, зачистка, нормализация и т.п.
Курсовая работа разработка технологического процесса определяет также следующие этапы:
1) определение способа и последовательности изготовления;
2) расчет величины снимаемого материала в каждом переходе операции, для механической обработки;
3) выбор оборудования, подбор или проектирование инструментов и оснастки, для каждой операции;
4) выполнение необходимых расчетов – режимов резания, температурных режимов и пр.;
5) определение способа контроля, необходимого инструмента и приспособлений;
6) разработка технологической документации с операционными и маршрутными картами.
Курсовая работа на тему технологический процесс включает в себя пояснительную записку, в которой приводятся расчеты, обоснования, необходимые пояснения. Это – расчеты технологичности детали, экономические расчеты, условия техники безопасности и другие вопросы.

Сборник проектов собран в ручную для метки "Курсовая технологические процессы".
Подборка не содержит всех проектов, не нашли по метке воспользуйтесь поиском по каталогу проектов.
Отфильтровать по группе:
          
Отметьте галочками нужную группу проектов для показу по назначению (КП - курсовой, ДП - дипломный, РП - рабочий проект), и нажмите "ок" по умолчанию показаны все группы.

Курсовой проект - Литейное производство / Изготовление отливки КП Курсовой проект - Литейное производство / Изготовление отливки | Год выпуска: 2014
УГТУ / Темой данной курсовой работы является разработка технологического процесса изготовления стальной отливки методом литья в разовые песчаные формы, изготавливаемые из формовочной смеси. / 2 листа чертежи (литейная форма, оснастка и стакан) + ПЗ.
Дата: 21.4.16 11:26 | Поместил: EgorEkb | Размер: 322.71 KB | Скачали: 2 Платформа: Компас | Рб:
1
Курсовой проект - Физические основы процессов резания / Изготовление детали "Вал" КП Курсовой проект - Физические основы процессов резания / Изготовление детали "Вал" | Год выпуска: 2015
МГТУ / Кафедра МТ-2(инструментальная техника и технологии) / 3 листа А1 графической части, лист с технологией изготовления детали(операционное описание), расчетно-пояснительную записку, 3D модель детали, чертеж детали.
Дата: 3.4.16 19:16 | Поместил: artem_kurilov | Размер: 5.83 MB | Скачали: 3 Платформа: Компас | Рб:
2
Курсовой проект - Разработка технологического процесса изготовления детали "Поршня" (сталь 45) КП Курсовой проект - Разработка технологического процесса изготовления детали "Поршня" (сталь 45) | Год выпуска: 2014
В состав проекта входит: Пояснительная записка к КП, чертежи 6 листов:
Карта тех. процесса; / чертёж детали;/ чертёж заготовки; / чертёж резца; / чертёж гидроцилиндра; / схема способов восстановления детали.
В качестве заготовки выбрана поковка диаметром 84мм, произведен качественный и количественный анализ технологичности детали, были выбраны базовые поверхности и технологические базы для обработки детали. Рассчитаны припуски на механическую обработку, приведены расчеты режимов резания и нормирования операции, необходимое время на выполнение операций составило 13,57мин.
Дата: 3.3.16 17:33 | Поместил: PV_Kus | Размер: 1.60 MB | Скачали: 27 Платформа: Компас | Рб:
2
Курсовая работа (колледж) - Технологический процесс ремонта автомобильных шин автомобиля ВАЗ-2110 КП Курсовая работа (колледж) - Технологический процесс ремонта автомобильных шин автомобиля ВАЗ-2110 | Год выпуска: 2015
АПК / По организации участка ремонта автомобильных шин автомобилей ВАЗ / Состав: 5 листов чертежи (Автомобильная шина ВАЗ-2110; Маршрутная карта; Карта эскизов; Операционная карта слесарных работ; Планировка шиноремонтного участка для АТП) + ПЗ.
Дата: 18.2.16 19:31 | Поместил: tl2601 | Размер: 630.59 KB | Скачали: 12 Платформа: Компас | Рб:
2
Курсовая работа - Проект грузового АТП автомобилей МАЗ с разработкой планировки зоны Д и технологического процесса на компьютерную диагностику двигателя ЯМЗ-650.10 автомобиля-тягача МАЗ-5440 КП Курсовая работа - Проект грузового АТП автомобилей МАЗ с разработкой планировки зоны Д и технологического процесса на компьютерную диагностику двигателя ЯМЗ-650.10 автомобиля-тягача МАЗ-5440 | Год выпуска: 2015
Росс-Бел университет / Дисциплина «Проектирование предприятий автомобильного транспорта» / Состав: 4 листа чертежи А1 + ПЗ.
Дата: 11.2.16 21:25 | Поместил: ivashca | Размер: 1.79 MB | Скачали: 5 Платформа: AutoCad | Рб:
2
Курсовой проект - Разработка технологического процесса обработки детали «Вал» КП Курсовой проект - Разработка технологического процесса обработки детали «Вал» | Год выпуска: 2015
ДВГУПС / Содержит записку, чертежи 3 листа: вал / резец / скоба. Деталь вал представляет собой гладкий цилиндр диаметром 40 мм и длиной 1455 мм. С двух сторон цилиндра на глубину 52 мм выточены лыски под размер 32 мм и выточены две фаски.
Дата: 6.2.16 09:53 | Поместил: Upiter01 | Размер: 318.41 KB | Скачали: 1 Платформа: Компас | Рб:
1
Курсовой проект - Технологический процесс изготовления детали "Шестерня" КП Курсовой проект - Технологический процесс изготовления детали "Шестерня" | Год выпуска: 2015
Деталь – шестерня. Масса детали 1,5 кг. Материал детали Сталь 40Х ГОСТ 4543-71. В ходе работы представлен анализ применяемости данного шестерни, а также рассмотрена деталь с точки зрения технологичности. На основании анализа приведена таблица размеров с указанием допусков и предельных отклонений. 1. На основании технико-экономического анализа производства установлено, что наиболее экономичным методом получения заготовок для изготовления 1000 штук деталей является горячая штамповка на ГКМ. 2. В проекте разработан рациональный маршрутно-операционный технологический процесс обработки резанием детали «Шестерня» 3. Для обеспечения процесса обработки резанием детали «Шестерня» разработана необходимая технологическая документация.
Дата: 27.12.15 16:01 | Поместил: shursun | Размер: 505.30 KB | Скачали: 15 Платформа: Компас | Рб:
2
Курсовой проект - Расчет изготовления детали "Колесо червячное" КП Курсовой проект - Расчет изготовления детали "Колесо червячное" | Год выпуска: 2015
БГТУ им В.Г.Шухова / В данном расчетно-графическом задании разработан комплекс вопросов, связанных с механической обработкой одной детали (Колесо червячное) средней сложности в условиях, соответствующих серийному получения заготовки, разработан маршрутный технологический процесс, произведен расчет припусков, режимов резания, технического нормирования времени. В проекте 2 листа чертежи( колесо червячное заготовка, колесо червячное) и пояснительная записка.
Дата: 14.12.15 07:46 | Поместил: Mirka | Размер: 999.69 KB | Скачали: 6 Платформа: Компас | Рб:
2
Курсовой проект - Разработка технологии восстановления шкива остановочного тормоза трактора Д-75 КП Курсовой проект - Разработка технологии восстановления шкива остановочного тормоза трактора Д-75 | Год выпуска: 2014
НГСХА / Кафедра «Надежность и ремонт машин» / по дисциплине «Технология ремонта машин»/ Состав: 28 листов ПЗ, 2 листа чертёж детали А3, 1 лист карта тех процесса А1. В данном курсовом проекте раскрыты следующие разделы ремонта заднего моста трактора ДТ-75: - анализ работы узла и детали и порядок разборки узла; - исследование возможных износов шкива остановочного тормоза и обоснование рационального способа его восстановления; - описание и расчет технологического процесса восстановления шкива остановочного тормоза; - расчет экономической целесообразности ремонта детали выбранным способом; - порядок сборки узла после ремонта.
Дата: 4.12.15 12:18 | Поместил: sitalev | Размер: 469.43 KB | Скачали: 9 Платформа: Компас | Рб:
1
Курсовой проект - Физические основы резания и режущий инструмент - деталь Корпус КП Курсовой проект - Физические основы резания и режущий инструмент - деталь Корпус | Год выпуска: 2014
МГТУ им. Н.Э.Баумана / Проект включает графическую часть – 2 листа формата А1, 1 лист А2, пояснительную записку с приложениями и списком использованных источников из 5 наименований. Пояснительная записка проекта содержит 31страницу, 12 рисунков, В проекте представлен анализ детали. Произведен анализ технических требований. Разработан маршрутный технологический процесс.Спроектированы 10 инструментов.
Дата: 21.11.15 22:09 | Поместил: Drflash666 | Размер: 1.94 MB | Скачали: 2 Платформа: Компас | Рб:
1
Курсовой проект - Разработка технологического процесса изготовления и сборки воздухораспределителя (Воздухораспределитель 155.010) в мелкосерийном производстве КП Курсовой проект - Разработка технологического процесса изготовления и сборки воздухораспределителя (Воздухораспределитель 155.010) в мелкосерийном производстве | Год выпуска: 2015
МГТУ / Кафедра «Технология машиностроения» / Состав: 5 листов чертежи + ПЗ.
Дата: 21.11.15 21:59 | Поместил: Drflash666 | Размер: 3.64 MB | Скачали: 4 Платформа: Компас | Рб:
2
Курсовой проект - Технологический процесс изготовления детали «Корпус клапана» ракетного двигателя КП Курсовой проект - Технологический процесс изготовления детали «Корпус клапана» ракетного двигателя | Год выпуска: 2011
ВГТУ / Чертеж детали: Деталь 3Д / Деталь / Заготовка А1 / Средство активного контроля / Угольник с наладкой, технологическая карта 2 листа, пояснительная записка. Целью курсового проектирования является разработка технологического процесса механической обработки детали в условиях серийного производства. Для достижения указанной цели были поставлены следующие задачи:
- провести анализ технологичности конструкции детали;
- выбрать форму и метод получения исходной заготовки для данного типа производства;
- разработать технологический процесс для изготовления детали;
- спроектировать установочное приспособление для обработки детали, провести точностной и силовой расчет.
Дата: 17.10.15 22:16 | Поместил: Maruk | Размер: 817.45 KB | Скачали: 6 Платформа: Компас | Рб:
1
Курсовой проект - Проектирование технологического процесса и организация работы на слесарно – механическом участке, разработка технологического процесса ремонта поворотной цапфы автомобиля ГАЗ - 3307 КП Курсовой проект - Проектирование технологического процесса и организация работы на слесарно – механическом участке, разработка технологического процесса ремонта поворотной цапфы автомобиля ГАЗ - 3307 | Год выпуска: 2014
Альметьевский политехнический техникум. Проект по дисциплине “Ремонт автомобилей”. Автотранспортное предприятие находится в г.Москва. Оно состоит из 180 автомобилей марки КамАЗ. Автомобили предназначены для перевозки сыпучих грузов по городу и району, а так же за его пределы, а так же выполняет частные заказы населения по перевозкам грузов. Слесарно-механический участок предназначен для восстановления деталей механической и слесарной обработкой, изготовления отдельных деталей нетоварной номенклатуры, которые не поставляются с заводом автомобильной промышленности, а так же для изготовления внутризаводских нужд. 1 лист чертеж + ПЗ.
Дата: 12.6.15 09:22 | Поместил: Maks_skiff | Размер: 332.14 KB | Скачали: 6 Платформа: Компас | Рб:
1
Курсовой проект - Технологический процесс изготовления детали "корпус", полученной методом литья КП Курсовой проект - Технологический процесс изготовления детали "корпус", полученной методом литья | Год выпуска: 2015
Деталь «корпус» представляет собой отливку, у которой подлежат обработке ряд поверхностей - плоскости, отверстия, торцы, внутренние резьбовые поверхности. По форме деталь напоминает кронштейн сложной формы со множеством ребер жест кости и ответственных поверхностей. отливка делается из серого чугуна СЧ 18 и является отливкой II группы сложности Ш класса точности (литье «в землю»). Чугун СЧ 18 применяется для изготовления ответственных отливок с толщиной стенок 10 - 20 мм. его свойства: временное напряжение растяжения 18 кГ/мм2, временное напряжение изгиба 36 кГ/мм2, твердость НВ = 170...229. / 5 листов чертежи (проектирование, операционные карты, наладка для контроля расположения поверхностей, корпус, тиски 7200-0203 СБ) + спецификации + ПЗ.
Дата: 1.6.15 13:09 | Поместил: a-piks | Размер: 605.63 KB | Скачали: 34 Платформа: Компас | Рб:
2
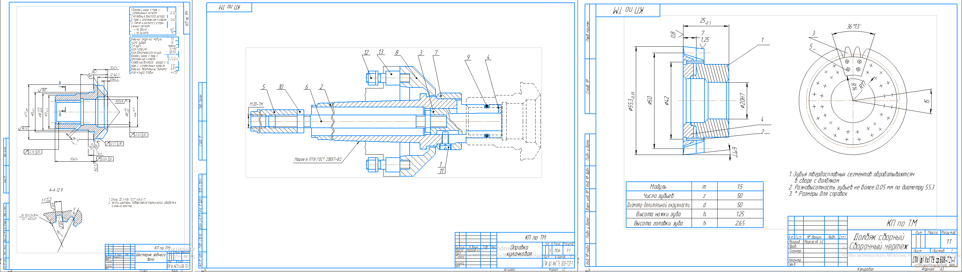
Курсовой проект - Проектирование технологического процесса механической обработки шестерни заднего вала 50.08.32.017 трактора МТЗ-1221 КП Курсовой проект - Проектирование технологического процесса механической обработки шестерни заднего вала 50.08.32.017 трактора МТЗ-1221 | Год выпуска: 2015
ИжГТУ / Проект по "Технологии машиностроения" / Данная деталь относиться к классу шестерни. Предназначена для передачи крутящего момента. Допуски на размер и форму ответственных частей детали находятся в жестких пределах. Часть шестерни подвергается термической обработке, а именно закалке. Материал детали – Сталь 20 ХН3А ГОСТ4543-71. Хромистая сталь. Применяется для изготовления средненагруженных деталей, как правило, небольших размеров. / Состав: 6 листов чертежи (долбяк сборный / заготовка / приспособление / чертеж калибра - скобы / наладка / шестерня заднего вала) + тех. процесс + ПЗ.
Дата: 25.5.15 13:22 | Поместил: rikimoru | Размер: 758.06 KB | Скачали: 7 Платформа: Компас | Рб:
2
Курсовой проект - Технологический процесс ремонта коробки подач широкоуниверсального фрезерного станка повышенной точности модели 676П КП Курсовой проект - Технологический процесс ремонта коробки подач широкоуниверсального фрезерного станка повышенной точности модели 676П | Год выпуска: 2014
ПГУ. По дисциплине «Монтаж, техническая эксплуатация и ремонт оборудования отрасли». Инструментальный широкоуниверсальный фрезерный станок повышенной точности модели 676П предназначен как для горизонтального фрезерования изделий цилиндрическими, дисковыми, фасонными и другими фрезами, так и вертикального фрезерования торцевыми, концевыми, шпоночными и другими фрезами под различными углами. 3 листа чертежи + ПЗ.
Дата: 20.5.15 21:10 | Поместил: mix121 | Размер: 1.83 MB | Скачали: 14 Платформа: Компас | Рб:
2
Курсовой проект - Технологический процесс механической обработки детали Корпус (сталь 14Х17Н2) КП Курсовой проект - Технологический процесс механической обработки детали Корпус (сталь 14Х17Н2) | Год выпуска: 2015
ИжГТУ / Состав: 7 листов чертежи (корпус, резец поворотный, Чертеж наладки на две токарные операции, скоба на длину, Патрон универсальный гидравлический, чертеж заготовки, Наладка на операцию протягивание шлицев) + спецификация + тех. процесс + ПЗ.
Дата: 20.5.15 18:12 | Поместил: Starcaller | Размер: 469.20 KB | Скачали: 4 Платформа: Компас | Рб:
2
Курсовой проект - Технологический процесс механической обработки детали - "Корпус клапана в насосной установке" КП Курсовой проект - Технологический процесс механической обработки детали - "Корпус клапана в насосной установке" | Год выпуска: 2015
ИжГТУ. По дисциплине " Технология машиностроения". Деталь «Корпус» является сборочной единицей клапана предохранительного сливно-наливного устройства в насосной установке. Предохранительный клапан установлен между всасывающим и нагнетательным трубопроводами и предназначен для ограничения давления жидкости в нагнетательном трубопроводе. 6 листов чертежи + ПЗ.
Дата: 20.5.15 18:00 | Поместил: Starcaller | Размер: 1.01 MB | Скачали: 23 Платформа: Компас | Рб:
2
Курсовой проект - Разработка технологического процесса восстановления ступицы переднего колеса автомобиля ГАЗ – 53А КП Курсовой проект - Разработка технологического процесса восстановления ступицы переднего колеса автомобиля ГАЗ – 53А | Год выпуска: 2009
ВлГУ / по дисциплине "Основы производства и ремонта автомобилей". / Исходные данные: Деталь: ступица переднего колеса автомобиля ГАЗ – 53А; Годовая программа: 3000 шт. автомобилей; Коэффициент ремонта: Кр = 0,55. Исходными данными также являются чертеж узла, рабочий чертеж детали, технологический процесс изготовления детали на автомобилестроительном заводе. / 7 листов чертежи ( ремонтный чертеж, заварка, операции, технологическая схема подвески, технологическая схема рулевого механизма) + ПЗ
Дата: 24.4.15 19:11 | Поместил: demanoctavia | Размер: 3.70 MB | Скачали: 17 Платформа: AutoCad | Рб:
1
Курсовой проект - Разработать технологический процесс сборки механизмов рулевого управления легкового автомобиля КП Курсовой проект - Разработать технологический процесс сборки механизмов рулевого управления легкового автомобиля | Год выпуска: 2013
В(ф) МГИУ / Дисциплина «Технология автомобиле- и тракторостроения» / В работе указан технологический процесс сборки рулевого управления. / Состав: 5 листов чертежи ( Карта разборки, Контрольное приспособление, Рулевое управление, Стенд для разборки-сборки механизма рулевого управления, Сборка редуктора) + карта разборки в картинках PNG + ПЗ + спецификация (рулевой механизм)
Дата: 23.4.15 10:32 | Поместил: oleg-1990 | Размер: 2.28 MB | Скачали: 21 Платформа: Компас | Рб:
2
« К началу 1 2 3 4 5 6 7 8 9 10 11 12 13 14 Далее»
 
Cloudim - онлайн консультант для сайта бесплатно.