Добавить проект
Прочитать правила
Платный доступ
Авторизация:
Информация


Курсовая технологические процессы

  /  Метка
Показать описание раздела

Рентабельность производства зависит от последовательности выполнения операций, которые связаны с изменением формы, размеров, и других характеристик, для получения требуемых. Этот перечень операций, которые располагаются в строгой последовательности, называется технологический процесс. Курсовая работа используется для обучения, анализа, переработки и использования документов для выполнения проектов, согласно ТЗ. На сайте предлагаются проекты по разработке техпроцессов обработки деталей методом:
- механической обработки;
- восстановления и ремонта;
- отливки и штамповки;
- термической обработки;
- холодной прокатки;
- сборки;
- сварки и др.
Курсовая технологические процессы выполняется при наличии в ТЗ исходных требований. На выбор хода и вида операций, вида инструмента, влияют разные факторы.
Необходимая информация для разработки техпроцесса:
- чертеж с информацией о детали: материале, размерах, характеристиках чистоты и точности изготовления, показателях твердости материала и др.;
- объем выпуска продукции за год, на основании чего определяется уровень производства – опытный, единичный, серийный или массовый;
- каталог оборудования;
- типовые техпроцессы для данной группы деталей, например, детали вращения;
- стандарты и справочники: по ТУ на оборудование, инструмент, по расчету режимов резания и норм времени и пр.
Курсовая разработка технологического процесса состоит из нескольких этапов. Для механической обработки выбирается способ получения заготовки. Это – штамповка, точное литье или калиброванный пруток, в зависимости от серийности производства. Для других процессов определяются комплектующие, подготовительные работы: мойка, обезжиривание перед сваркой, зачистка, нормализация и т.п.
Курсовая работа разработка технологического процесса определяет также следующие этапы:
1) определение способа и последовательности изготовления;
2) расчет величины снимаемого материала в каждом переходе операции, для механической обработки;
3) выбор оборудования, подбор или проектирование инструментов и оснастки, для каждой операции;
4) выполнение необходимых расчетов – режимов резания, температурных режимов и пр.;
5) определение способа контроля, необходимого инструмента и приспособлений;
6) разработка технологической документации с операционными и маршрутными картами.
Курсовая работа на тему технологический процесс включает в себя пояснительную записку, в которой приводятся расчеты, обоснования, необходимые пояснения. Это – расчеты технологичности детали, экономические расчеты, условия техники безопасности и другие вопросы.

Сборник проектов собран в ручную для метки "Курсовая технологические процессы".
Подборка не содержит всех проектов, не нашли по метке воспользуйтесь поиском по каталогу проектов.
Отфильтровать по группе:
          
Отметьте галочками нужную группу проектов для показу по назначению (КП - курсовой, ДП - дипломный, РП - рабочий проект), и нажмите "ок" по умолчанию показаны все группы.

Курсовой проект (колледж) - Разработка технологического процесса на ремонт вала коленчатого двигателя ЗМЗ-66 №66-100 50 11 КП Курсовой проект (колледж) - Разработка технологического процесса на ремонт вала коленчатого двигателя ЗМЗ-66 №66-100 50 11 | Год выпуска: 2011
Омский колледж отраслевых технологий строительства и транспорта / Состав: Чертеж приспособления А2, Винт отвертка А3, Гайка подвижная А4, Гайка стопорная А4 + Пояснительная записка
Дата: 30.5.13 18:12 | Поместил: Аноним | Размер: 469.12 KB | Скачали: 57 Платформа: Компас | Рб:
1
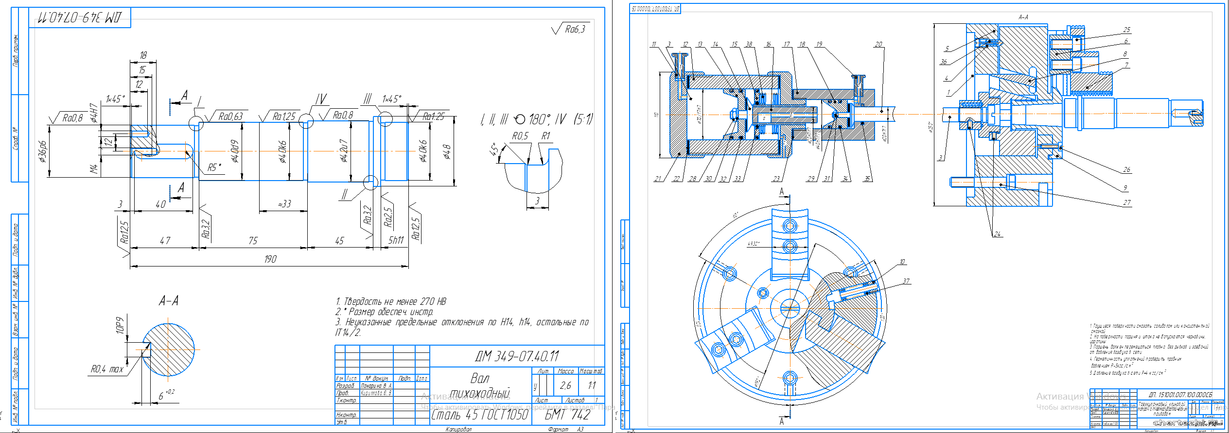
Курсовой проект (техникум) - Разработка технологического процесса на механическую обработку детали "Вал тихоходный" КП Курсовой проект (техникум) - Разработка технологического процесса на механическую обработку детали "Вал тихоходный" | Год выпуска: 2011
БМТ / проект содержит чертежи приспособления, детали, заготовки, операционно-технологические эскизы, измерительный инструмент, ПЗ (частичная).
Дата: 1.5.13 13:29 | Поместил: Аноним | Размер: 1.28 MB | Скачали: 49 | Рейтинг: 9.00 (1 голос) Платформа: Компас | Рб:
1
Курсовой проект - Технологический процесс изготовления детали "Втулка" КП Курсовой проект - Технологический процесс изготовления детали "Втулка" | Год выпуска: 2012
ИжГТУ / Кафедра ТММСиИ / Втулка — деталь машины, механизма, прибора цилиндрической или конической формы (с осевой симметрией), имеющая осевое отверстие, в которое входит сопрягаемая деталь. В данной работе мною была выбрана втулка токосъемника высокой частоты. Деталь «Втулка» представляет собой тело вращения состоящая из посадочного отверстия Ø 40H7, конического отверстия с проточками и каналами для смазки, торцевых и цилиндрических поверхностей к которым предъявляются требования по биению и цилиндричности. Для данной втулки был выбран титановый деформируемый сплав ВТ6. / 14 листов чертежи + маршрутные карты + наладка + операционные карты + спецификация + ПЗ.
Дата: 27.4.13 07:44 | Поместил: Аноним | Размер: 14.66 MB | Скачали: 24 Платформа: Компас | Рб:
2
Курсовой проект - Технологичекий процесс производства детали "Стакан" КП Курсовой проект - Технологичекий процесс производства детали "Стакан" | Год выпуска: 2008
ОГТИ / Дисциплина "Технология машиностроения". В данной работе представлен технологический процесс изготовления детали стакан, карты наладок на операции, чертеж контрольного приспособления. 4 листа чертежи (стакан / схема контроля / фрезерная наладка / сверлильная наладка) + ПЗ.
Дата: 19.4.13 05:33 | Поместил: Аноним | Размер: 534.44 KB | Скачали: 32 Платформа: Компас | Рб:
1
Курсовой проект - Технологический процесс механической обработки детали Диск КП Курсовой проект - Технологический процесс механической обработки детали Диск | Год выпуска: 2010
УГТУ-УПИ / Кафедра ЭМ / по технологии машиностроения. Деталь - Диск. / Состав 2 листа чертежи (деталь и приспособление) + спецификация + технологические карты 8 листов + ПЗ.
Дата: 6.4.13 12:28 | Поместил: Irek_str | Размер: 965.26 KB | Скачали: 32 Платформа: Компас | Рб:
1
Курсовой проект - Проектирование технологического процесса изготовления вала ХХ - оси КП Курсовой проект - Проектирование технологического процесса изготовления вала ХХ - оси | Год выпуска: 2013
МГТУ / ФАКУЛЬТЕТ "Машиностроительные технологии" / КАФЕДРА "Технология машиностроения". Рассмотренная в данном проекте деталь “Вал ХХ-оси” входит в состав токарно-винторезного станка мод. МК6046. Она расположена в коробке скоростей станка и предназначена для передачи крутящего момента. Вал может передавать небольшой крутящий момент, т.к. его передача к рычагу осуществляется с помощью сегментной шпонки, которая может выдержать небольшие нагрузки; так же об этом говорят диаметр вала , равный 22 мм. Работает в условии теплового режима, малых нагрузок, масляной среде. 6 листов чертежи + ПЗ.
Дата: 27.3.13 21:25 | Поместил: Аноним | Размер: 322.83 KB | Скачали: 23 Платформа: Компас | Рб:
1
Курсовой проект - Технологический процесс изготовления ступенчатого вала КП Курсовой проект - Технологический процесс изготовления ступенчатого вала | Год выпуска: 2013
РГАТУ им. П. А. Соловьёва / Факультет авиатехнологический / Кафедра «Технология авиационных двигателей и общего машиностроения» / по дисциплине «Технология машиностроения». В данном курсовом проекте осуществлена разработка технологии обработки детали типа вал на основе базовой технологии с учетом достижений современного машиностроительного производства. Особенность проекта - это применение станков с ЧПУ, а также полуавтоматов. Валы предназначены для передачи крутящих моментов и, в большинстве случаев, для поддержания вращающихся вместе с ними относительно подшипни-ков различных деталей машин. 6 листов чертежи(Маршрутный тех процесс / Приспособление контрольное / Приспособление фрезерное / чертеж детали / Чертеж заготовки / Чертеж наладки) + спецификация + ПЗ.
Дата: 20.3.13 05:56 | Поместил: Аноним | Размер: 12.56 MB | Скачали: 82 | Рейтинг: 5.00 (1 голос) Платформа: Компас | Рб:
2
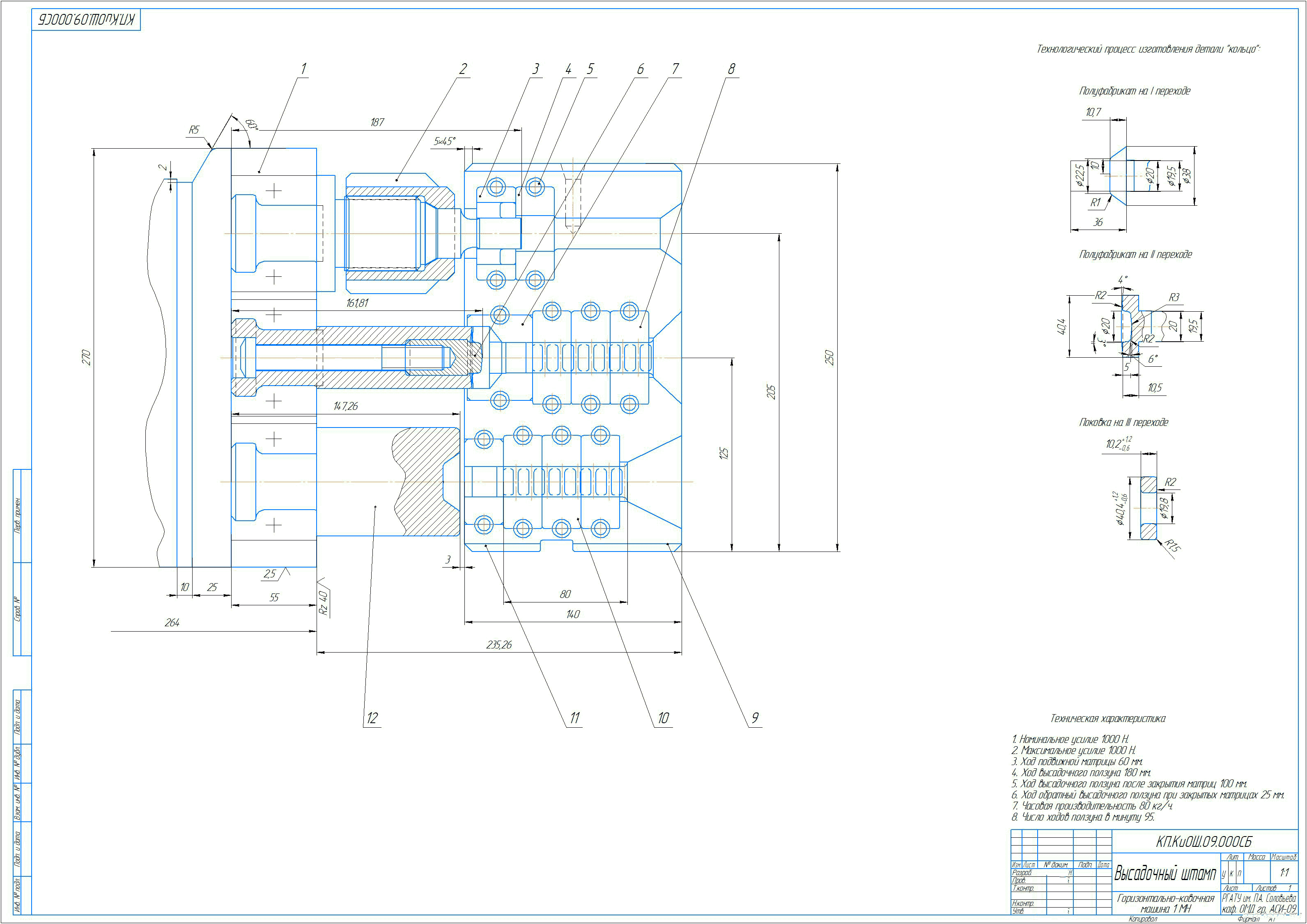
Курсовой проект - Технологический процесс детали «Кольцо» КП Курсовой проект - Технологический процесс детали «Кольцо» | Год выпуска: 2012
РГАТУ им. П.А. Соловьева / Чертеж, пояснительная записка, спецификация. Деталь предположительно служит в качестве крышки в каких-либо станках или приспособлениях. Обозначение материала детали сталь 30Х ГОСТ 14896 – 84 – конструкционная углеродистая качественная сталь.
Дата: 17.3.13 18:13 | Поместил: Аноним | Размер: 558.17 KB | Скачали: 15 Платформа: Компас | Рб:
1
Курсовой проект - Анализ технологического процесса детали «Втулка» ДП Курсовой проект - Анализ технологического процесса детали «Втулка» | Год выпуска: 2013
ИПТМ НГТУ. Кафедра "МТК, ОМД и СП". В данной бакалаврской работе произведен анализ технологического процесса получения детали ПИЛТ.711372.002 «Втулка» ее изготовлении как на универсальных станках, так и на станках с ЧПУ в условиях ОАО «Завод им. Г.И.Петровского». В аналитической части проекта приведено описание материала детали, анализ конструкции и технологичности детали, определены показатели технологичности, проводится анализ действующего технологического процесса получения детали «Втулка», а также определен тип производства и дана его характеристика. В технологической части обосновывается выбор метода получения заготовки, проводится анализ действующего технологического процесса получения детали «Втулка», разрабатывается расчетно-технологическая карта и управляющая программа на станок с ЧПУ, приведены данные по применяемому оборудованию, технологической оснастке. 9 листов чертежи детали"Втулка", операционные эскизы обработки детали, технологическая наладка + ПЗ.
Дата: 9.1.13 20:07 | Поместил: Аноним | Размер: 22.84 MB | Скачали: 42 Платформа: Компас | Рб:
2
Курсовой проект - ТП сборки и сварки неповоротного стыка магистрального нефтепровода КП Курсовой проект - ТП сборки и сварки неповоротного стыка магистрального нефтепровода | Год выпуска: 2012
Целью данного курсового проекта является разработать технологический процесс сборки и сварки неповоротного стыка магистрального нефтепровода 325х8 мм и 720х14мм. Неповоротный стык трубы,техпроцесс изготовление трубы, внутренний и наружный центраторы / Состав: 4 листа чертежи (Неповоротный стык труб А2, Технология А1, Наружный центратор ЦЗН-325 А1, Центратор ЦВ-85 А1) + ПЗ (36 страниц)
Дата: 22.12.12 10:01 | Поместил: dima99 | Размер: 264.90 KB | Скачали: 70 Платформа: Компас | Рб:
2
Курсовой проект - Технологический расчет комплекса ТО - 2 авторемонтного предприятия с разработкой технологического процесса ремонта тормозной системы Газ - 3102 КП Курсовой проект - Технологический расчет комплекса ТО - 2 авторемонтного предприятия с разработкой технологического процесса ремонта тормозной системы Газ - 3102 | Год выпуска: 2012
Автотранспортное предприятие предназначено для перевозки грузов. Кроме того автотранспортное предприятие осуществляет хранение, техническое обслуживание и ремонт автомобилей. На балансе автотранспортного предприятия имеется 175 автомобилей марки Газ – 3102. Среднесуточный пробег автомобилей составляет 260 км, а пробег в долях от нормы пробега до капитального ремонта равен 0,25 долей. 1 лист чертеж + ПЗ.
Дата: 26.10.12 15:34 | Поместил: makc59 | Размер: 507.48 KB | Скачали: 66 Платформа: PDF | Рб:
1
Курсовой проект - Технологический процесс изготовления детали "Корпус" КП Курсовой проект - Технологический процесс изготовления детали "Корпус" | Год выпуска: 2011
ДонНТУ / по дисциплине «Технология автоматизированного производства» / Цель проекта: разработать технологический процесс изготовления детали, обеспечивающий заданное качество изделия при минимальной себестоимости в заданных организационно-технологических условиях производства; спроектировать специальное станочное приспособление для обработки пазов шириной 30 мм, которое позволит получить необходимый размер в пределах установленного допуска; спроектировать специальное контрольное приспособление для измерения торцевого биения корпуса относительно оси детали, которое позволит получить достоверный результат измерения в пределах установленного допуска. / Состав: 4 листа чертежи (чертеж детали, заготовки, станочного приспособления, измерительного приспособления, карт наладки) + ПЗ.
Дата: 24.8.12 13:26 | Поместил: Аноним | Размер: 3.80 MB | Скачали: 67 Платформа: Компас | Рб:
2
Курсовой проект - Разработка технологического процесса обработки детали «Рулевая сошка» КП Курсовой проект - Разработка технологического процесса обработки детали «Рулевая сошка» | Год выпуска: 2011
НТУ ХПИ. Проект по дисциплине "Технология производства в машиностроении". Назначение: данная деталь применяется в рулевом управлении автомобиля (рулевая сошка). Данная деталь передает крутящий момент от рулевого механизма к рулевой трапеции. Условия работы детали в сборочной единице: переменные изгибающие нагрузки. Требование к детали: прочность на изгиб. Материал: Сталь 45. Этот вид стали является наиболее дешевым, поддается термообработке и служит отличным материалом для деталей, от которых требуется повышенная прочность. 3 листа чертежи(деталь / заготовка / карта наладки) + ПЗ.
Дата: 18.8.12 07:16 | Поместил: pangolin | Размер: 322.46 KB | Скачали: 65 Платформа: Компас | Рб:
2
Курсовой проект - Технологический процесс изготовления детали «Кронштейн» КП Курсовой проект - Технологический процесс изготовления детали «Кронштейн» | Год выпуска: 2010
ОмГТУ / Кафедра «Машины и технология обработки металлов давлением» / по дисциплине «Технология листовой штамповки». В данном курсовом проекте разрабатывается технологический процесс изготовления детали кронштейн при помощи прессов листовой штамповки. / Cостав: 2 листа чертежи + спецификации + тех. карта + ПЗ.
Дата: 21.5.12 15:13 | Поместил: Аноним | Размер: 792.82 KB | Скачали: 42 Платформа: Компас | Рб:
1
Курсовой проект - Процесс восстановления оси фильтра центробежной очистки масла двигателя КАМАЗ-740 КП Курсовой проект - Процесс восстановления оси фильтра центробежной очистки масла двигателя КАМАЗ-740 | Год выпуска: 2012
КГСХА / по дисциплине «Технология ремонта машин» / Водяной насос центробежного типа служит для создания принудительной циркуляции охлаждающей жидкости в системе охлаждения. Водяной насос дизеля КамАЗ-740 закреплен на передней части блока цилиндров с левой стороны и приводится в действие клиноременной передачей от шкива коленчатого вала. / Состав: 4 листа чертежи (ремонтный, тех карта, сборочный чертеж, схема разборки) + ПЗ.
Дата: 19.4.12 12:42 | Поместил: Аноним | Размер: 783.59 KB | Скачали: 60 Платформа: Компас | Рб:
1
Курсовой проект - Разработка технологического процесса восстановления вала-шестерни главной передачи заднего моста ВАЗ 2107 КП Курсовой проект - Разработка технологического процесса восстановления вала-шестерни главной передачи заднего моста ВАЗ 2107 | Год выпуска: 2010
КубГТУ / Кафедра машиностроения и автомобильного транспорта / Чертежи 4 листа: Дефектация / Маршрутные карты (2 листа) / Операционные карты + ПЗ.
Дата: 7.4.12 10:18 | Поместил: pashakursovik | Размер: 579.92 KB | Скачали: 79 Платформа: AutoCad | Рб:
1
Курсовой проект - Технологический процесс механической обработки типовой детали "Пробка" КП Курсовой проект - Технологический процесс механической обработки типовой детали "Пробка" | Год выпуска: 2010
КГТУ / Кафедра ТМП / Дисциплина ТПТД / Деталь которая рассмотрена в этом технологическом процессе, используется в машиностроении. Пробка изготавливается из стали 45 ГОСТ 1050-88, вид поставки – круг 30 ГОСТ 2590-88. Деталь подвергается закалке 28…38 HRC. Для предотвращения коррозии детали во время работы применяют покрытие Ц9хр. Из приведенных характеристик можно сделать вывод, что данная качественная сталь 45 обеспечивает высокую надежность, прочность, и долговечность изделия. / 5 листов чертежи (Пробка, Контроль, План обработки, Эскиз наладки, Эскиз совмещенных переходов) + ОК + МК + ПЗ.
Дата: 25.2.12 18:17 | Поместил: Аноним | Размер: 364.71 KB | Скачали: 34 Платформа: Компас | Рб:
1
Курсовой проект - Проектирование технологии изготовления крышки сквозной редуктора РЦ-100 КП Курсовой проект - Проектирование технологии изготовления крышки сквозной редуктора РЦ-100 | Год выпуска: 2010
СибГАУ / по "Технологии машиностроения" / В проекте представлен анализ конструкций поршня ХОУ, а также технических условий на их изготовление. Анализ показал, что конструкция деталей для заданных условий производства технологичны с условием создания оснастки и специального инструмента для обработки в крупносерийном производстве. Выбран способ изготовления заготовки. Разработан маршрутный технологический процесс изготовления крышки. / Состав: 3 листа чертежи + ПЗ.
Дата: 23.2.12 06:02 | Поместил: Аноним | Размер: 699.31 KB | Скачали: 63 Платформа: Компас | Рб:
1
Курсовой проект - Технологический процесс изготовления детали «Крышка» КП Курсовой проект - Технологический процесс изготовления детали «Крышка» | Год выпуска: 2011
РГАТА / Представлен курсовой проект, содержащий: 1.Пояснительную записку, 2.Комплект карт технологического процесса, 3.Чертеж детали, чертеж заготовки, чертеж станочного приспособления со спецификацией, чертеж контрольного приспособления со спецификацией, расчетно-технологическую карту для станка с ЧПУ, плакат маршрутного технологического процесса.
Дата: 15.2.12 17:16 | Поместил: Kolabus | Размер: 989.24 KB | Скачали: 62 Платформа: AutoCad | Рб:
2
Курсовой проект - Организация технологического процесса восстановления вторичного вала КПП КамАЗ-740 КП Курсовой проект - Организация технологического процесса восстановления вторичного вала КПП КамАЗ-740 | Год выпуска: 2012
КФ ОГУ / Кафедра ААХ / Состав: чертежи (Головка цилиндров двигателя КамАЗ-740 А1, Маршрутная схема восстановления головки блока А1, Карта эскизов А1, Индуктор для закалки деталей ТВЧ СБ А1, Картер КПП КамАЗ-5320 А1, Основание А1, Осцилограммы температуры А1, Приспособа СБ А1, Ремонтный чертёж А1, Ремонтный чертеж блока цилиндровов КамАЗ 740.1002.010 А1, Приспособление СБ А1, Структурные схемы А1, Накатка шлицев (Схема принципиальная) А1, 7 листов детали А4-А3, Стенд для разборки и сборки КПП КАМАЗ-5320 СБ А1, Карта эскизов А1) + ПЗ
Дата: 8.2.12 10:20 | Поместил: Аноним | Размер: 18.54 MB | Скачали: 187 Платформа: Компас | Рб:
2
« К началу 1 2 3 4 5 6 7 8 9 10 11 12 13 14 Далее»
 
Cloudim - онлайн консультант для сайта бесплатно.