Добавить проект
Прочитать правила
Платный доступ
Авторизация:
Информация


Чертежи » Дипломные и курсовые работы » Пищевая и химическая промышленность » Просмотр раздела

Дипломные и курсовые работы:


Пищевая и химическая промышленность

Технология пищевой промышленности
, Файлов: 70
Технология химической промышленности
, Файлов: 33
Оборудование пищевой промышленности
, Файлов: 126
Оборудование химической промышленности
, Файлов: 163
Фильтр по проектам:
Показать выполненные в CAD программе:
Сборники проектов, метки для этой категории:
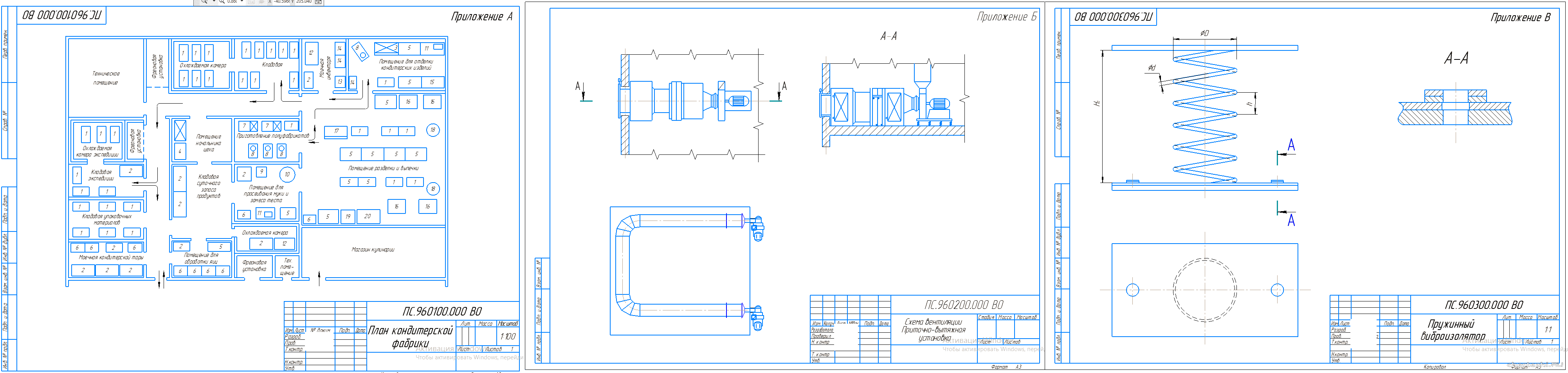
Курсовой проект - Разработка мероприятий по улучшению условий труда на кондитерской фабрике КП Курсовой проект - Разработка мероприятий по улучшению условий труда на кондитерской фабрике | Год выпуска: 2024
ДонГТУ / Кафедра БЖиЗОС / Исследование тяжести и напряженности трудового процесса кондитера, расчет и выбор приточно-вытяжной вентиляции, расчет шумо- и виброизоляции. / Состав: 3 листа чертежи (План цеха кондитерской фабрики, Схема вентиляции. Приточно-вытяжная, Пружинный виброизолятор) + ПЗ (42 страницы).
Дата: 28.3.25 13:52 | Поместил: anastasiya8 | Размер: 222.50 KB | Скачали: 1 Платформа: Компас | Рб:
2
Курсовой проект - Проект организации то и ремонта оборудования линии производства консервов “Морковь гарнирная” разработкой технологической документации на то моечно-встряхивающей машины КМЦ КП Курсовой проект - Проект организации то и ремонта оборудования линии производства консервов “Морковь гарнирная” разработкой технологической документации на то моечно-встряхивающей машины КМЦ | Год выпуска: 2017
АГУ / По профессиональному модулю ПМ.01 Организация и проведение монтажа и ремонта промышленного оборудования / МДК. 01.02. Организация ремонтных работ промышленного оборудования и контроль за ним / Состав: 2 листа чертежи (эскизная карта обслуживания оборудования, график ТО и ремонта) + ПЗ
Дата: 23.3.18 15:15 | Поместил: Zigmund | Размер: 470.73 KB | Скачали: 2 Платформа: Компас | Рб:
1
Дипломный проект - Передвижной агрегат для технического обслуживания гидросистем ДП Дипломный проект - Передвижной агрегат для технического обслуживания гидросистем | Год выпуска: 2017
БрГУ / Кафедра СДМ / В процессе выполнения выпускной квалификационной работы в соответствии с поставленной задачей было выполнено в основной части следующее: произведен обзор отечественных и зарубежных аналогов; произведен патентный обзор; выполнены расчеты основных параметров центрифуги и насоса, выполнен расчет на прочность, выполнен расчет на производительность; выполнены технико-экономические расчеты, рассмотрены вопросы охраны труда. / Состав: 7 листов чертежи( Машина для очистки жидкости от жидкости (ВО); тележка (СБ), реактивная центрифуга (СБ); центробежный насос (СБ); технологическая карта; существующие конструкции СОЖ; технические решения) + спецификации + маршрутные карты + деталировка(штуцер, опора ротора) + 3D-модели штуцера и опоры ротора + 8 операционных карт + ПЗ.
Дата: 3.2.18 01:09 | Поместил: FVS | Размер: 4.28 MB | Скачали: 3 Платформа: Компас | Рб:
7
Курсовая работа (техникум) - Монтажная схема колоны К206 установки ЛЧ-24-2000-86 КП Курсовая работа (техникум) - Монтажная схема колоны К206 установки ЛЧ-24-2000-86 | Год выпуска: 2016
ОНТ (Орский нефтяной техникум) / Способы монтажа колонны на промышленном заводе / Состав: 1 лист чертеж + ПЗ
Дата: 22.5.17 10:42 | Поместил: Ivan97 | Размер: 149.14 KB | Скачали: 0 Платформа: компас | Рб:
1
Курсовой проект - Монтаж ванны для нормализации высокожирных сливок в линию производства молока КП Курсовой проект - Монтаж ванны для нормализации высокожирных сливок в линию производства молока | Год выпуска: 2010
АЧГАА / Состав: 6 листов чертежи + ПЗ
Дата: 10.11.16 16:47 | Поместил: SKID | Размер: 2.36 MB | Скачали: 1 Платформа: Компас | Рб:
1
Дипломная работа - Разработка технологической схемы очистки выбросов воздуха рабочей зоны лакокрасочного производства ДП Дипломная работа - Разработка технологической схемы очистки выбросов воздуха рабочей зоны лакокрасочного производства | Год выпуска: 2015
Целью дипломной работы явилась разработка технологической схемы очистки выбросов воздуха рабочей зоны лакокрасочного производства. / 3 листа чертежи (Окрасочная камера, Решетка МГ 6Т с механизированной очисткой, Технологическая схема очистки выбросов лакокрасочного производства) + ПЗ / МГТУ
Дата: 4.4.16 09:52 | Поместил: nadyanadenka | Размер: 928.16 KB | Скачали: 9 Платформа: Компас | Рб:
2
Курсовой проект - Расчет ресивера дренажного КП Курсовой проект - Расчет ресивера дренажного
Чертежи: общий вид / обечайка / днище + спецификации + ПЗ. по дисциплине: «Расчет и конструирование машин и аппаратов пищевых производств». Рабочее давление, МПа 1,5 / Диаметр, м 0,82
Дата: 30.9.15 09:04 | Поместил: Zigmund | Размер: 551.28 KB | Скачали: 5 Платформа: Компас | Рб:
1
Курсовой проект - Дробилка валковая дырчатая СМ-369А КП Курсовой проект - Дробилка валковая дырчатая СМ-369А | Год выпуска: 2014
БГТУ. Целью курсового проекта является разработка проектно-конструкторской документации на валковую дырчатую дробилку СМ-369А. В курсовой работе описана конструкция и принцип действия различных дробилок, в том числе и валковой, произведен расчет вала на прочность, жесткость и кручение, подобраны шпонки, разработаны чертежи общего вида, сборочные и рабочие единицы валковой дырчатой дробилки, а также рассмотрены основные приемы работы с библиотекой <<КОМПАС-SPRING>> в системе КОМПАС-3D версии V13. Графический материал включает 5 листов чертежи (1 лист формата А1, 1 лист формата А2, 1 листа формата А3, 2 лист формата А4 + 3д модель) + ПЗ.
Дата: 28.5.14 18:22 | Поместил: Аноним | Размер: 6.65 MB | Скачали: 19 Платформа: Компас | Рб:
2
Дипломный проект - Дробильно - сортировочный завод с модернизацией дробилки первой стадии дробления ДП Дипломный проект - Дробильно - сортировочный завод с модернизацией дробилки первой стадии дробления | Год выпуска: 2014
БГТУ / Детали машин / Целью работы является на основе патентных исследований предложить модернизацию щековой дробилки с простым движением подвижной щеки ЩДП 15×21, применяемой для крупного дробления на предприятии по производству дорожного щебня. Необходимо произвести подбор оборудования дробильно-сортировочного завода и расчет режимов его работы по следующим данным: производительность - 250 м³/ч; дробимый материал - гранит; наибольший размер куска материала, D = 1000 мм; щебень фракций - 3,,,10, 10,,,20, 20,,,40, 40,,,60, 60,,,80, 80,,,120 мм. / 10 листов чертежи + спецификации + ПЗ.
Дата: 16.4.14 16:22 | Поместил: sdnsdn | Размер: 1.87 MB | Скачали: 44 Платформа: AutoCad | Рб:
3
Курсовой проект - Проектирование нефтебазы КП Курсовой проект - Проектирование нефтебазы | Год выпуска: 2013
АГНИ / Факультет инженерной механики / Кафедра транспорта и хранения нефти и газа
По дисциплине: «Проектирование газонефтехранилищ» / Состав: 1 лист чертеж (генплан базы) + ПЗ
Дата: 5.3.14 16:29 | Поместил: tl2601 | Размер: 1.38 MB | Скачали: 41 Платформа: AutoCad | Рб:
1
Показать описание раздела:
Курсовое проектирование в сфере пищевой и химической промышленности – неотъемлемая часть учебного процесса студентов технических вузов соответствующих специальностей.
Проект «Химическая и пищевая промышленность курсовая» предусматривает техперевооружение, реконструкцию технологической линии либо строительство производственных площадей.
В данном разделе сайта chertezhi.ru представлены готовые курсовые работы по пищевой и химической промышленности, среди которых можно подобрать вариант, наиболее соответствующий техзаданию и исходным данным. Курсовая работа пищевая промышленность направлена на проектирование технологической линии либо разработки конкретного оборудования для осуществления процесса производства.
Диплом пищевой промышленности может быть спроектирован на основании курсовой работы, и включает в себя следующих разделов:
- введение;
- технологическая часть;
- специальная часть;
- графическая часть;
- раздел ТБиОТ;
- технико-экономическое обоснование.
В начале проекта необходимо изложить техзадание, цель проекта и обоснование выбора технологии и/или типа оборудования (должен быть направлен на увеличение производительности, удешевление себестоимости и улучшение качества готовой продукции, экономия энергоресурсов).
В технологической части составляется техсхема, описание процесса, рассчитывается материальный и тепловой баланс, подбирается оборудование. Специальная часть содержит анализ конструкции оборудования (для модернизации производства), расчет его основных параметров (мощности электропривода, расчеты на прочность, жесткость, определение нагрузок и т.д.), основные правила эксплуатации и регулировки.
Графический раздел включает в себя генплан, планы площадей с расстановкой оборудования до и после реконструкции/ модернизации, аппаратурную схему линии. Если целью является проектирование оборудования, то составляется общий чертеж аппарата, чертежи вспомогательных деталей, сборочные, схемы крепления.
В разделе «ТБиОТ» необходимо выявить потенциальные источники опасности и предусмотреть меры предупреждения несчастных случаев.
В технико-экономическом разделе определяется стоимость финансовых вложений, рассчитывается срок окупаемости, рентабельность.
Подходящие чертежи химическая, пищевая промышленность можно условно бесплатно скачать из каталога сайта.
 
Cloudim - онлайн консультант для сайта бесплатно.