Добавить проект
Прочитать правила
Платный доступ
Авторизация:
Информация


Чертежи » Рабочие проекты » Строительство » Фундаменты и основания » Просмотр раздела

Фундаменты и основания

АР КМ КЖ Административное здание 39,0 х 19,5 м в г. Волжский РП АР КМ КЖ Административное здание 39,0 х 19,5 м в г. Волжский | Год выпуска: 2017
Р / Строительство административно-торгового здания с выставочным залом (2 этажа). Назначение проектируемого объекта «Административное здание» – выставка-продажа сельхозтехники и запасных частей к ним. / Состав: 3 комплекта чертежей (АР - 8 листов, КЖ - 13 листов, КЖ - 20 листов) + чертежи ГП (4 листа) + ПЗ.
Дата: 18.3.26 14:27 | Поместил: vlad0770 | Размер: 5.35 MB | Скачали: 0 Платформа: AutoCad | Рб:
3
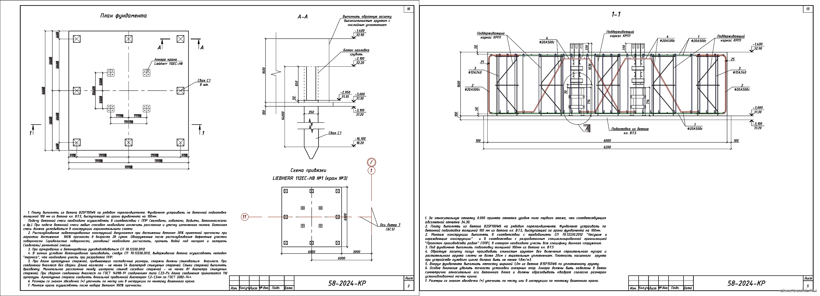
КР Фундамент для установки башенного крана LIEBHERR 112EC-H8 РП КР Фундамент для установки башенного крана LIEBHERR 112EC-H8 | Год выпуска: 2024
П / Фундамент для установки башенного крана LIEBHERR 112EC-H8. Расчетная сейсмичность площадки строительства - 7 баллов. / Состав: комплект чертежей + ПЗ.
Дата: 28.1.26 12:59 | Поместил: zhuchok83 | Размер: 7.99 MB | Скачали: 0 Платформа: AutoCad | Рб:
1
КЖ Усиление фундамента железобетонной опоры связи базовой станции в Нижегородской области РП КЖ Усиление фундамента железобетонной опоры связи базовой станции в Нижегородской области | Год выпуска: 2020
Р / Согласно результатам обследования технического состояния конструкций, расчета и выдаче заключения о несущей способности железобетонной опоры необходимо произвести усиление фундамента опоры. Работы выполняются без отключения БС и переноса аппаратных. / Состав: комплект чертежей + спецификация.
Дата: 9.12.24 10:53 | Поместил: idkapralov | Размер: 13.98 MB | Скачали: 0 Платформа: AutoCad | Рб:
1
АС Площадка блочной котельной. Устройство фундаментов РП АС Площадка блочной котельной. Устройство фундаментов | Год выпуска: 2020
Р / Проектом предусматривается устройство свайного основания под конструкции котельной, свайного ростверка под дымовую трубу и схему расположения направляющих балок. Проект выполнен с учетом требований строительных норм для северных районов России. / Состав: комплект чертежей.
Дата: 15.10.24 18:39 | Поместил: reyandrey | Размер: 616.30 KB | Скачали: 0 Платформа: AutoCad | Рб:
1
АС Устройство фундаментов под монтаж асфальтосмесительной установки РП АС Устройство фундаментов под монтаж асфальтосмесительной установки | Год выпуска: 2023
Р / Устройство фундаментов под монтаж асфальтосмесительной установки на территории асфальтобетонного завода. Район строительства - IIВ (СП 131.13330.2012). / Состав: комплект чертежей.
Дата: 20.12.23 11:16 | Поместил: Vladimir91 | Размер: 5.69 MB | Скачали: 0 Платформа: AutoCad | Рб:
1
ТС КЖ Наружное теплоснабжение комплекса  по производству органических удобрений РП ТС КЖ Наружное теплоснабжение комплекса по производству органических удобрений | Год выпуска: 2023
Р / Проект наружных тепловых сетей, с надземной прокладкой трубопровода dу150 на подвижных и неподвижных опорах от здания котельной, до здания потребителя. / Состав: 2 комплекта чертежей + спецификации.
Дата: 24.10.23 08:22 | Поместил: q2hh2q | Размер: 18.05 MB | Скачали: 11 Платформа: AutoCad | Рб:
2
АС Реконструкция инженерно-технологического здания Энергоцентра в Московской области РП АС Реконструкция инженерно-технологического здания Энергоцентра в Московской области | Год выпуска: 2022
Р / Модульное здание универсального энергоцентра, прилагающегося к промышленному производству с отдельными корректировками, отталкивающимися от расчетов энергопотребления производства в МО. / Состав: 11 комлпектов чертежей.
Дата: 23.10.23 16:09 | Поместил: cvbnm | Размер: 87.82 MB | Скачали: 0 Платформа: AutoCad, PDF | Рб:
7
КМ КЖ Контрольно-пропускной пункт РП КМ КЖ Контрольно-пропускной пункт | Год выпуска: 2021
Р / Металлические конструкции и фундаменты КПП морского порта. / Состав: 2 комплекта чертежей.
Дата: 19.10.23 08:29 | Поместил: santamax | Размер: 2.32 MB | Скачали: 0 Платформа: AutoCad | Рб:
2
КЖ Перенос трансформаторной подстанции ТП4 в здание склада генеральных грузов РП КЖ Перенос трансформаторной подстанции ТП4 в здание склада генеральных грузов | Год выпуска: 2022
Р / Железобетонные конструкции трансформаторной подстанции ТП-4 разработаны на основании технологического задания. За условную отметку 0,000 принят уровень чистого пола существующего здания, что соответствует абсолютной отметке +2,850 в Балтийской системе высот. / Состав: комплект чертежей
Дата: 19.10.23 07:41 | Поместил: santamax | Размер: 600.17 KB | Скачали: 0 Платформа: AutoCad | Рб:
1
Расчетная работа - ОиФ Расчёт и конструирование ленточных сборных фундаментов мелкого заложения КП Расчетная работа - ОиФ Расчёт и конструирование ленточных сборных фундаментов мелкого заложения | Год выпуска: 2023
ННГАСУ / Кафедра оснований, фундаментов и инженерной геологии / 8-ми этажный жилой кирпичный дом г. Тверь / Состав: 1 лист чертеж + ПЗ
Дата: 18.9.23 16:22 | Поместил: helen1095 | Размер: 3.71 MB | Скачали: 4 Платформа: Компас | Рб:
1
Показать описание раздела:
Проект фундамента выполняется в составе проектирования постройки, самостоятельным комплектом документов. Его также выпускают под марками КЖ (конструкции железобетонные), КР (конструкционные решения), а в отдельных случаях АС (архитектурные сооружения). Проект фундамента дома становится реальным после проведения обсчетов, определения его конструкционной схемы. На их основании выбирается проект (строительство фундамента), который может быть:
- свайным (выбирается тип заглубленных опор);
- столбчатым;
- ленточным (монолитный/сборный);
- фундаментной плитой и пр.
Прежде чем появится план фундамента (чертеж), обрабатываются данные из пакета документов заказчика, характеризующие:
- район строительства (климатическая обстановка);
- участок застройки (геолого-инженерные особенности);
- планы/разрезы (архитектурная часть).
Будущий чертеж фундамента дома создается также с учетом:
- конструкционно-технологических и эксплуатационных условий;
- перечня нагрузок.
Проект свайного фундамента, как и других типов, формируется из графических документов:
- общих данных;
- схем, чертежей и узлов;
- спецификаций на материалы;
- расчетных данных грунта под фундаментом и его самого.
Схемы и чертеж фундамента детально прописывают:
- конструкционную компоновку;
- реперные уровни, габариты (чертежи опалубочные);
- данные о типах используемой арматуры — сталь, сечение, плотность (чертежи армирования).
В спецификации материалов на типовой проект (фундаменты) прописана информация о:
- весе, видах и отдельно по номенклатурам количестве арматуры; - погонаже сеток.
На сайте можно скачать проект фундамента и изучить различные варианты проектирования фундаментов, для различных зданий и сооружений, проанализировать используемою документацию (ГОСТ, СНиП) принимаемую к разным условиям строительства.
 
Cloudim - онлайн консультант для сайта бесплатно.