Добавить проект
Прочитать правила
Платный доступ
Авторизация:
Информация


Чертежи - Украина

Робочі проекти Файлов: 1340

Будівництво » Технологія приміщень » Інженерні системи » Машинобудування і механника » Технологія » Меблі...

Дипломні і курсові роботи Файлов: 3065

Архітектура » Будівництво » Машинобудування і механника » Інженерні системи » Технологія

Всего файлов в нашем архиве: 4405
Показать выполненные в CAD программе:

Дипломний проект - Розробка конструкції пристрою регулювання тиску турбодизельного двигуна ДП Дипломний проект - Розробка конструкції пристрою регулювання тиску турбодизельного двигуна | Год выпуска: 2023
ВНАУ / Підвищення екологічних показників та надіності траторного дизеля за рахунок зменшення димності відпрацьованих газів на перехідних режимах. / Склад: 11 листів креслення + специфікація + ПЗ (46 сторiнок).
Дата: 16.5.26 15:12 | Поместил: vadym79ryab | Размер: 2.01 MB | Скачали: 0 Платформа: Компас Рб:
5
Дипломний проект (коледж) - Улучшения участка определения технического стану деталей ДВЗ ДП Дипломний проект (коледж) - Улучшения участка определения технического стану деталей ДВЗ | Год выпуска: 2025
АКНУ НУВГП / Мета проекту-поліпшити ділянку діагностики деталей ДВЗ. / Склад: 2 аркуші креслення (Пристрiй для контролю привалочної поверхні ГБЦ, Планування дільниці з визначення технічного стану деталей двигунів після поліпшення) + 6 аркушів на А1 деталювання + ПЗ (69 сторiнок).
Дата: 8.5.26 18:48 | Поместил: Pavel999Pavel | Размер: 732.49 KB | Скачали: 0 Платформа: Компас Рб:
2
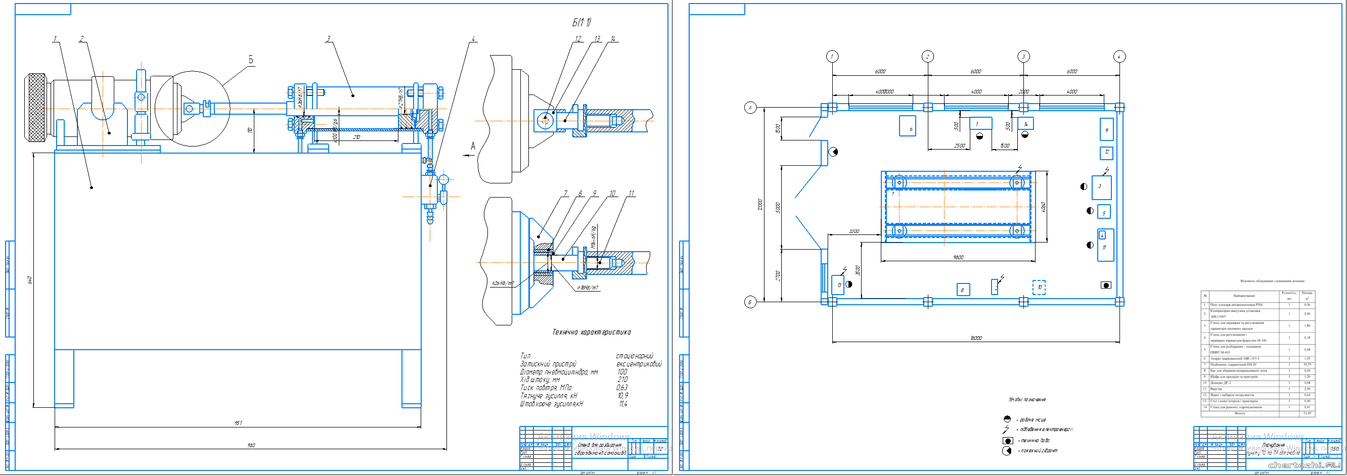
Дипломний проект (коледж) - Покращення слюсарно-механічна дільниця ДП Дипломний проект (коледж) - Покращення слюсарно-механічна дільниця | Год выпуска: 2025
АТТНУВГП / Розроблена конструкція знімача призначена для випресування втулок. / Склад: 2 аркуші креслення + 6 аркушів на А1 деталі + ПЗ
Дата: 6.5.26 15:11 | Поместил: Pavel999Pavel | Размер: 632.13 KB | Скачали: 0 Платформа: Компас Рб:
2
Расчетно-графическая работа - Полупроходной канал теплотрассы КП Расчетно-графическая работа - Полупроходной канал теплотрассы | Год выпуска: 2022
ОДАБА / Кафедра залізобетоних конструкцій та транспортних споруд / В записці наведено розрахунок блока дніща та стінового блоку. На кресленнях показано план полупрохідного каналу з перекриттям, розріз полупрохідного каналу, вид стінового блоку та блоку днища, армування стінового блоку та блоку днища, специфікація. / Склад: 2 креслення формату (А3) + Пояснювальна записка - 10 сторінок
Дата: 6.5.26 14:26 | Поместил: sc233146 | Размер: 379.58 KB | Скачали: 0 Платформа: AutoCad Рб:
1
Курсовий проект (коледж) - Проєкт участка улучшения слесарного участка з разработкой приспособления для разточки циліндров двигуна КП Курсовий проект (коледж) - Проєкт участка улучшения слесарного участка з разработкой приспособления для разточки циліндров двигуна | Год выпуска: 2025
Рівне / Спеціальність: 274 «Автомобільний транспорт», за освітньою програмою: «Обслуговування та ремонт автомобілів і двигунів» / Метою даної курсової роботи є систематизація, аналіз та обґрунтування технологічного процесу відновлення блока циліндрів ДВЗ для забезпечення його надійного функціонування та продовження ресурсу експлуатації. / Склад: 2 чертежа + ПЗ
Дата: 2.5.26 13:38 | Поместил: Pavel999Pavel | Размер: 751.84 KB | Скачали: 0 Платформа: Компас Рб:
1
Дипломний проект - Розробка конструкції підігрівача біопалива двопаливної системи живлення дизеля ДП Дипломний проект - Розробка конструкції підігрівача біопалива двопаливної системи живлення дизеля | Год выпуска: 2023
ВНАУ / Кафедра агроінженерії та технічного сервісу / Метою дипломної роботи на тему: “Розробка підігрівача системи живлення автотракторного дизеля при роботі на біопаливі” є полегшенню переходу вітчизняного машино – тракторного парку на альтернативні види палива зокрема на біопаливо з розробкою пристрою для підігрівання палива. / Склад: 10 аркушів креслень + специфікація + ПЗ (46 сторінок).
Дата: 1.5.26 05:41 | Поместил: vadym79ryab | Размер: 1.11 MB | Скачали: 0 Платформа: Компас Рб:
5
Дипломний проект - Підвищення ефективності ремонтних робіт в ЛКП дорожньо-ремонтне підприємство Галицького району з розробкою причіпного мобільного бетонозмішувача ДП Дипломний проект - Підвищення ефективності ремонтних робіт в ЛКП дорожньо-ремонтне підприємство Галицького району з розробкою причіпного мобільного бетонозмішувача | Год выпуска: 2024
ЛНУП / Мета проєкту - підвищення ефективності ремонтних робіт у ЛКП шляхом розробки та впровадження мобільної установки для приготування розчинів, що забезпечує зниження витрат, покращення якості робіт і підвищення продуктивності. / Склад: 4 аркуші креслень (загальний вигляд мобільного розчинозмішувача, розчинозмішувач (складальне крісла), деталювання (2 аркуші) + ПЗ (84 сторінки).
Дата: 28.4.26 11:15 | Поместил: DIM321DIM321 | Размер: 1.61 MB | Скачали: 0 Платформа: Компас Рб:
3
Дипломний проект - Удосконалення конструкції обмежувача запальної дози газодизельного двигуна ДП Дипломний проект - Удосконалення конструкції обмежувача запальної дози газодизельного двигуна | Год выпуска: 2023
ВНАУ / Для переобладнання дизеля з можливістю роботи в газодизельному режимі не потрібно змінювати механізми двигуна, а необхідно лише добавити ще одну систему паливоподачі – систему живлення газом. Крім того потрібно розробити систему обмеження подачі дизельного палива, яка могла б забезпечити роботу двигуна в дизельному та газодизельному режимах. В даній дипломні роботі пропонується один зі шляхів вирішення цієї задачі. / Склад: 14 аркушів креслень + ПЗ (45 сторінок)
Дата: 19.4.26 11:43 | Поместил: vadym79ryab | Размер: 1.37 MB | Скачали: 0 Платформа: Компас Рб:
6
Дипломний проект (коледж) - Шкільна їдальня на 200 лісць в с. Яблуневе Чернігівської області ДП Дипломний проект (коледж) - Шкільна їдальня на 200 лісць в с. Яблуневе Чернігівської області | Год выпуска: 2024
ОФКБД / Спеціальність 192 Будівництво та цивільна інженерія / Склад: 5 листів креслень (2 листа архітектура (фасади, вузли, плани, генеральний план, план, розріз, план покрівлі, план крокв, план покриття/ перекриття, план фундаментів); 2 листа дизайну (фасади, візуалізації генерального плану, експлікації, перспективні зображення, візуалізації, розгортки стін); 1 лист технології (схема виконання робіт, розріз, схема організації робочих місць, схема провішування, калькуляція, графік виконання робіт, ТЕП, схума конструктивного елемента, допустимі відхилення, інструменти і пристосування)) + ПЗ (60 сторінок, відсутня Економічна частина).
Дата: 7.4.26 16:06 | Поместил: ahatinka | Размер: 105.94 MB | Скачали: 0 Платформа: ArchiCAD Рб:
4
Дипломний проект - Модернізація м’ясоподрібнювальної машини К7-ФВП-114-01 на ТОВ "ТИТАН" ДП Дипломний проект - Модернізація м’ясоподрібнювальної машини К7-ФВП-114-01 на ТОВ "ТИТАН" | Год выпуска: 2024
НУХТ / Після модернізації м’ясоподрібнювальної машини К7-ФВП-114-01, а саме вдосконалення ріжучого механізму, зменшилась енергоемнісь та трудомісткість процесу. Отримавши результати про розрахунки техніко-економічних показників спостерігається зростання рентабельності виробництва, продуктивності праці. / Склад: 4 аркуша креслення + спеціфікації + ПЗ.
Дата: 29.3.26 17:08 | Поместил: iaa123456789 | Размер: 1.06 MB | Скачали: 0 Платформа: Компас Рб:
4
Дипломний проект - Будівництво 2-поверхового приватного будинку на лесовидних грунтах у м.Буча Київської області ДП Дипломний проект - Будівництво 2-поверхового приватного будинку на лесовидних грунтах у м.Буча Київської області | Год выпуска: 2025
КНУБА / Метою дипломного проєкту є розробка архітектурного, конструктивного та інженерного рішення для сучасного житлового будинку, що відповідає чинним будівельним нормам, має енергоефективні показники, безпечні конструкції та ергономічне планування. У ході проєктування враховано не лише технічні аспекти, а й комфорт, безпеку та економічну доцільність будівництва. / Склад: 6 аркушів креслень + ПЗ (131 сторiнка).
Дата: 26.3.26 12:05 | Поместил: sherly | Размер: 23.52 MB | Скачали: 0 Платформа: AutoCad Рб:
5
Новые чертежи и проекты (нормы Россия)
- 21.5.26 Курсовой проект - Цех по производству сэн..
- 20.5.26 Курсовой проект - ЖБК Проектирование 1-о ..
- 20.5.26 Курсовой проект (колледж) - Автоматизация..
- 19.5.26 Курсовой проект - МК стального каркаса 1-..
- 18.5.26 ЭМ Пешеходный мост на о.п. Чухлинка ПК75..
- 18.5.26 АОВ Школа на 550 мест в г. Орехово-Зуево ..
- 18.5.26 АСКУЭ Реконструкция ТП АБ ст. Балаково
- 15.5.26 Курсовой проект - ЖБК Проектирование плит..
- 14.5.26 ВК Капитальный ремонт системы ливневой ка..
- 14.5.26 Курсовой проект - МК балочной клетки 25,2..
- 13.5.26 Курсовая работа - МК балочной площадки пр..
- 13.5.26 Курсовой проект - Оценка дорожных условий..
- 11.5.26 Курсовой проект - ВиВ 2-х этажного жилого..
- 11.5.26 Курсовой проект - Стройгенплан для 5-ти э..
- 8.5.26 ОВ Ремонт и приспособление объекта культу..
ТОП - 20 Чертежи и проекты
- 4930 Чертежи АР Двухэтажный коттедж на одну с..
- 4315 Набор типовых узлов
- 3774 Чертежи АР Современного коттеджа 2 этажа..
- 3236 Дипломный проект - Реконструкция жилого ..
- 3043 ЭП Двухэтажный коттедж 10,12 х 9,58 м
- 2866 АР Двухэтажный одноквартирный шестикомна..
- 2839 ВК Коттедж 3 этажа + подвал В1 - 2,0 м3/..
- 2836 ВК НВК Реконструкция здания учебного кор..
- 2781 АР Двухэтажный частный каменный дом разм..
- 2602 Дипломный проект - Административное здан..
- 2479 ЭО Электроснабжение индивидуального жил..
- 2119 ВК Фельдшерско-акушерский пункт (два зда..
- 1782 АР 10 - ти этажный жилой дом
- 1777 Чертежи - Торговый центр с зимним садом ..
- 1717 АС Беседка 3,2х5,7 м
 
Cloudim - онлайн консультант для сайта бесплатно.